电脑桌面
添加小米粒文库到电脑桌面
安装后可以在桌面快捷访问

电学综合检测试卷VIP专享VIP免费

电学综合检测试卷_第1页
1/4
电学综合检测试卷_第2页
2/4
电学综合检测试卷_第3页
3/4
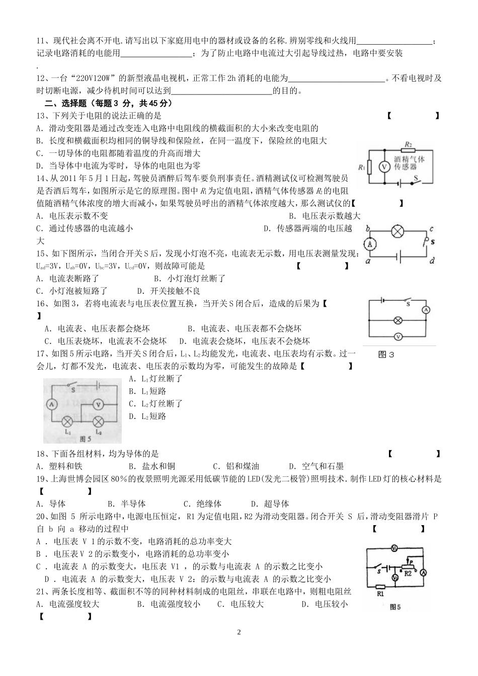
八年级物理电学综合检测试卷姓名:_______________班级:_______________计分:_______________一、填空题(每空1分,共27分)1、如图15所示,甲、乙是电流表或电压表。当开关S闭合后,要使电阻R1、R2并联,甲表是____________,乙表是_____________。2、如图所示的电路中,电压表所用的量程不明,当电路闭合后,V1和V2的示数分别如图所示。则V1用的量程是V,小灯泡L1两端的电压是V。3、如图,导体AB材料相同、长度相等,A比B的横截面积大,则A的电阻B的电阻;若将它们串联在电路中,则A两端的电压B两端的电压(两空均选填“大于”、“小于”或“等于”)。4、如图甲所示电路,电源电压保持不变,当闭合开关S,调节滑动变阻器阻值从最大变化到最小,两个电阻的“U-I”关系图像如图乙所示。则电源电压为V,定值电阻R1的阻值为Ω,滑动变阻器R2的阻值变化范围为Ω。5、小宝在探究电路中电压关系时,根据实验数据绘制了电压U2随电压U1变化的图像,如图所示,请你根据该图像写出电压U2和U1的关系式:U2=。6、如图2所示电路中,电源两端电压不变,R1、R2的阻值分别为l0Ω和20Ω。当S1、S2均闭合时电压表的示数为6V,当S1闭合、S2断开时,电压表的示数为___________V。7、有一个电灯,它的电阻是15Ω,正常工作的电压为9V。现只有一个电压为15V的电源,为使电灯正常工作,应给它(选填“串”或“并”)联一个阻值为Ω的电阻。8、一根导体两端加电压2V时,通过的电流正好是0.1A,则导体的电阻是_______Ω。如果这根导体两端加的电压变为4V,则通过导体的电流是_______A,如果两端加的电压为0V时,则导体的电阻为Ω。9、“红灯停,绿灯行,黄灯也要等一等,交通安全要注意”。路口的这些交通指示灯是的(选填“串联”或“并联”),它们所接的电路电压是伏。有时红灯快结束时黄灯也同时亮了,此时电路中的总电流(选填“变大”、“不变”或“变小”)。10、一段导体两端的电压是24V时,通过的电流是0.5A,则导体的电阻是Ω,这段导体消耗的电功率是W,通过10S产生的热量是J。111、现代社会离不开电.请写出以下家庭用电中的器材或设备的名称.辨别零线和火线用;记录电路消耗的电能用;为了防止电路中电流过大引起导线过热,电路中要安装.12、一台“220V120W”的新型液晶电视机,正常工作2h消耗的电能为。不看电视时及时切断电源,减少待机时间可以达到的目的。二、选择题(每题3分,共45分)13、下列关于电阻的说法正确的是【】A.滑动变阻器是通过改变连入电路中电阻线的横截面积的大小来改变电阻的B.长度和横截面积均相同的铜导线和保险丝,在同一温度下,保险丝的电阻大C.一切导体的电阻都随着温度的升高而增大D.当导体中电流为零时,导体的电阻也为零14、从2011年5月1日起,驾驶员酒醉后驾车要负刑事责任。酒精测试仪可检测驾驶员是否酒后驾车,如图所示是它的原理图。图中R1为定值电阻,酒精气体传感器R2的电阻值随酒精气体浓度的增大而减小,如果驾驶员呼出的酒精气体浓度越大,那么测试仪的【】A.电压表示数不变B.电压表示数越大C.通过传感器的电流越小D.传感器两端的电压越大15、如下图所示,当闭合开关S后,发现小灯泡不亮,电流表无示数,用电压表测量发现:Uad=3V,Uab=0V,Ubc=3V,Ucd=0V,则故障可能是【】A.电流表断路了B.小灯泡灯丝断了C.小灯泡被短路了D.开关接触不良16、如图3,若将电流表与电压表位置互换,当开关S闭合后,造成的后果为【】A.电流表、电压表都会烧坏B.电流表、电压表都不会烧坏C.电压表烧坏,电流表不会烧坏D.电流表会烧坏,电压表不会烧坏17、如图5所示电路,当开关S闭合后,L1、L2均能发光,电流表、电压表均有示数。过一会儿,灯都不发光,电流表、电压表的示数均为零,可能发生的故障是【】A.L1灯丝断了B.L1短路C.L2灯丝断了D.L2短路18、下面各组材料,均为导体的是【】A.塑料和铁B.盐水和铜C.铝和煤油D.空气和石墨19、上海世博会园区80%的夜景照明光源采用低碳节能的LED(发光二极管)照明技术.制作LED灯的核心材料是【】A.导体B.半导体C.绝缘体D.超导体20、如图5所示电路中,电源电压恒定,R1为定值电阻,R2为滑动变...

1、当您付费下载文档后,您只拥有了使用权限,并不意味着购买了版权,文档只能用于自身使用,不得用于其他商业用途(如 [转卖]进行直接盈利或[编辑后售卖]进行间接盈利)。
2、本站所有内容均由合作方或网友上传,本站不对文档的完整性、权威性及其观点立场正确性做任何保证或承诺!文档内容仅供研究参考,付费前请自行鉴别。
3、如文档内容存在违规,或者侵犯商业秘密、侵犯著作权等,请点击“违规举报”。

碎片内容

电学综合检测试卷

您可能关注的文档

确认删除?
VIP
微信客服
  • 扫码咨询
会员Q群
  • 会员专属群点击这里加入QQ群
客服邮箱
回到顶部