电脑桌面
添加小米粒文库到电脑桌面
安装后可以在桌面快捷访问

分部工程验收记录表VIP免费

分部工程验收记录表_第1页
1/6
分部工程验收记录表_第2页
2/6
分部工程验收记录表_第3页
3/6
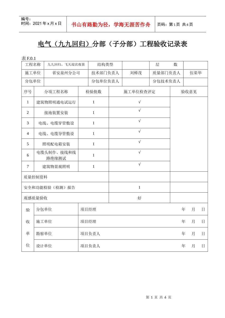
第1页共6页编号:时间:2021年x月x日书山有路勤为径,学海无涯苦作舟页码:第1页共6页电气(九九回归)分部(子分部)工程验收记录表表F.0.1工程名称九九回归、飞天迎宾夜景结构类型层数施工单位省安泉州分公司技术部门负责人刘樟茂质量部门负责人伍荣华分包单位分包单位负责人分包技术负责人序号分项工程名称检验批数施工单位检查评定验收意见1建筑物照明通电试运行1√2接地装置安装1√3电线、电缆穿管敷设1√4电线、电缆导管敷设1√5照明配电箱安装1√6电缆头制作、接线和线路绝缘测试1√7建筑物景观照明1√质量控制资料安全和功能检验(检测)报告1观感质量验收好验收单位分包单位项目经理年月日施工单位项目经理年月日勘察单位项目负责人年月日设计单位项目负责人年月日第2页共6页第1页共6页编号:时间:2021年x月x日书山有路勤为径,学海无涯苦作舟页码:第2页共6页监理(建设)单位总监理工程师(建设单位项目专业负责人)年月日电气(飞天迎宾)分部(子分部)工程验收记录表表F.0.1工程名称九九回归、飞天迎宾夜景结构类型层数施工单位省安泉州分公司技术部门负责人刘樟茂质量部门负责人伍荣华分包单位分包单位负责人分包技术负责人序号分项工程名称检验批数施工单位检查评定验收意见1建筑物照明通电试运行1√2接地装置安装1√3电线、电缆穿管敷设1√4电线、电缆导管敷设1√5照明配电箱安装1√6电缆头制作、接线和线路绝缘测试1√7建筑物景观照明1√质量控制资料安全和功能检验(检测)报告1观感质量验收好验收单分包单位项目经理年月日施工单位项目经理年月日勘察单位项目负责人年月日第3页共6页第2页共6页编号:时间:2021年x月x日书山有路勤为径,学海无涯苦作舟页码:第3页共6页位设计单位项目负责人年月日监理(建设)单位总监理工程师(建设单位项目专业负责人)年月日电气(九七还珠)分部(子分部)工程验收记录表表F.0.1工程名称九七、双狮、惠安女夜景结构类型层数施工单位省安泉州分公司技术部门负责人刘樟茂质量部门负责人伍荣华分包单位分包单位负责人分包技术负责人序号分项工程名称检验批数施工单位检查评定验收意见1建筑物照明通电试运行1√2电线、电缆导管敷设1√3照明配电箱安装1√4电缆头制作、接线和线路绝缘测试1√5建筑物景观照明1√质量控制资料安全和功能检验(检测)报告1观感质量验收好验收分包单位项目经理年月日施工单位项目经理年月日第4页共6页第3页共6页编号:时间:2021年x月x日书山有路勤为径,学海无涯苦作舟页码:第4页共6页单位勘察单位项目负责人年月日设计单位项目负责人年月日监理(建设)单位总监理工程师(建设单位项目专业负责人)年月日电气(平源渠双狮)分部(子分部)工程验收记录表表F.0.1工程名称九七、双狮、惠安女夜景结构类型层数施工单位省安泉州分公司技术部门负责人刘樟茂质量部门负责人伍荣华分包单位分包单位负责人分包技术负责人序号分项工程名称检验批数施工单位检查评定验收意见1建筑物照明通电试运行1√2电线、电缆导管敷设1√3照明配电箱安装1√4电缆头制作、接线和线路绝缘测试1√5建筑物景观照明1√质量控制资料安全和功能检验(检测)报告1观感质量验收好验分包单位项目经理年月日第5页共6页第4页共6页编号:时间:2021年x月x日书山有路勤为径,学海无涯苦作舟页码:第5页共6页收单位施工单位项目经理年月日勘察单位项目负责人年月日设计单位项目负责人年月日监理(建设)单位总监理工程师(建设单位项目专业负责人)年月日电气(平源渠惠安女)分部(子分部)工程验收记录表表F.0.1工程名称九七、双狮、惠安女夜景结构类型层数施工单位省安泉州分公司技术部门负责人刘樟茂质量部门负责人伍荣华分包单位分包单位负责人分包技术负责人序号分项工程名称检验批数施工单位检查评定验收意见1建筑物照明通电试运行1√2电线、电缆导管敷设1√3照明配电箱安装1√4电缆头制作、接线和线路绝缘测试1√5建筑物景观照明1√质量控制资料安全和功能检验(检测)报告1观感质量验收好第6页共6页第5页共6页编号:时间:2021年x月x日书山有路勤为径,学海无涯苦作舟页码:第6页共6页验收单位分包单位项目经理年月日施工单位...

1、当您付费下载文档后,您只拥有了使用权限,并不意味着购买了版权,文档只能用于自身使用,不得用于其他商业用途(如 [转卖]进行直接盈利或[编辑后售卖]进行间接盈利)。
2、本站所有内容均由合作方或网友上传,本站不对文档的完整性、权威性及其观点立场正确性做任何保证或承诺!文档内容仅供研究参考,付费前请自行鉴别。
3、如文档内容存在违规,或者侵犯商业秘密、侵犯著作权等,请点击“违规举报”。

碎片内容

分部工程验收记录表

您可能关注的文档

确认删除?
VIP
微信客服
  • 扫码咨询
会员Q群
  • 会员专属群点击这里加入QQ群
客服邮箱
回到顶部