电脑桌面
添加小米粒文库到电脑桌面
安装后可以在桌面快捷访问

菌种工厂建设方案VIP免费

菌种工厂建设方案_第1页
1/7
菌种工厂建设方案_第2页
2/7
菌种工厂建设方案_第3页
3/7
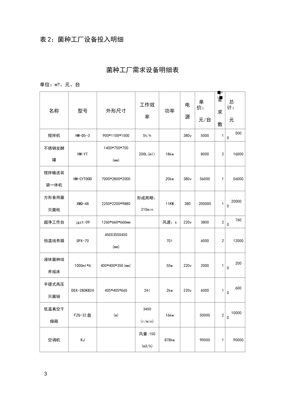
1菌种工厂投建方案一、菌种厂规模:按照发展羊肚菌栽培面积,计划设立一个年生产菌种180万瓶袋的菌种厂,就可以解决年栽培3000亩羊肚菌的菌种要求。二、厂址条件:选择坐南向北,四周空阔,环境清洁,靠近水源,空气流畅,远离食品酿造,猪牛畜禽舍、医院、居民等至少3公里之外,远离水源,水质要求没有污染。厂房占地2000⑴。三、车间布局:(附表1)按照制种工艺流程,合理布局车间。厂内设:原料储存室——培养料制作间——灭菌间——排场冷却间——接种室——菌种培养室(4间)——出菇试验场各间要求是水泥地其中接种室2间,培养室4间,要求空气对流四周墙壁白灰粉刷。室内设5—6层的架床,用于排放菌种。四、机械设备:(附表2)手提式民用高压锅1台。用于母种培养基灭菌.另外一台装量33000瓶的高压杀菌柜,用于原料和栽培种的培养基灭菌。备足菌种瓶和菌袋,以及配用套环、纱线、棉花等材料菌种培养室:空调母种保存冰箱用于装料:装袋机1台2五、投资与效益分析:(附表3)按照年产180万袋菌种产值为900万元(5元/袋),其中成本(包括原料及生产工人工资)每袋元,合计270万元。单位:m2、万元、年项目占地公司投资年产量年销售额年成本年利润固定资产投资回收期投资回收期菌种工厂8000800180万袋900270630表1:菌种工厂建筑规划生产与设施对应关系:180万瓶;生产周期10天,每天18万瓶,需要冷却室1800m,接种室360m爲培养室1296ms培养架占培养室65%。3表2:菌种工厂设备投入明细菌种工厂需求设备明细表单位:m?、元、台名称型号外形尺寸工作效率功率电源单价:元/台■=!=■需求数总计:元搅拌机HM-D5-3900*1100*15005t/h380v500015000不锈钢发酵罐HM-YT1400*750*750(mm)200L(ml)18kw8000216000搅拌输送装袋一体机HM-CYTOOO7000*2800*200020kw380v56000156000方形食用菌灭菌柜XMQ-482250*2200*9880形成周期:210min11KW3802000001200000超净工作台jgzt-091260*660*660mm风速:s220v380027600恒温培养箱SPX-70450X350X450(mm)70l6000212000液体菌种培养摇床1000ml*6400*400*350(mm)55w220v200012000手提式高压灭菌锅DSX-280KB24405*405*66524l2kw220v600016000低温真空干燥箱FZG-32盘(m)3450(r/min)16kw500002100000空调机KJ风量:150(m3/h)878kw90000190000汇总4946004表3:年度投入明细表年度生产原料投资表序号名称项目数量单位费用:元备注1原杂木屑200吨3000002小麦200吨6000003料麦麸60吨480004石灰、石膏40吨400005十豆2吨40006蔗糖200公斤10007琼脂5公斤2508消毒用口口瓶1000095%酒精、甲醛、高锰酸钾小计1003250人力资源投入表序号名称项目数量单位费用:元1工管理工人3人1800003*5000元/月*122人装袋10人10000010*100天*100元/天3工接种10人10000010*100天*100元/天4资长期工5人1800005*3000元/月*12小计560000汇总1563250年度生产原料投资表5序号名称项目数量单位费用:元备注1原料棉籽壳200吨3000002小麦200吨6000003麦麸60吨480004石灰'石膏40吨400005十豆2吨40006蔗糖200公斤10007琼脂5公斤2508消毒用品瓶1000095%酒精、甲醛、高锰酸钾小计1003250人力资源投入表序号名称项目数量单位费用:元1工人工资管理工人3人1800003*5000元/月*122装袋10人10000010*100天*100元/天3接种10人10000010*100天*100元/天4长期工5人1800005*3000元/月*12小计560000汇总1563250年度生产原料投资表序号名称项目数量单位费用:元备注61原料棉籽壳200吨3000002小麦200吨6000003麦麸60吨480004石灰、石膏40吨400005十豆2吨40006蔗糖200公斤10007琼脂5公斤2508消毒用口口瓶1000095%酒精、甲醛、高锰酸钾小计1003250人力资源投入表序号名称项目数量单位费用:元1工人工管理工人3人1800003*5000元/月*122资装袋10人10000010*100天*100元/天3接种10人10000010*100天*100元/天4长期工5人1800005*3000元/月*12小计560000汇总1563250菌种工厂盈利模式规模设备投资7效益品种经营方式:卖工厂、中央厨房、大卖场、卖模式(家庭、超市菌种+设施网上精准扶贫回答能不能做业态:物流园仓储电商门店展示电商批发加零售信息分析先讲几个业态几个液态的原因分门别类的数据统计

1、当您付费下载文档后,您只拥有了使用权限,并不意味着购买了版权,文档只能用于自身使用,不得用于其他商业用途(如 [转卖]进行直接盈利或[编辑后售卖]进行间接盈利)。
2、本站所有内容均由合作方或网友上传,本站不对文档的完整性、权威性及其观点立场正确性做任何保证或承诺!文档内容仅供研究参考,付费前请自行鉴别。
3、如文档内容存在违规,或者侵犯商业秘密、侵犯著作权等,请点击“违规举报”。

碎片内容

菌种工厂建设方案

确认删除?
VIP
微信客服
  • 扫码咨询
会员Q群
  • 会员专属群点击这里加入QQ群
客服邮箱
回到顶部