电脑桌面
添加小米粒文库到电脑桌面
安装后可以在桌面快捷访问

二级展开式斜齿轮减速器输出轴组合结构设计VIP免费

二级展开式斜齿轮减速器输出轴组合结构设计_第1页
1/11
二级展开式斜齿轮减速器输出轴组合结构设计_第2页
2/11
二级展开式斜齿轮减速器输出轴组合结构设计_第3页
3/11
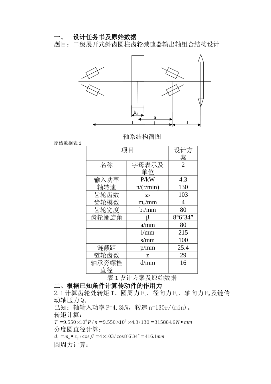
斜齿圆柱齿轮减速器结构设计说明机械工程及自动化班设计者指导教师2014年12月26日辽宁工程技术大学一、设计任务书及原始数据题目:二级展开式斜齿圆柱齿轮减速器输出轴组合结构设计轴系结构简图原始数据表1项目设计方案名称字母表示及单位2输入功率P/kW4.3轴转速n/(r/min)130齿轮齿数z2103齿轮模数mn/mm4齿轮宽度b2/mm80齿轮螺旋角β8°6’34”a/mm80l/mm215s/mm100链截距p/mm25.4链轮齿数z29轴承旁螺栓直径d/mm16表1设计方案及原始数据二、根据已知条件计算传动件的作用力2.1计算齿轮处转矩T、圆周力Ft、径向力Fr、轴向力Fa及链传动轴压力Q。已知:轴输入功率P=4.3kW,转速n=130r/(min)。转矩计算:分度圆直径计算:圆周力计算:lsb2al径向力计算:轴向力计算:轴压力计算:计算公式为:由于转速小,冲击不大,因此取KQ=1.2,带入数值得:轴受力分析简图2.2计算支座反力1、计算垂直面(XOZ)支反力2、计算垂直面(XOY)支反力3、计算垂直面(YOZ)支反力Ra=0N三、初选轴的材料,确定材料机械性能初选材料及机械性能见表2材料牌号45号热处理调质毛坯直径/mm≤200硬度/HBS217~255σB/MPa637σs/MPa353σ-1/MPa268τ-1/MPa155[σ+1]/MPa216QR2zR2yRrRtRaR1yR1z[σ0]/MPa98[σ-1]/MPa59四、进行轴的结构设计4.1确定最小直径按照扭转强度条件计算轴的最小值dmin。其设计公式为查表8-2,因弯矩较大故A0取大值118,带入计算得:因开有键槽,轴径需增大5%得:D=40.01mm圆整成标准值得:D1=45mm4.2设计其余各轴段的直径和长度,且初选轴承型号1、设计直径考虑轴上零件的固定、装拆及加工工艺要求。首先考虑轴承选型,其直径末尾数必须是0、5,且为了便于计算,故D3初取60mm。考虑链轮及轴承2的固定,故D2取55。考虑齿轮由轴套固定,故D4取62。考虑轴承选型相同及齿轮固定问题D5取70,D6取66,D7取60。2、设计各轴段长度考虑齿轮的拆装与定位L4取78。考虑最左侧轴承的拆装与定位L7取25。考虑链轮宽度B=72,L1取70。考虑轴承2与齿轮的相对位置及轴承2的左端固定L3取54。考虑链轮与轴承2的相对位置及轴承2的右端固定,故L2取52。考虑齿轮左端固定及轴环强度问题,L5取8。考虑齿轮与轴承1之间的相对位置及轴环的宽度,L6取75。3、轴的初步结构设计图4、初选轴承型号由于,故选择向心推力轴承,考虑轴径为60,初选轴承型号为圆锥滚子轴承30212。76543214.3选择连接形式与设计细部结构1、选择连接形式连接形式主要是指链轮与齿轮的周向固定:初步选择利用键连接以固定链轮与齿轮。而键的型号依据链轮与齿轮处轴径大小D1、D4分别为45mm、62mm,查《机械设计课程设计》中表20-1初选链轮处键的公称尺寸为14×9,而键长L1初取56mm;初选齿轮处键的公称尺寸为18×11,键长L2初取632、设计细部结构五、轴的疲劳强度校核5.1轴的受力图5.2绘制弯矩图1、垂直面(XOZ)弯矩图2、水平面(XOY)弯矩图3、合成弯矩图QR2zR2yRrRtRaR1yR1z1243142376272N·m1423174960N·mm323300N·mm5.3绘制转矩图5.4确定危险截面通过对轴上零件的受力分析,绘制弯矩及转矩图,并综合考虑轴径大小及键槽、圆角等因素对轴的应力影响,最终确定了5个危险截面。Ⅰ截面弯矩较大,且开有键槽,有应力集中。Ⅱ截面弯矩较大,且有应力圆角,有应力集中。Ⅲ截面弯矩最大。Ⅳ截面弯矩不大但截面小,有圆角,有应力集中。Ⅴ截面弯矩小,但开有键槽,有应力集中。5.4计算安全系数,校核轴的疲劳强度1、计算Ⅰ截面处的安全系数综合影响系数,如下;有效应力集中系数Kσ=1.81Kτ=1.601423190826.3N·mm323300N·mm1423T=315884.6N·m()mmNT6.315884()ⅠⅡⅢⅣⅤ绝对尺寸系数εσ=0.78ετ=0.74加工表面的表面质量系数β=0.95应力总数弯曲Ψσ=0.34扭转Ψτ=0.21计算抗弯模量与抗扭模量计算弯曲应力I截面处最大弯矩I截面最大扭矩将弯曲应力看成对称循环应力求解,有:计算扭转切应力将扭转切应力看作脉动循环应力求解,有:按疲劳强度计算安全系数综合安全系数2、计算Ⅱ截面处的安全系数有效应力集中系数Kσ=1.58Kτ=1.41绝对尺寸系数εσ=0.81ετ=0.76加工表面的表面质量系数β=0.95应力总数弯曲Ψσ=0.34扭转Ψτ=0.21计算抗弯模量...

1、当您付费下载文档后,您只拥有了使用权限,并不意味着购买了版权,文档只能用于自身使用,不得用于其他商业用途(如 [转卖]进行直接盈利或[编辑后售卖]进行间接盈利)。
2、本站所有内容均由合作方或网友上传,本站不对文档的完整性、权威性及其观点立场正确性做任何保证或承诺!文档内容仅供研究参考,付费前请自行鉴别。
3、如文档内容存在违规,或者侵犯商业秘密、侵犯著作权等,请点击“违规举报”。

碎片内容

二级展开式斜齿轮减速器输出轴组合结构设计

确认删除?
VIP
微信客服
  • 扫码咨询
会员Q群
  • 会员专属群点击这里加入QQ群
客服邮箱
回到顶部