电脑桌面
添加小米粒文库到电脑桌面
安装后可以在桌面快捷访问

Proe试卷(周家领)VIP免费

Proe试卷(周家领)_第1页
1/4
Proe试卷(周家领)_第2页
2/4
Proe试卷(周家领)_第3页
3/4
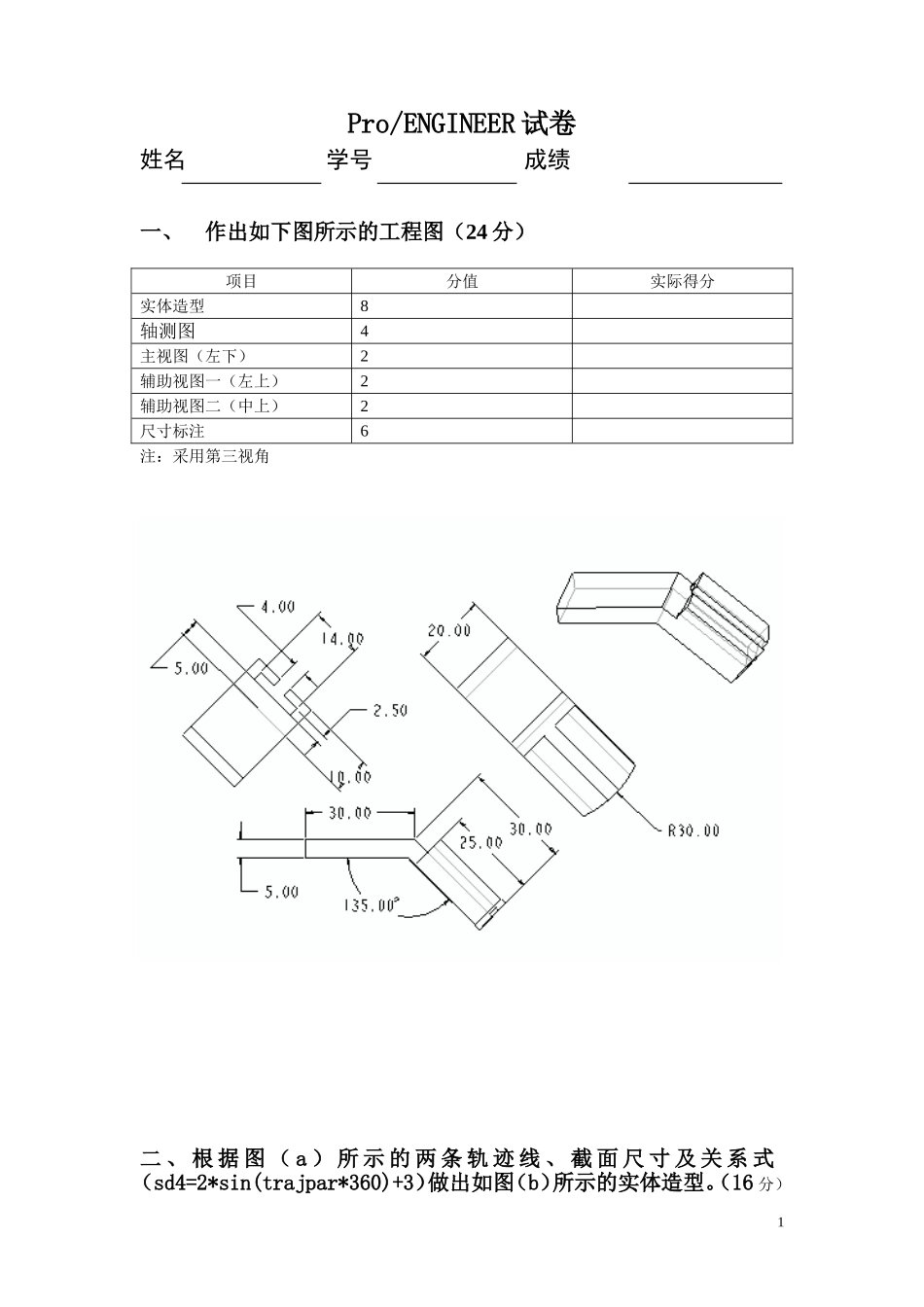
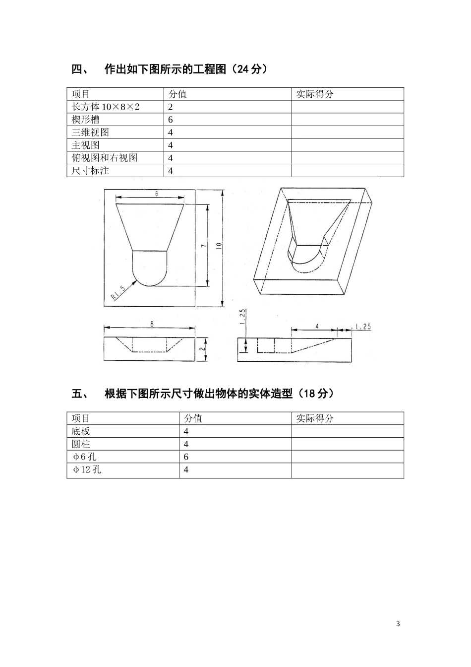
Pro/ENGINEER试卷姓名学号成绩一、作出如下图所示的工程图(24分)项目分值实际得分实体造型8轴测图4主视图(左下)2辅助视图一(左上)2辅助视图二(中上)2尺寸标注6注:采用第三视角二、根据图(a)所示的两条轨迹线、截面尺寸及关系式(sd4=2*sin(trajpar*360)+3)做出如图(b)所示的实体造型。(16分)1项目分值实际得分基准图形特征8实际实体8注:R14圆弧靠近操作者一端的切线与原点轨迹线(图a上标有尺寸12的直线)平行。(a)(b)三、根据下图所示尺寸作出物体的实体造型(18分)项目分值实际得分底板2横向曲面4纵向曲面4合并曲面组4实体凸台42四、作出如下图所示的工程图(24分)项目分值实际得分长方体10×8×22楔形槽6三维视图4主视图4俯视图和右视图4尺寸标注4五、根据下图所示尺寸做出物体的实体造型(18分)项目分值实际得分底板4圆柱4φ6孔6φ12孔434

1、当您付费下载文档后,您只拥有了使用权限,并不意味着购买了版权,文档只能用于自身使用,不得用于其他商业用途(如 [转卖]进行直接盈利或[编辑后售卖]进行间接盈利)。
2、本站所有内容均由合作方或网友上传,本站不对文档的完整性、权威性及其观点立场正确性做任何保证或承诺!文档内容仅供研究参考,付费前请自行鉴别。
3、如文档内容存在违规,或者侵犯商业秘密、侵犯著作权等,请点击“违规举报”。

碎片内容

Proe试卷(周家领)

确认删除?
VIP
微信客服
  • 扫码咨询
会员Q群
  • 会员专属群点击这里加入QQ群
客服邮箱
回到顶部