电脑桌面
添加小米粒文库到电脑桌面
安装后可以在桌面快捷访问

氨区设备安装方案VIP免费

氨区设备安装方案_第1页
1/5
氨区设备安装方案_第2页
2/5
氨区设备安装方案_第3页
3/5
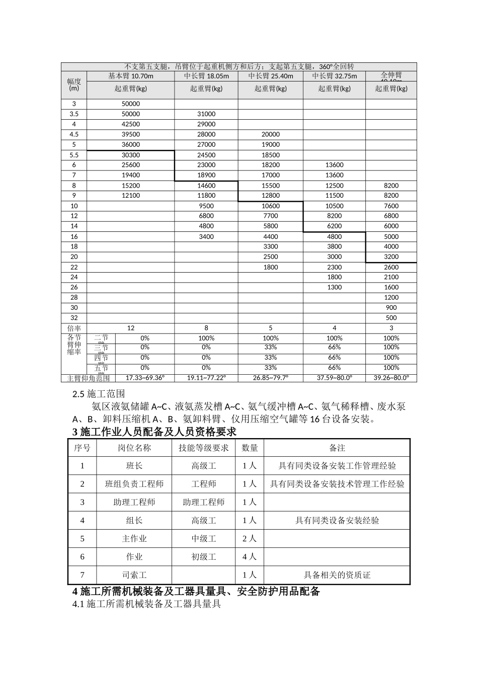
氨区设备安装方案1编制依据1、《J0301脱硝系统设备安装图》(中国大唐集团科技工程有限公司)2、厂家资料(山东彼得、北京博泵、蚌埠中通、连云港恒发)(未发至现场)3、《火电厂烟气脱硝工程施工验收技术规程》DL/T5257-20104、《电力建设安全工作规程(火力发电厂部分)》DL5009.1-20025、《工程建设标准强制性条文(电力工程部分)》2006年版6、本工程施工组织设计2工程概况及施工范围2.1金竹山电厂一期脱硝改造项目新增氨区位于电厂厂区东北部约为52×40m场地上,其东侧、西侧、北侧均为道路,南侧为#3、#4氨区。2.2新增氨区设备一览表2.3260t汽车吊起重量参考下表数据,待确定吊机后更新,序号设备名称尺寸材质数量(台)单重(T)1液氨储罐Ф3500×19000,189m³16MnDR354.0612液氨蒸发槽Ф2000×3000,35m³Q235B35.0593氨气缓冲罐Ф1400×1500,3m³16MnDR(正火)32.0914氨气稀释槽Ф2000X3000,10m³Q345R13.4115废水泵Ф810×100020.1056卸料压缩机27氨卸料臂10.858仪用压缩空气储罐Ф1200X1400,2.1m³Q345R10.9192.450t汽车吊起重量参考下表数据,待确定吊机后更新,2.5施工范围氨区液氨储罐A~C、液氨蒸发槽A~C、氨气缓冲槽A~C、氨气稀释槽、废水泵A、B、卸料压缩机A、B、氨卸料臂、仪用压缩空气罐等16台设备安装。3施工作业人员配备及人员资格要求序号岗位名称技能等级要求数量备注1班长高级工1人具有同类设备安装工作管理经验2班组负责工程师工程师1人具有同类设备安装技术管理工作经验3助理工程师助理工程师1人4组长高级工1人具有同类设备安装经验5主作业中级工2人6作业初级工4人7司索工1人具备相关的资质证4施工所需机械装备及工器具量具、安全防护用品配备4.1施工所需机械装备及工器具量具不支第五支腿,吊臂位于起重机侧方和后方;支起第五支腿,360°全回转幅度(m)基本臂10.70m中长臂18.05m中长臂25.40m中长臂32.75m全伸臂40.10m起重臂(kg)起重臂(kg)起重臂(kg)起重臂(kg)起重臂(kg)3500003.55000031000442500290004.539500280002000053600027000190005.53030024500185006256002300018200136007194001890017000136008152001460015500125008200912100118001280011500820010950010600105007600126800770082006800144800580062006000163400440048005000183300380040002025003000320022180023002600241800210026130016002812003090032500倍率128543各节臂伸缩率二节臂0%100%100%100%100%三节臂0%0%33%66%100%四节臂0%0%33%66%100%五节臂0%0%33%66%100%主臂仰角范围17.33~69.36°19.11~77.22°26.85~79.7°37.59~80.0°39.26~80.0°序号装备名称规格数量备注1汽车吊260t1台2汽车吊50t1台3平板车30t1台4油顶10t1~2个经检验合格5钢直尺1m1~2把6框式水平仪1台经检验合格7常用钳工工具2套经检验合格8水准仪1台经检验合格9水平管1台10线锤2个11钢卷尺5m1件12钢卷尺50m1件5施工条件及施工前准备工作5.1施工图纸及技术资料齐备,并完成了图纸会审及交底。5.2施工技术方案及作业指导书完成编制及可行性论证。5.3施工所需的工机具及材料已准备齐全。5.4设备到货的顺序及时间可以满足连续施工的要求。5.5施工道路畅通,满足设备吊装及运输的需要。5.6现场所有雨水沟、电缆沟均做好防护加固措施。5.7施工所需水、电、气全部布置就绪。5.8平台、走道、楼梯畅通,安全围栏、警示牌齐全。6作业程序、方法及要求6.1作业程序1、将氨区排面以外约7米的场地平整压实,并将液氨储罐A区域周围所有沟道突起全部填平或加固。2、260t汽车吊在液氨储罐A的位置扎腿,方向与液氨储罐长度方向平行,吊机中心线距液氨储罐B中心线6m,距液氨储罐C中心线11m。3、依次将液氨储罐C、液氨储罐B吊装到位。4、260t汽车吊移动至氨区排面处,中心线平行于液氨储罐A中心线,且间距6m,将液氨储罐A吊装到位。5、其他设备由50t汽车吊吊装就位。6.2吊装起重量校核:6.2.1液氨储罐C:260t汽车吊在工作半径11m、26.5m扒杆长度工况起重量69.5t,液氨储罐重量为54.061t,吊钩及钢丝绳重量约1.5t,则260t汽车吊负荷率为:(54.061+1.5)/69.5×100%=79.94%,符合安全要求。6.2.2液氨储罐A、B因以上两设备吊装工作...

1、当您付费下载文档后,您只拥有了使用权限,并不意味着购买了版权,文档只能用于自身使用,不得用于其他商业用途(如 [转卖]进行直接盈利或[编辑后售卖]进行间接盈利)。
2、本站所有内容均由合作方或网友上传,本站不对文档的完整性、权威性及其观点立场正确性做任何保证或承诺!文档内容仅供研究参考,付费前请自行鉴别。
3、如文档内容存在违规,或者侵犯商业秘密、侵犯著作权等,请点击“违规举报”。

碎片内容

氨区设备安装方案

您可能关注的文档

确认删除?
VIP
微信客服
  • 扫码咨询
会员Q群
  • 会员专属群点击这里加入QQ群
客服邮箱
回到顶部