电脑桌面
添加小米粒文库到电脑桌面
安装后可以在桌面快捷访问

地下车库规划VIP免费

地下车库规划_第1页
1/17
地下车库规划_第2页
2/17
地下车库规划_第3页
3/17
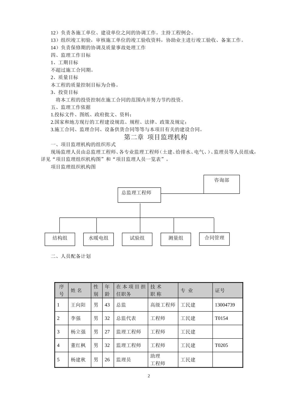
衡水衡建房地产开发有限公司建景家园D座地下车库工程监理规划编制单位:衡水恒远工程项目管理有限公司主持编制:审批人:编制时间:二OO九年十月建景家园D座地下车库工程监理规划一、工程概况1、项目名称:建景家园工程2、建设单位:衡水衡建房地产开发有限公司3、设计单位:衡水北方设计勘察有限责任公司4、施工单位:AB座衡水广厦建筑工程有限公司CD座衡水和利建设集团有限公司5、建设地点:衡水市宝云旗西、河阳路南6、合同质量等级:合格7、项目规模:建筑面积地下二层,层高3米、3.2米,地上18层,层高3米,建筑高度56.2米。A座建筑面积:15447.24平方米,B座建筑面积:20464.94平方米,C座建筑面积:16509.67平方米,D座建筑面积:21695.1平方米结构形式剪力墙结构,工程类别建筑分类为二级,使用年限不低于50年,抗震烈度七度设防,建筑耐火等级为一级屋面防水等级为二级,合理使用年限十五年门窗抗风压性能不低于4级,气密性能分级4级,水密性能不低于4级,保温性能不低于3级,隔声性能不低于3级。节能做法住宅部分体形系数0.245墙体山墙模塑130厚钢丝网架聚苯板保温,其余外墙90厚钢丝网架聚苯板保温不采暖楼梯隔墙30厚聚苯板保温,分户墙200厚钢筋混凝土墙双侧各抹10厚胶粉聚苯颗粒保温。封闭阳台栏板、封闭阳台底层底板和顶层顶板贴50厚膨胀苯板屋面采用100厚膨胀聚苯板保温门窗采用中空玻璃门窗,阳台门下部夹30厚聚苯板,户门30厚膨胀聚苯板。采暖采用分户控制单管串联供暖系统,公用主立管及分户支管均用40厚玻璃棉保护层保温7、合同质量等级:合格二、监理工作范围负责本项目的施工阶段的监理工作,包括本工程的土建、水、电等范围。三、监理工作内容包括:工程质量控制、进度控制、投资控制、合同管理、组织协调、安全文明施工监理等工作。具体内容主要有:1)项目监理机构在项目总监指导下,编制本工程的“监理规划”和各专业“监理实施细则”,作为本工程监理的指导性和操作性文件;2)组织设计技术交底和图纸会审;3)审批工程开工报告,检查施工准备情况,对施工单位及选择的分包单位进行资格审查;4)审核施工单位提交的施工组织设计、施工技术方案及,并检查落实情况;5)审查施工单位提出的工程总进度计划、年度、月度施工计划和工程进度报告。6)审查施工单位提出的工程项目各阶段及各年、季、月度资金使用计划并控制其执行。审核施工单位申报的工程款与签证,审核工程结算。7)采用旁站、巡视、平行检查手段监督施工单位严格按照工程技术标准、施工规范及操作规程施工;8)审核施工单位提出的材料、构配件及设备的采购计划,检查其型号、规格和质量标准,严格检查主要材料、构配件及设备的出厂合格证明、材质报告,对进场材料进行见证取样送检,对进场材料及设备进行控制。9)隐蔽验收和分部分项验收10)处理工程质量事故11)控制现场的安全文明施工。112)负责各施工单位、建设单位之间的协调工作。主持工程例会。13)组织竣工初验,审核施工单位的竣工验收资料,协助业主进行竣工验收、备案工作。14)负责保修期的协调及质量事故处理工作四、监理工作目标1、工期目标不超过施工合同期。2、质量目标本工程的质量控制目标为合格。3、投资目标将本工程的投资控制在施工合同的范围内并努力节约投资。五、监理工作依据1.投标文件、图纸、政府批文、资料;2.国家和地方现行的工程建设规范、规程、法律、政策及规定;3.施工合同、监理合同、设备供货合同等等与本项目有关的建设合同。第二章项目监理机构一、项目监理机构的组织形式现场监理人员由总监理工程师、各专业监理工程师(土建、给排水、电气、)、监理员等人员组成,详见“项目监理组织机构图”和“项目监理人员一览表”。项目监理组织机构图二、人员配备计划序号姓名性别年龄在本项目担任职务技术职称专业证号1王向阳男43总监高级工程师工民建130047392李强男32总监代表工程师工民建T01543杨立强男27监理工程师工程师工民建4董红枫男32监理工程师工程师工民建T02055杨建秋男26监理员助理工程师工民建2结构组水暖电组试验组测量组合同管理咨询部总监理工程师三、项目监理机构的人员岗位职责(一...

1、当您付费下载文档后,您只拥有了使用权限,并不意味着购买了版权,文档只能用于自身使用,不得用于其他商业用途(如 [转卖]进行直接盈利或[编辑后售卖]进行间接盈利)。
2、本站所有内容均由合作方或网友上传,本站不对文档的完整性、权威性及其观点立场正确性做任何保证或承诺!文档内容仅供研究参考,付费前请自行鉴别。
3、如文档内容存在违规,或者侵犯商业秘密、侵犯著作权等,请点击“违规举报”。

碎片内容

地下车库规划

确认删除?
VIP
微信客服
  • 扫码咨询
会员Q群
  • 会员专属群点击这里加入QQ群
客服邮箱
回到顶部