电脑桌面
添加小米粒文库到电脑桌面
安装后可以在桌面快捷访问

LED基本工作原理VIP免费

LED基本工作原理_第1页
1/6
LED基本工作原理_第2页
2/6
LED基本工作原理_第3页
3/6
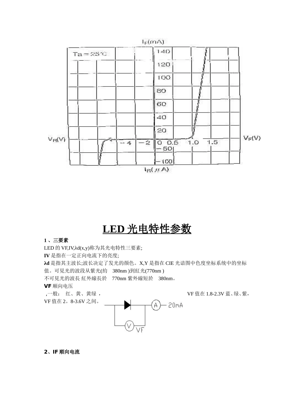
LED部分基本工作原理1LED的原理概述发光二极管主要由PN结芯片、电极和光学系统组成。其发光体--晶片的尺寸一般为8.9.10.12..13.14mil(1mil=0.0254毫米),目前市面上晶片尺寸越来越大,超过40mil。其发光过程包括三部分:正向偏压下的载流子注入、复合辐射和光能传输。当电子经过该晶片时,带负电的电子移动到带正电的空穴区域并与之复合,电子和空穴消失的同时产生光子。电子和空穴之间的能量(带隙)越大,产生的光子的能量就越高。光子的能量反过来与光的颜色对应,可见光的频谱范围内,蓝色光、紫色光携带的能量最多,桔色光、红色光携带的能量最少。由于不同的材料具有不同的带隙,从而能够发出不同颜色的光。P--AnodeN--Cathode2发光二极管的伏安特性顺向电压(VF)v.s.顺向电流(IF);逆向电压(VR)v.s.逆向电流(IR);LED是电流驱动元件,非电压驱动元件;测试时,VR=5V时,IR<10μA也就是说:IR=10μA时,VR>5V;电流从正极PIN脚流入,经金线流至芯片正极(P极),再流至芯片P/N结,从而激发芯片发光(芯片为P/N结处发光),再流至N结,至杯底后经短脚流出,而形成一完整的封闭电路通常芯片设计时考虑其正常工作电流为20mA,因此,使用发光二极管及生产测试时,通过发光二极管的电流均为20mA,此电流称为正向电流(If)。伏安特性曲线图LED光电特性参数1、三要素LED的VF,IV,λd(x,y)称为其光电特性三要素;IV是指在一定正向电流下的亮度;λd是指其主波长;波长决定了发光的颜色。X,Y是指在CIE光谙图中色度坐标系统中的坐标值。可見光的波段从紫光(約380nm)到紅光(770nm)不可見光的波長紅外線長於770nm紫外線短於380nm。VF顺向电压,一般:红、黄、黄绿,VF值在1.8-2.3V蓝、绿、紫,VF值在2。8-3.6V之间。2、IF顺向电流IF值通常为20mA被设为一个测试条件和常亮时的一个标准电流.IF增大时LAMP的颜色、亮度、VF特性及工作温度均会受到影响,它是正常工作时的一个先决条件,IF值增大:寿命缩短、VF值增大、波长偏低、温度上升、亮度增大、角度不变.3、.VR反向电压由于LAMP是二极管具有单向导电特性,反向通电时反向电流为0,而反向电压高到一定程度时会把二极管击穿,刚好能把二极管击穿的电压称为反向崩溃电压,可以用“VR”来表示。VR特性:1>VR是衡量P/N结反向耐压特性,当然VR赿高赿好;RYYGOVR可以做到20-40V红、黄、黄绿等四元晶片反向电压可做到15-20V。BPG可以做到5V以上.2IR(反向加电压时流过的电流)特性:①IR是反映二极管的反向特性,IR值太大说明P/N结特性不好,快被击穿;IR值太小或为0说明二极管的反向很好;IR一般要求是10ūA以下。②通常IR值较大时VR值相对会小,IR值较小时VR值相对会大;③IR的大小与晶片本身和封装制程均有关系,制程主要体现在银胶过多或侧面沾胶,双线材料焊线时焊偏,静电亦会造成反向击穿,使IR增大。4、IV(LAMP的发光强度,称为亮度)指LAMP有流过电流时的光强,单位一般用毫烛光(mcd)来衡量,1000mcd=1cd由于一批晶片做出的LAMP光强均不相同,封装厂商会将其按不同的等级分类,分为低、中、高等多个等级,而LAMP的价格也与其亮度大小有关系。同一亮度LAMP顺向电流越大,亮度越高。亮度还跟角度有关系,同样物料角度越大亮度越低,角度越小,亮度越高,所以要求亮度的同时要考虑到角度的大小.5、光通量(Luminousflux,Φ)指光源每秒钟所发出的量之总和,单位为:流明(lumen,lm)一般钨丝灯泡的发光效率在6-25Lm/w之间,日光灯的发光效率在45-95Lm/w之间。目前LED超过100LM/W.,6、照度(illuminance)单位勒克斯(Lux,lx)照度是光通量与被照面之比值。1lumen之光通量均匀分布在面积为一平方米之区域。照度(Luminosity)指物体被照亮的程度,采用单位面积所接受的光通量来表示,表示单位为勒[克斯](Lux,lx),即1m/m2。1勒[克斯]等于1流[明](lumen,lm)的光通量均匀分布于1m2面积上的光照度。照度是以垂直面所接受的光通量为标准,若倾斜照射则照度下降。7、W/D(主波长,单位是nm,纳米)LAMP正常工作时的颜色特性,通常用W/D来衡量颜色的变化特性,在电流和温度不同的情况下主波长测试值均不相同的,我公司将W/D按不同的等级分类。并用不同的字母表示.8...

1、当您付费下载文档后,您只拥有了使用权限,并不意味着购买了版权,文档只能用于自身使用,不得用于其他商业用途(如 [转卖]进行直接盈利或[编辑后售卖]进行间接盈利)。
2、本站所有内容均由合作方或网友上传,本站不对文档的完整性、权威性及其观点立场正确性做任何保证或承诺!文档内容仅供研究参考,付费前请自行鉴别。
3、如文档内容存在违规,或者侵犯商业秘密、侵犯著作权等,请点击“违规举报”。

碎片内容

LED基本工作原理

您可能关注的文档

确认删除?
VIP
微信客服
  • 扫码咨询
会员Q群
  • 会员专属群点击这里加入QQ群
客服邮箱
回到顶部