电脑桌面
添加小米粒文库到电脑桌面
安装后可以在桌面快捷访问

CR633X应用设计指导书V1.3VIP免费

CR633X应用设计指导书V1.3_第1页
1/14
CR633X应用设计指导书V1.3_第2页
2/14
CR633X应用设计指导书V1.3_第3页
3/14
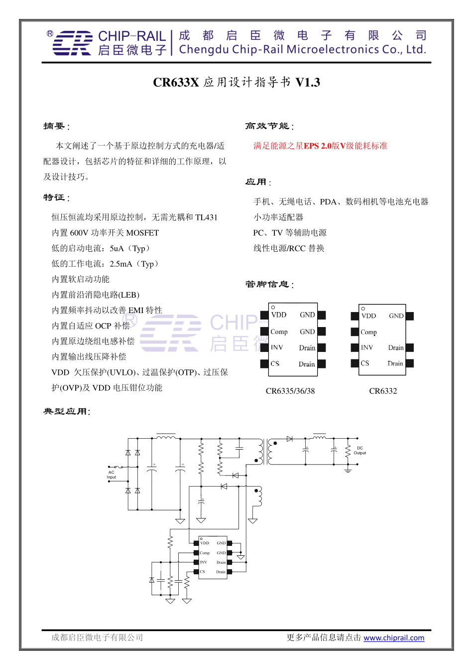
成都启臣微电子有限公司更多产品信息请点击www.chiprail.comCR633X应用设计指导书V1.3摘要:本文阐述了一个基于原边控制方式的充电器/适配器设计,包括芯片的特征和详细的工作原理,以及设计技巧。特征:恒压恒流均采用原边控制,无需光耦和TL431内置600V功率开关MOSFET低的启动电流:5uA(Typ)低的工作电流:2.5mA(Typ)内置软启动功能内置前沿消隐电路(LEB)内置频率抖动以改善EMI特性内置自适应OCP补偿内置原边绕组电感补偿内置输出线压降补偿VDD欠压保护(UVLO)、过温保护(OTP)、过压保护(OVP)及VDD电压钳位功能高效节能:满足能源之星EPS2.0版V级能耗标准应用:手机、无绳电话、PDA、数码相机等电池充电器小功率适配器PC、TV等辅助电源线性电源/RCC替换管脚信息:CR6335/36/38CR6332典型应用:���C������CS��������������������C���put��DCOutputCR633X应用设计指导书成成都启臣微电子有限公司更多产品信息请点击www.chiprail.com2内部框图:CR633X应用说明:型号MOSFETRDS(ON)最大输出功率封装推荐应用领域90Vac~264Vac230VacCR63323.5Ω10W12WSOP7充电器,小功率适配器,LED驱动线性电源/RCC替换CR63359.0Ω6W7WSOP8CR63368.5Ω8W9WDIP8CR63384.5Ω12W15WDIP8应用指导:CR633X系列采用反激式电路结构,输出和输入高压使用变压器隔离。在这种反激拓扑中,开关管导通时,变压器储存能量,负载电流由输出电容提供;开关管关断时,变压器将储存的能量传递到负载和输出滤波电容,以补偿电容单独提供负载电流所消耗的能量。一、启动电路1.传统启动电源上电开机时,通过启动电阻RIN为VDD端的电容C1充电,直到VDD端电压达到芯片的启动电压VDD_ON时芯片启动并且驱动整个电源系统工作。CR633X应用设计指导书成成都启臣微电子有限公司更多产品信息请点击www.chiprail.com3图1典型启动电路在这个过程中,最大启动延迟时间可用下式计算:__1_ln1DDONDONINDCDDSTINVTRCVIR……………………(1)由于芯片具有低启动电流的特性且考虑到空载的系统损耗,RIN可取较大值,具体值可在1.5MΩ~3MΩ范围内选取,C1推荐选用10uF/50V。另外,还有一种整流前启动方式,启动电阻RIN接在整流前,这种方式可降低待机功耗,提高效率,但启动延迟时间变长。这里不做说明,请参阅相关资料。2.快速启动如果需要系统具有更快的启动时间且在系统成本允许的情况下,可采用如下电路:图2快速启动电路在这个电路中C1的值可以取得较小(但需要考虑系统的稳定性),RIN的值可以取得较大。这样既可缩短系统的启动时间同时也可降低系统空载时的损耗。启动电阻RI上最大损耗:22,,,INDCMAXDDDCMAXRMAXININVVVPRR…………………………(2)其中,VDC,MAZ是最大输入整流后电压对于一个通用输入(90Vac~264Vac),VDC,MAX=384VCR633X应用设计指导书成成都启臣微电子有限公司更多产品信息请点击www.chiprail.com462,374931.510INRMAXPmW………………………………………(3)二.变压器设计CR633X采用原边反馈控制,在任何情况下,变压器电感电流必须工作在DCM模式。下列为宽电压输入,电感电流工作在DCM模式的设计。1.输入存储电容对于宽电压范围输入,输入存储电容CIN按2~3uF/Watt输出功率选取;230V窄电压整流输入,CIN按1uF/Watt输出功率选取。2.最小和最大直流输入电压21222OCLMINACMININPtfVVC…………………(4)2MAXACMAXVV……………………………………………………(5)其中,fL为输入交流电压频率;tC为桥式整流大额导通时间,可取3ms。所有单位分别为伏特、瓦特、赫兹、秒、法拉第。3.VOR和DMAXCR633X系列反射电压VOR设计在60V~80V。建议DMAX取0.45以下。()ORMAXPMINDSORVDKVVV……………………………………(6)其中,KP应始终大于1,KP表示非连续导通模式,并且是初级MOSFET关断时间与次级二极管导通时间的比例。VDS取10V;注意:为了实现正确调节,CR633X要求电源在非连续导通模式下工作。在CV应用时,次级二极管导通时间一旦超过周期的一半,则开关频率将降低。为了在最大输出功率时,...

1、当您付费下载文档后,您只拥有了使用权限,并不意味着购买了版权,文档只能用于自身使用,不得用于其他商业用途(如 [转卖]进行直接盈利或[编辑后售卖]进行间接盈利)。
2、本站所有内容均由合作方或网友上传,本站不对文档的完整性、权威性及其观点立场正确性做任何保证或承诺!文档内容仅供研究参考,付费前请自行鉴别。
3、如文档内容存在违规,或者侵犯商业秘密、侵犯著作权等,请点击“违规举报”。

碎片内容

CR633X应用设计指导书V1.3

确认删除?
VIP
微信客服
  • 扫码咨询
会员Q群
  • 会员专属群点击这里加入QQ群
客服邮箱
回到顶部