电脑桌面
添加小米粒文库到电脑桌面
安装后可以在桌面快捷访问

智能化变电站 110-C-8方案VIP专享VIP免费

智能化变电站 110-C-8方案_第1页
1/65
智能化变电站 110-C-8方案_第2页
2/65
智能化变电站 110-C-8方案_第3页
3/65
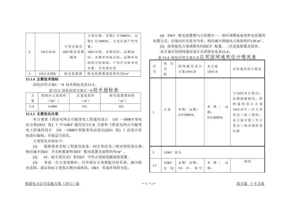
第五篇110kV变电站通用设计深化应用方案(110-C-8方案)第15章设计说明15.1总的部分110kV变电站通用设计深化应用方案第五篇描述的是110-C-8方案。本方案110kV采用单母线分段接线,出线4回;35kV采用单母线分段接线,出线6回;10kV采用单母线分段接线,出线28回,主变压器远期为2台50MVA三相三绕组变压器和1台50MVA三相双绕组变压器,本期2台三相三绕组变压器,每台主变压器配置2组10kV电容器。110kV配电装置采用户外软母线普通中型布置,35kV配电装置采用户内高压开关柜单列布置,10kV配电装置采用户内高压开关柜双列布置,主变压器及电容器组采用户外布置。变电站采用计算机监控系统,无人值班管理模式。15.1.1适用场合(1).人口密度较低,土地征用费用较低的地区;(2).站址选择较为容易的地区;(3).无特殊地形条件地区;(4).中地震烈度地区;(5).中度大气污染地区。15.1.2技术条件深化应用方案C-8的建设规模及技术条件见表15-1。表15-1深化应用方案C-8的建设规模及技术条件序号项目名称技术条件1主变压器本期2台50MVA主变压器,远期3台序号项目名称技术条件50MVA2出线规模110kV:本期2回,远期4回,架空出线35kV:本期6回,远期6回,电缆出线10kV:本期16回,远期28回,电缆出线3电气主接线110kV本期为单母分段接线,远期为单母分段接线,35kV本期为单母分段接线,远期为单母分段接线,10kV本期为单母线三分段接线,远期为单母四分段接线4无功补偿装置每台主变配置2组10kV电容器,容量为3.6Mvar和4.8Mvar5短路电流110、35、10kV分别为31.5、25、25(20)kA6主要设备选型主变压器采用三相三绕组有载调压自冷式变压器和三相双绕组有载调压自冷式变压器110kV:断路器选用SF6断路器,隔离开关选用双柱水平旋转式,电流互感器选用油浸正立式电流互感器,电压互感器选用福建电力公司实施方案(2011)版·Ⅴ-1·第五篇C-8方案序号项目名称技术条件电容式电压互感器,避雷器选用氧化锌避雷器35kV选用金属铠装中置式开关柜,配真空断路器10kV选用金属铠装中置式开关柜,配真空断路器10kV电容器选用户外框架式成套装置10kV接地变及消弧线圈选用干式电气设备7配电装置主变压器户外布置110kV户外软母线普通中型,架空出线35kV开关柜户内双列布置,电缆出线10kV开关柜户内双列布置,电缆出线10kV电容器户外布置,电缆进线8监控系统采用常规互感器+合并单元实现采样值数字化、采用一次设备(开关)+智能终端方案实现一次设备智能化、采用基于DL/T860标准的变电站自动化系统实现二次设备网络化。主变保护采用主、后备保护测控一体化装置,除110kV备自投保护装置外,其余均采用保护测控一体化装置。10kV采用保护、测控、计量、录波四合一装置下放开关柜,其余保护测控装置集中组屏布置。序号项目名称技术条件9土建部分站区围墙内面积0.5020hm2,总建筑面积572.8m210站址基本条件地震动峰值加速度0.1g,设计风速30m/s,地基承载力特征值fak=150kPa,无地下水影响,非采暖区设计,假设场地为同一标高,d1级污秽区设计15.1.3模块内容说明深化应用方案C-8按照模块化设计,共设计了110kV配电装置、35kV配电装置及10kV配电装置、配电装置楼等基本模块。基本模块内容说明见表15-2。表15-2基本模块内容说明序号基本模块编号基本模块名称基本模块描述1110-C-8-110110kV配电装置模块110kV远期出线4回,本期2回,主变进线2回,单母线分段接线。采用户外软母线普通中型布置,瓷柱式断路器,架空出线。2110-C-8-3535kV配电装置模块35kV远期出线6回,本期6回,单母线分段接线。采用户内开关柜单列布置,电缆、架空混合出线。福建电力公司实施方案(2011)版·Ⅴ-2·第五篇C-8方案2110-C-8-10主变压器及10kV配电装置模块主变压器:本期2台50MVA,远期3台50MVA,主变压器户外布置;10kV出线:本期16回,远期24回,本期单母线分段,远期单母线四分段接线,户内开关柜双列布置,全电缆出线3110-C-8-ZHL配电装置楼配电装置楼建筑面积555m215.1.4主要技术指标深化应用方案C-8技术指标见表15-3。表15-3深化应用方案C-8技术指标表方案围墙内占地面积(hm2)总建筑面积(m2)配电装置楼面积(m2)C-80.489055555515.1.5...

1、当您付费下载文档后,您只拥有了使用权限,并不意味着购买了版权,文档只能用于自身使用,不得用于其他商业用途(如 [转卖]进行直接盈利或[编辑后售卖]进行间接盈利)。
2、本站所有内容均由合作方或网友上传,本站不对文档的完整性、权威性及其观点立场正确性做任何保证或承诺!文档内容仅供研究参考,付费前请自行鉴别。
3、如文档内容存在违规,或者侵犯商业秘密、侵犯著作权等,请点击“违规举报”。

碎片内容

智能化变电站 110-C-8方案

确认删除?
VIP
微信客服
  • 扫码咨询
会员Q群
  • 会员专属群点击这里加入QQ群
客服邮箱
回到顶部