电脑桌面
添加小米粒文库到电脑桌面
安装后可以在桌面快捷访问

热浸镀锌冷弯方管罐道及销齿操车成套设备VIP免费

热浸镀锌冷弯方管罐道及销齿操车成套设备_第1页
1/5
热浸镀锌冷弯方管罐道及销齿操车成套设备_第2页
2/5
热浸镀锌冷弯方管罐道及销齿操车成套设备_第3页
3/5
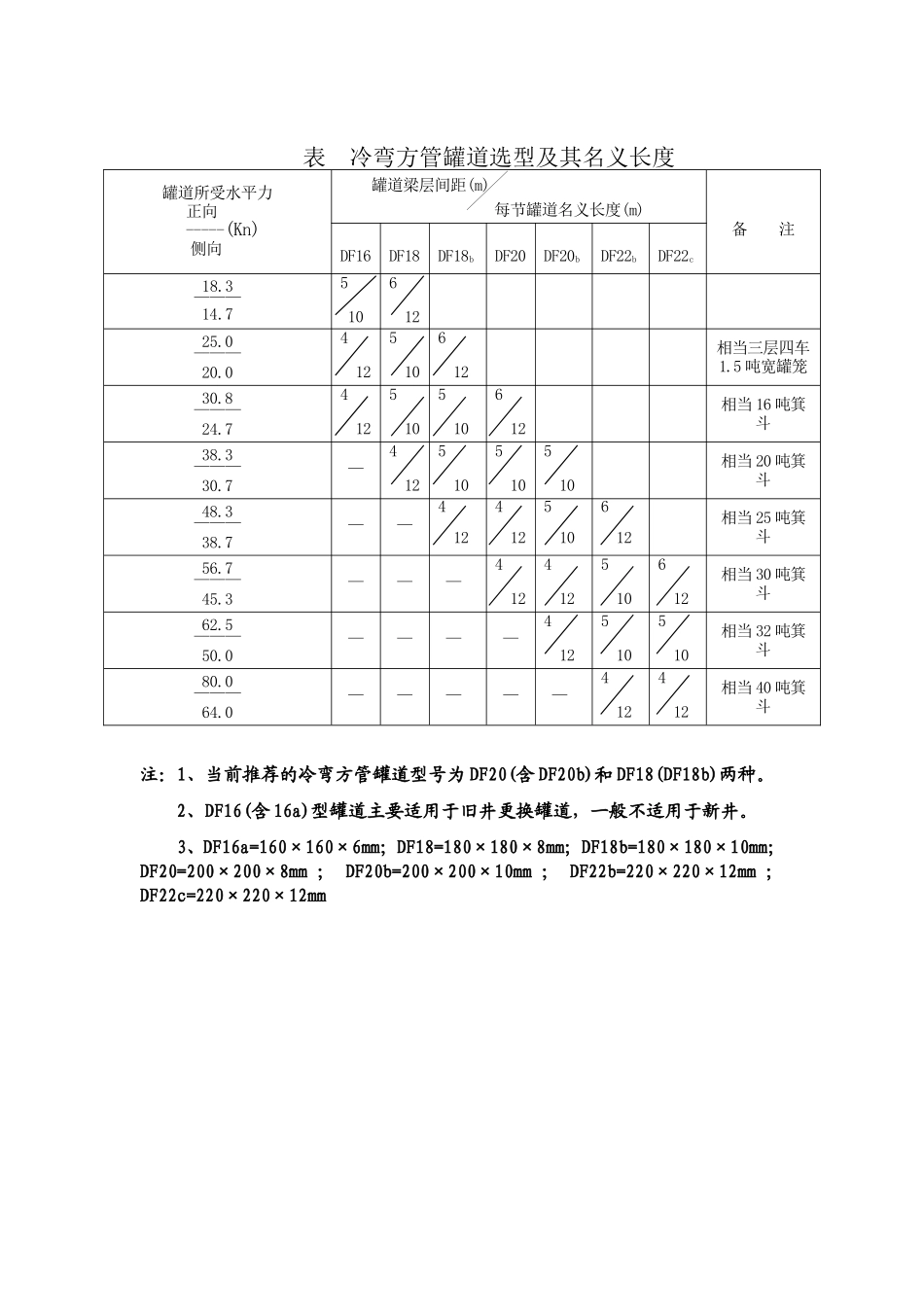
热浸镀锌冷弯方管罐道用途:罐道是立井提升容器在井筒中上下运行的导向轨特点:由大型连续辊式冷弯机组一次轧制成型;采用高频融化焊接、超声波探伤、数码技术控制产品精度;采用箱型结构、受力好、单位长度重量轻、材料利用率高、投资低;热浸镀锌防腐,性能好,使用寿命在30年以上。技术指标:a.截面边长尺寸偏差±1.3mm;b.截面两邻边夹角垂直度偏差小于±1º;c.截面四圆角外圆弧半径偏差±20%;d.弯曲度偏差为0.2%,绝对值小于6mm;e.扭转值偏差小于0.05%;f.截面对角线长度互差小于3mm。表冷弯方管罐道选型及其名义长度注:1、当前推荐的冷弯方管罐道型号为DF20(含DF20b)和DF18(DF18b)两种。2、DF16(含16a)型罐道主要适用于旧井更换罐道,一般不适用于新井。3、DF16a=160×160×6mm;DF18=180×180×8mm;DF18b=180×180×10mm;DF20=200×200×8mm;DF20b=200×200×10mm;DF22b=220×220×12mm;DF22c=220×220×12mm罐道所受水平力正向-----(Kn)侧向罐道梁层间距(m)每节罐道名义长度(m)备注DF16DF18DF18bDF20DF20bDF22bDF22c18.3———14.751061225.0———20.0412510612相当三层四车1.5吨宽罐笼30.8———24.7412510510612相当16吨箕斗38.3———30.7—412510510510相当20吨箕斗48.3———38.7——412412510612相当25吨箕斗56.7———45.3———412412510612相当30吨箕斗62.5———50.0————412510510相当32吨箕斗80.0———64.0—————412412相当40吨箕斗销齿操车成套设备用途:用于罐笼井提升的煤矿及其它矿山井上、下车场操车作业。原理:由推车机、阻轮式阻车器、摇台、安全门以及销齿操车集中液压系统和销齿操车设备电控装置等部分相互配合,实现机电液一体化操车作业。特点:结构简单,性能可靠,布置简单;设备少、功能全、效率高,容易维护;实现机械化操车、自动化控制,推车机可进罐作业,电控装置逻辑闭锁,整个车场全液压驱动,机电液一体化。表1、销齿推车机技术特征序号名称单位规格井上井下1轨距mm6002额定推拉力N150003推车运行速度m/s0.5~1.54最大爬坡角度度7.55最大操车行程mm10055130606液压马达型号6K-490排量ml/r490最大工作压力MPa16.0最大扭力Nm14457型号CXC表2、摇台技术特征序号名称单位规格井上井下1轨距mm6002摇臂长度进车侧mm8002300出车侧mm80028003进出车侧轨面高度mm752504调节高度mm1505005液压缸型号G1活塞直径mm50工作行程mm350工作压力MPa166型号YC6/0.8YC6/2.3表3、安全门技术特征序号名称单位规格井上井下1轨距mm6002罐笼中心距N20603支架间距mm450043004导轨距轨面高度25005运行速度m/s0.2~1.06液压马达型号JS-100排量ml/r100最大工作压力MPa16最大扭力Nm3007型号MPL表4、阻车器技术特征序号名称单位规格井上井下1轨距mm6002矿车轨距t1、1.53允许最大变形能Nm78004阻爪最大位移mm1005液压缸型号S1活塞直径mm50工作行程mm220工作压力MPa166型号ZC6/7.8注:本技术特征为一般标准,具体参数可根据矿井实际情况设计。

1、当您付费下载文档后,您只拥有了使用权限,并不意味着购买了版权,文档只能用于自身使用,不得用于其他商业用途(如 [转卖]进行直接盈利或[编辑后售卖]进行间接盈利)。
2、本站所有内容均由合作方或网友上传,本站不对文档的完整性、权威性及其观点立场正确性做任何保证或承诺!文档内容仅供研究参考,付费前请自行鉴别。
3、如文档内容存在违规,或者侵犯商业秘密、侵犯著作权等,请点击“违规举报”。

碎片内容

热浸镀锌冷弯方管罐道及销齿操车成套设备

您可能关注的文档

确认删除?
VIP
微信客服
  • 扫码咨询
会员Q群
  • 会员专属群点击这里加入QQ群
客服邮箱
回到顶部