电脑桌面
添加小米粒文库到电脑桌面
安装后可以在桌面快捷访问

影响电阻的因素VIP免费

影响电阻的因素_第1页
1/8
影响电阻的因素_第2页
2/8
影响电阻的因素_第3页
3/8
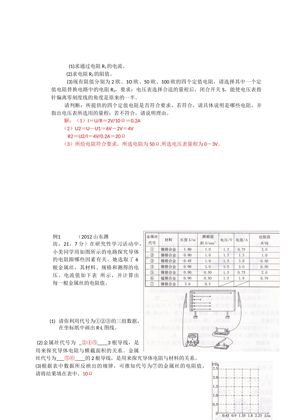
影响电阻的因素1、(2013广东番禺一模,24)(10分)(1)小明利用如图1电路,探究“导体电阻的大小与其横截面积的关系”,图中甲、乙、丙是镍铬合金丝,甲、乙长度相同,乙、丙粗细相同。实验中,根据____电流大小可判断接入M、N两点间电阻的大小,其中阻值最大的电阻丝是___丙___.(2)小明设计的模拟调光灯电路如图2,回形针和铅笔芯构成一个滑动变阻器,请在右面方框内画出电路图。闭合开关后,移动回形针,发现灯泡发光,但亮度几乎不变,产生这一现象的原因可能是(D)A.灯泡被短路B.电源断路C.灯泡的阻值太大D.铅笔芯的总阻值太小(3)如表格中电路图所示,闭合开关S后,发现两灯均不亮,其中一个灯损坏,现提供导线、电压表,请选用上述器材进行检测。2、(2012山东聊城一模,24)(12分)在“探究导体的电阻跟哪些因素有关”的实验中:甲同学的猜想是:电阻可能与导体的材料有关。乙同学的猜想是:电阻可能与导体的长度有关。丙同学的猜想是:电阻可能与导体的横截面积有关。(1)现有金属材料甲和金属材料乙制成的各种不同规格的金属丝,规格如表。选用导线A和B进行实验,可以探究___丙____(选填“甲”、“乙”或“丙”)同学的猜想。要想探究甲同学的猜想应该选用____B、C______(选表格中金属丝的字母代号)两根导线进行实验。(2)小明设计了如图甲所示电路,为判断a、b两点间与线电阻的大小,小明应注意观察___电流表示数大小________,具体指明该方案存在的不足_____应该有限制电流大小定值电阻或滑动变阻器_____________________________________________________________________________________________.(3))小红设计了如图乙所示的电路,当她将一段导线接入a、b两点间并闭合开关后发现灯不亮,经检查电路无断路、短路故障,你认为灯不亮的原因是__a、b段导体电阻过大(或电源电压过低以及灯泡本身是坏的)。(4)小刚设计了如图丙所示电路,该电路中灯泡的作用确哪些?①_____限制电流中电流大小。②______观察灯泡亮度初步判断电路中电流的大小。(5)小刚想用图丙的电路验证“在电压相同时,流过导钵的电流跟电阻成反比”,于是选用了几个阻值不同的定值电阻分别先后接人a、b两点间。你认为小刚的方案是否可行?请加以解释?____这个方案不可行。因为当更换了电阻后,整个电路的电流会发生变化,灯泡分得的电压会变化,电阻两端的电压是变化的,而不是相同的。8.(2012江苏盐城联考,22)(12分)在做“伏安法测量定值电阻”的实验中,小明同学设计了如图甲所示的电路,请你完威下列问题。(1)该实验的原理是___R=U/I_______。(2)连接电路时,应将开关______;闭合开关前,滑动变阻器的滑片应滑到最___右___端(填“左”或“右”)。(3)连接完电路后,闭合开关,无论怎样移动滑片,电流表指针均无偏转,电压表的指针有明显偏转,这可能是由于_____电阻R__断路造成的。(4)调节滑动变阻器,把测量的几组数据描成图乙所示的图象,则该电阻的阻值R=___3__Ω。(5)完成上述实验后,小明还想测量一段电炉丝的电阻Rx,可是在连接电路时,发现电流表和滑动变阻器都已损坏。于是小明就利用刚才已测得的定值电阻R,重新设计并连接了如图所示的电路。电源电压未知且恒定不变。请把下列实验步骤补充完整:只闭合开关S1_测出RX两端的电压U1;同时闭合S1、S2再次测出RX两端的电压,此时电压为电源电压U2。电阻表达式:Rx=_U1*R/(U2-U1)。12.(2013上海金山一模,22)(9分)在图甲所示的电路中,电源电压保持6伏不变,R的阻值为10欧。闭合开关S,电压表的示数如图乙所示。(1)求通过电阻R1的电流。(2)求电阻R2的阻值。(3)现有阻值分别为2欧、1O欧、50欧、100欧的四个定值电阻,请选择其中一个定值电阻替换电路中的电阻R2,要求:电压表选择合适的量裎后,闭合开关S,能使电压表指针偏离零刻度线的角度是原来的一半。请判断:所提供的四个定值电阻是否符合要求,若符合,请具体说明是哪些电阻,并指出电压表所选用的量程;若不符合,请说明理由。解:(1)I=U/R=2V/10Ω=0.2A(2)U2=U-U1=6V-2V=4VR2=U2/I=4V/0.2A=20Ω(3)所给电阻符合要求,所选电阻为50Ω.所选电压...

1、当您付费下载文档后,您只拥有了使用权限,并不意味着购买了版权,文档只能用于自身使用,不得用于其他商业用途(如 [转卖]进行直接盈利或[编辑后售卖]进行间接盈利)。
2、本站所有内容均由合作方或网友上传,本站不对文档的完整性、权威性及其观点立场正确性做任何保证或承诺!文档内容仅供研究参考,付费前请自行鉴别。
3、如文档内容存在违规,或者侵犯商业秘密、侵犯著作权等,请点击“违规举报”。

碎片内容

影响电阻的因素

您可能关注的文档

百万精品文库+ 关注
实名认证
内容提供者

学习课件教案小学中学资料大全

确认删除?
VIP
微信客服
  • 扫码咨询
会员Q群
  • 会员专属群点击这里加入QQ群
客服邮箱
回到顶部