电脑桌面
添加小米粒文库到电脑桌面
安装后可以在桌面快捷访问

DTSD341-MB3说明书VIP专享VIP免费

DTSD341-MB3说明书_第1页
1/25
DTSD341-MB3说明书_第2页
2/25
DTSD341-MB3说明书_第3页
3/25
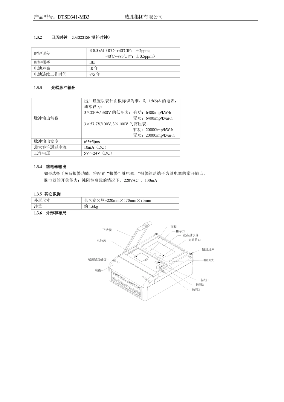
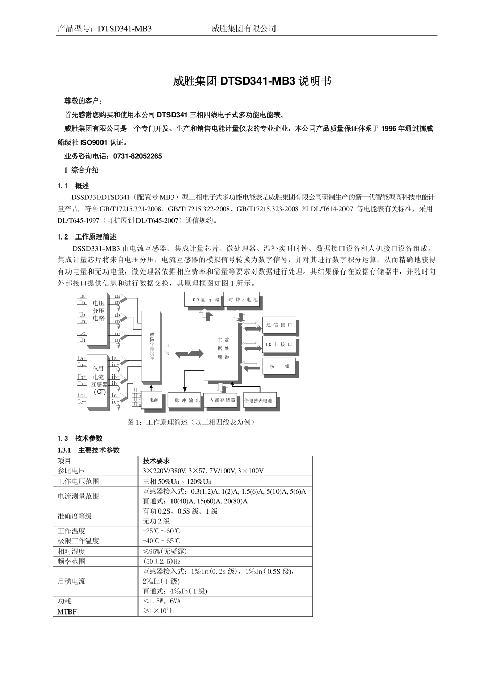
产品型号:DTSD341-MB3威胜集团有限公司威胜集团DTSD341-MB3说明书尊敬的客户:首先感谢您购买和使用本公司DTSD341三相四线电子式多功能电能表。威胜集团有限公司是一个专门开发、生产和销售电能计量仪表的专业企业,本公司产品质量保证体系于1996年通过挪威船级社ISO9001认证。业务咨询电话:0731-820522651综合介绍1.1概述DSSD331/DTSD341(配置号MB3)型三相电子式多功能电能表是威胜集团有限公司研制生产的新一代智能型高科技电能计量产品,符合GB/T17215.321-2008、GB/T17215.322-2008、GB/T17215.323-2008和DL/T614-2007等电能表有关标准,采用DL/T645-1997(可扩展到DL/T645-2007)通信规约。1.2工作原理简述DSSD331-MB3由电流互感器、集成计量芯片、微处理器、温补实时时钟、数据接口设备和人机接口设备组成。集成计量芯片将来自电压分压,电流互感器的模拟信号转换为数字信号,并对其进行数字积分运算,从而精确地获得有功电量和无功电量,微处理器依据相应费率和需量等要求对数据进行处理。其结果保存在数据存储器中,并随时向外部接口提供信息和进行数据交换,其原理框图如图1所示。LCD显示器Ia+Ia-Ib+Ib-Ic+Ic-仪用电流互感器(CT)ia-ia+ib-ib+ic-ic+主数据处理器UaUbUnUcUn电压分压电路Unuaunununubuc通信接口IC卡接口内部存储器时钟/电池脉冲输出按钮集成计量芯片停电抄表电池电源aUbUUUcn图1:工作原理简述(以三相四线表为例)1.3技术参数1.3.1主要技术参数项目技术要求参比电压3×220V/380V,3×57.7V/100V,3×100V工作电压范围三相50%Un~120%Un电流测量范围互感器接入式:0.3(1.2)A,1(2)A,1.5(6)A,5(10)A,5(6)A直通式:10(40)A,15(60)A,20(80)A准确度等级有功0.2S、0.5S级、1级无功2级工作温度-25℃~60℃极限工作温度-40℃~65℃相对湿度≤95%(无凝露)频率范围(50±2.5)Hz启动电流互感器接入式:1‰In(0.2s级),1‰In(0.5S级),2‰In(1级)直通式:4‰Ib(1级)功耗<1.5W,6VAMTBF≥1×105h产品型号:DTSD341-MB3威胜集团有限公司1.3.2日历时钟(DS3231SN温补时钟)时钟误差≤0.5s/d(0℃~+40℃时:±2ppm;-40℃~+85℃时:±3.5ppm)时钟频率1Hz电池寿命10年电池连续工作时间≥5年1.3.3光耦脉冲输出脉冲输出常数出厂设置以表计面板标识为准。对1.5(6)A的电表,通常设为:3×220V/380V的低压表:有功:6400imp/kW·h无功:6400imp/kvar·h3×57.7V/100V,3×100V的高压表:有功:20000imp/kW·h无功:20000imp/kvar·h脉冲输出宽度(65±5)ms最大容许通过电流10mA(DC)工作电压5V~24V(DC)1.3.4继电器输出如果选择了负荷报警功能,将配置“报警”继电器,“报警辅助端子为继电器的常开触点。继电器的开关能力:纯阻性负载的情况下,220VAC,130mA1.3.5其它数据外形尺寸长×宽×厚=220mm×170mm×75mm净重约1.6kg1.3.6外形和布局端盖端盖铅封螺钉下透镜电池盖指示灯面板铅封堵塞液晶显示屏按钮1按钮2按钮3光通信口产品型号:DTSD341-MB3威胜集团有限公司1.3.7安装尺寸1.3.8主端子接线图987654321三相四线经电压.电流互感器接入式接线图NBACAC85~265V辅助电源输出入输AC85~265V辅助电源输入输出三相四线经电流互感器接入式接线图1CNBA2345678910213546879输入输出ABCNABCN三相四线直接接入式接线图出输输入987654321三相三线经电压.电流互感器接入式接线图ABCAC85~265V辅助电源注:辅助电源为可选功能,具体接线以表计端盖上接线图为准。2仪表主要功能2.1电量分时计量本仪表有两种配置:TH及TF型(由模式字1的b6设置)。TH型为双方向电能表,它可以计量正、反向有功,4象限无功以及A、B、C各元件有功、无功电量。TF型为单方向电能表,它可以计量正向有功,4象限无功以及A、B、C各元件有功、无功电量,反向有功计量精度不作保证,仅供参考。TH型和TF型电能表都能计量2种组合的无功电量,2种组合的无功电量可由4个象限的无功电量任意组合(通过无功组合模式字设置)。各种总电量均可以按最大8种费率时段进行分时计量(A、B、C各元件的电量不分时计量)。本表计可设置主副两套时段。电表是否进行主副两套时段切换,受电表模式字3的b5位控制。每套时段最大8费率。每套...

1、当您付费下载文档后,您只拥有了使用权限,并不意味着购买了版权,文档只能用于自身使用,不得用于其他商业用途(如 [转卖]进行直接盈利或[编辑后售卖]进行间接盈利)。
2、本站所有内容均由合作方或网友上传,本站不对文档的完整性、权威性及其观点立场正确性做任何保证或承诺!文档内容仅供研究参考,付费前请自行鉴别。
3、如文档内容存在违规,或者侵犯商业秘密、侵犯著作权等,请点击“违规举报”。

碎片内容

DTSD341-MB3说明书

确认删除?
VIP
微信客服
  • 扫码咨询
会员Q群
  • 会员专属群点击这里加入QQ群
客服邮箱
回到顶部