电脑桌面
添加小米粒文库到电脑桌面
安装后可以在桌面快捷访问

洁净手术室沉降法测定沉降菌浓度采样布点法VIP免费

洁净手术室沉降法测定沉降菌浓度采样布点法_第1页
1/1
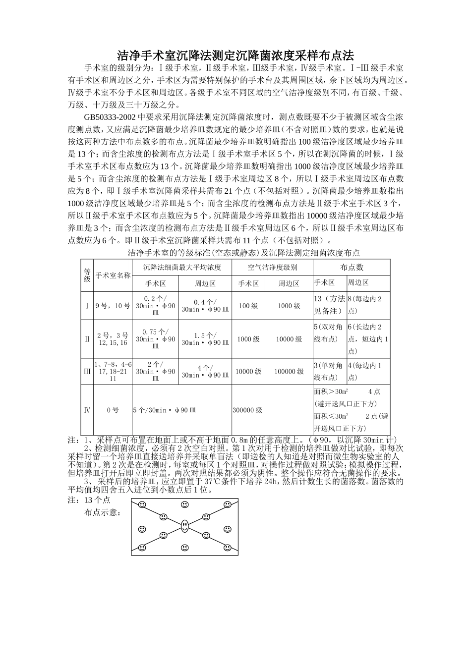
洁净手术室沉降法测定沉降菌浓度采样布点法手术室的级别分为:Ⅰ级手术室,Ⅱ级手术室,Ⅲ级手术室,Ⅳ级手术室。Ⅰ-Ⅲ级手术室有手术区和周边区之分,手术区为需要特别保护的手术台及其周围区域,余下区域均为周边区。Ⅳ级手术室不分手术区和周边区。各级手术室不同区域的空气洁净度级别不同,有百级、千级、万级、十万级及三十万级之分。GB50333-2002中要求采用沉降法测定沉降菌浓度时,测点数既要不少于被测区域含尘浓度测点数,又应满足沉降菌最少培养皿数规定的最少培养皿(不含对照皿)数的要求,也就是说按这两种方法中布点数多的布点。沉降菌最少培养皿数明确指出100级洁净度区域最少培养皿是13个;而含尘浓度的检测布点方法是Ⅰ级手术室手术区5个,所以在测沉降菌的时候,Ⅰ级手术室手术区布点数应为13个。沉降菌最少培养皿数明确指出1000级洁净度区域最少培养皿是5个;而含尘浓度的检测布点方法是Ⅰ级手术室周边区8个,所以Ⅰ级手术室周边区布点数应为8个,即Ⅰ级手术室沉降菌采样共需布21个点(不包括对照)。沉降菌最少培养皿数指出1000级洁净度区域最少培养皿是5个;而含尘浓度的检测布点方法是Ⅱ级手术室手术区3个,所以Ⅱ级手术室手术区布点数应为5个。沉降菌最少培养皿数指出10000级洁净度区域最少培养皿是3个;而含尘浓度的检测布点方法是Ⅱ级手术室周边区6个,所以Ⅱ级手术室周边区布点数应为6个。即Ⅱ级手术室沉降菌采样共需布11个点(不包括对照)。洁净手术室的等级标准(空态或静态)及沉降法测定细菌浓度布点等级手术室名称沉降法细菌最大平均浓度空气洁净度级别布点数手术区周边区手术区周边区手术区周边区Ⅰ9号,10号0.2个/30min·φ90皿0.4个/30min·φ90皿100级1000级13(方法见备注)8(每边内2点)Ⅱ2号,3号12,15,160.75个/30min·φ90皿1.5个/30min·φ90皿1000级10000级5(双对角线布点)6(长边内2点,短边内1点)Ⅲ1、7-8,4-617,18-21112个/30min·φ90皿4个/30min·φ90皿10000级100000级3(单对角线布点)4(每边内1点)Ⅳ0号5个/30min·φ90皿300000级面积>30m24点(避开送风口正下方)面积≤30m22点(避开送风口正下方)注:1、采样点可布置在地面上或不高于地面0.8m的任意高度上。(φ90,以沉降30min计)2、检测细菌浓度,必须有2次空白对照。第1次对用于检测的培养皿做对比试验,即每次采样时留一个培养皿直接送培养并采取单盲法(即送检的人知道是对照而微生物实验室的人不知道)。第2次是在检测时,每室或每区1个对照皿,对操作过程做对照试验:模拟操作过程,但培养皿打开后即立即封盖。两次对照结果都必须为阴性。整个操作应符合无菌操作的要求。3、采样后的培养皿,应立即置于37℃条件下培养24h,然后计数生长的菌落数。菌落数的平均值均四舍五入进位到小数点后1位。注:13个点布点示意:

1、当您付费下载文档后,您只拥有了使用权限,并不意味着购买了版权,文档只能用于自身使用,不得用于其他商业用途(如 [转卖]进行直接盈利或[编辑后售卖]进行间接盈利)。
2、本站所有内容均由合作方或网友上传,本站不对文档的完整性、权威性及其观点立场正确性做任何保证或承诺!文档内容仅供研究参考,付费前请自行鉴别。
3、如文档内容存在违规,或者侵犯商业秘密、侵犯著作权等,请点击“违规举报”。

碎片内容

洁净手术室沉降法测定沉降菌浓度采样布点法

您可能关注的文档

确认删除?
VIP
微信客服
  • 扫码咨询
会员Q群
  • 会员专属群点击这里加入QQ群
客服邮箱
回到顶部