电脑桌面
添加小米粒文库到电脑桌面
安装后可以在桌面快捷访问

浣纱路人行道硬化方案VIP免费

浣纱路人行道硬化方案_第1页
1/9
浣纱路人行道硬化方案_第2页
2/9
浣纱路人行道硬化方案_第3页
3/9
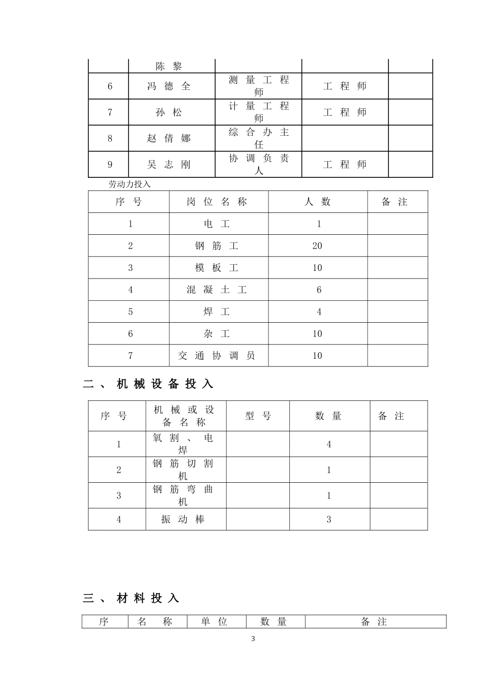
目录第一章工程概况.....................................................................2第二章编制依据.....................................................................2第三章人员、机械、材料的投入...........................2第四章施工方案.....................................................................4第五章施工期间交通组织方案.................................6第六章人行道硬化施工中安全措施..................7第七章、施工期间突发事件应急预案..................81第一章工程概况贵阳市南明区彭家湾路道路建设工程浣纱路拉槽位于浣纱路和彭家湾路交叉口,浣纱路南段,彭家湾路网片区的东北部,起点接罗汉营路与浣纱路交叉口,终点接花果园主线立交,道路全长650.764米(K-1+985—K0+635.764),道路红线宽50.5米(5.5米人行道+11米辅道+0.5米防撞护栏+16.5米主线+0.5米防撞护栏+11米辅道+5.5米人行道),道路等级为城市主干道Ⅰ级。本工程在主线拉槽及挡土墙施工过程中,现有路幅宽度不能保证两车道行车,为此,需硬化浣纱路两侧人行道各3.4m来作为行车道使用(其中0.4米为隔离护栏的位置)。第二章编制依据一、贵阳市交通管理局要求施工期间确保浣纱路社会行车畅通;二、现场实地勘察结果;第三章人员、机械、材料的投入一、人员投入项目部管理人员投入序号姓名岗位名称职务名称备注1向中儒总负责工程师2曹玉林现场负责人工程师3龚志刚技术负责人工程师4程焕春、汪清海施工员工程师5尹翠平、安全员工程师2陈黎6冯德全测量工程师工程师7孙松计量工程师工程师8赵倩娜综合办主任9吴志刚协调负责人工程师劳动力投入序号岗位名称人数备注1电工12钢筋工203模板工104混凝土工65焊工46杂工107交通协调员10二、机械设备投入序号机械或设备名称型号数量备注1氧割、电焊42钢筋切割机13钢筋弯曲机14振动棒3三、材料投入序名称单位数量备注3号1围护彩钢板块若干全线施工范围内防护2钢筋t若干3C30混凝土m3若干第四章施工方案一、施工工艺二、施工顺序1、测量放线和现场围护首先对本次实施范围进行测量放线,将人行道需硬化的高度标示出来。在浣纱路下拉槽K-1+985~K0+635全线范围内,将浣纱路两侧的人行道用高为2m的彩钢板围护好,使行人和施工区域隔离;同时,在道路内侧同样用2m的彩钢板围护,使行车和施工区域隔离,彩钢板放置在浣纱路路面上(详见附图)。2、探沟开挖、管线迁改根据贵阳市城建档案馆提供的浣纱路地下管线资料图知,两侧人行道上管线复杂,为此用人工开挖探沟,对在施工范围内的探明的管线进行迁改等保护措施(部分管线因时间问题无法及时迁改时,可先硬化进人行道内,待辅道施工时再通知管线权属单位进行迁改)。3、人行道清理4测量放线及现场围护探沟开挖、管线迁改钢筋安装模板安装道路围护混凝土浇筑、养护、拆模、使用人行道清理待管线迁改完成后,用人工清理人行道上的人行道砖、残渣等。4、钢筋安装因人行道上管线埋深较浅或裸露在地面上,同时,在这些复杂的管线中,大多数为主干管道、主线,为保证管线的安全,需在人行道硬化前铺设钢筋网片,钢筋网片直径为¢10,按10*10cm间距铺设,钢筋网片沿人行道宽度方向长3.3m,沿人行道长度方向为全线长,同时钢筋搭接长度不小于30cm(详见附图)。由钢筋工人安装好后,经质检员、监理工程师检验合格后进入下道工序施工。5、模板安装在安装钢筋的同时可进行模板安装,模板采用15mm厚的桥梁经过板加工制作,长度2.4米,宽度根据现场混凝土浇注高度确定,楞模采用8*8cm的木枋,支撑利用冲击钻打眼安插Φ25钢筋来作为支撑点。6、混凝土浇筑、养护、拆模、使用混凝土采用商品混凝土,直接浇筑,浇筑时特别注意振捣密实。混凝土浇筑完成后、洒水养护3天,拆除模板通车(为满足早日通车需求,砼中加入早强剂)。7、道路围护在人行道硬化完成后,需将行车道改移到硬化后的人行道上,即准备拉槽土石方开挖工作,为保证下拉槽开挖区域与行车道用彩钢板分离,同样采取彩钢板围护;另外,为保证安全,在车行道与人行道分离之间设置围护栏杆首先用M7.5砂浆砌筑36×36×70cm的水泥标砖垛,5水...

1、当您付费下载文档后,您只拥有了使用权限,并不意味着购买了版权,文档只能用于自身使用,不得用于其他商业用途(如 [转卖]进行直接盈利或[编辑后售卖]进行间接盈利)。
2、本站所有内容均由合作方或网友上传,本站不对文档的完整性、权威性及其观点立场正确性做任何保证或承诺!文档内容仅供研究参考,付费前请自行鉴别。
3、如文档内容存在违规,或者侵犯商业秘密、侵犯著作权等,请点击“违规举报”。

碎片内容

浣纱路人行道硬化方案

确认删除?
VIP
微信客服
  • 扫码咨询
会员Q群
  • 会员专属群点击这里加入QQ群
客服邮箱
回到顶部