电脑桌面
添加小米粒文库到电脑桌面
安装后可以在桌面快捷访问

水中氯化物测定的分析方法VIP免费

水中氯化物测定的分析方法_第1页
1/4
水中氯化物测定的分析方法_第2页
2/4
水中氯化物测定的分析方法_第3页
3/4
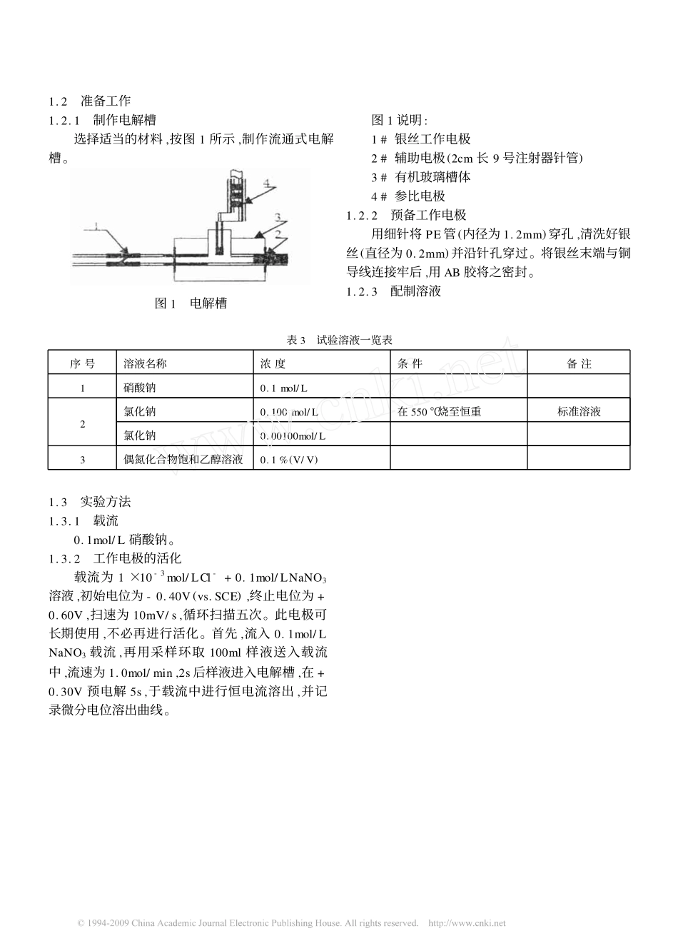
水中氯化物测定的分析方法叶菁(福建省侨兴轻工学校福清350300)摘要本文阐述了用电化学法分析测定水中氯离子含量。选择了将FIA与恒电流阴极电位溶出法联用,设计了专用的流通式电解槽,并以银丝做工作电极,用硝酸钠作基液,添加少量偶氮化合物以提高测定的灵敏度。本法简单快捷、重现性好、实用性强,可用于生活污水、部分工业污水、雨水、饮用水等方面的分析测定。关键词氯化物氯离子分析方法电化学分析水在人类的生存活动中,氯化物有很重要的生理作用和工业用途。在饮用水、生活污水和工业废水中,均含有相当数量的氯离子。传统的分析方法有:硝酸银、硝酸汞滴定法,电位滴定法和离子色谱法。均或多或少存在着一定的不足,如分析速度慢或分析成本高或终点判断难或重现性较差等原因。本研究选择了将FIA与恒电流阴极电位溶出法联用,设计了专用的流通式电解槽,并以银丝做工作电极,用硝酸钠作基液,添加偶氮化合物的饱和乙醇溶液于样品中,以提高测定的灵敏度。获得了令人满意的结果,其分析速度可达80-100个样/h。1试剂与方法111仪器与试剂表1主要分析仪器一览表序号仪器名称生产单位备注1溶出分析仪山东电讯七厂MP-1型2蠕动泵沈阳电影反光镜厂3酸度计上海第二分析仪器厂PHS-2型4电解槽自制详见图1表2主要分析试剂一览表序号试剂名称生产单位备注1硝酸银福州市化工研究所CP2硝酸钠福州市化工研究所CP3无水乙醇福州市化工研究所CP4氯化钠上海试剂一厂标准试剂5偶氮化合物上海试剂一厂CP·23·福建化工2003年第1期1.2准备工作1.2.1制作电解槽选择适当的材料,按图1所示,制作流通式电解槽。图1电解槽图1说明:1#银丝工作电极2#辅助电极(2cm长9号注射器针管)3#有机玻璃槽体4#参比电极1.2.2预备工作电极用细针将PE管(内径为1.2mm)穿孔,清洗好银丝(直径为0.2mm)并沿针孔穿过。将银丝末端与铜导线连接牢后,用AB胶将之密封。1.2.3配制溶液表3试验溶液一览表序号溶液名称浓度条件备注1硝酸钠0.1mol/L2氯化钠0.100mol/L在550℃烧至恒重标准溶液氯化钠0.00100mol/L3偶氮化合物饱和乙醇溶液0.1%(V/V)1.3实验方法1.3.1载流0.1mol/L硝酸钠。1.3.2工作电极的活化载流为1×10-3mol/LCl-+0.1mol/LNaNO3溶液,初始电位为-0.40V(vs.SCE),终止电位为+0.60V,扫速为10mV/s,循环扫描五次。此电极可长期使用,不必再进行活化。首先,流入0.1mol/LNaNO3载流,再用采样环取100ml样液送入载流中,流速为1.0mol/min,2s后样液进入电解槽,在+0.30V预电解5s,于载流中进行恒电流溶出,并记录微分电位溶出曲线。图2流程示意图1.3.3标准曲线在1×10-6~8×10-3mol/LCl-浓度范围内,峰高与浓度之间呈良好的线性关系(如图3),相关系数都在0.999以上,曲线通过原点。图3标准曲线在0.1×10-3mol/LNaNO3+0.1%(V/V)偶氮化合物饱和乙醇溶液中进行反复多次测试,求得检测下限为19ng/ml(两倍标准偏差)。1.3.4试验过程称2.1gNaNO3于250ml容量瓶中,用水溶解至刻度。取两个50ml容量瓶,用微量注射器分别加入不同的Cl-标准液,另取一50ml空白容量瓶。添加上述样液于三个50ml容量瓶至刻度,用采样环取200~500μl水样输入载流中,预电解10~30s后进·33·福建化工2003年第1期行恒电流电位溶出,并记录微分电位溶出峰和扣除背景基线的峰,后者作为响应讯号,以两次标准加法进行定量。2结果与讨论2.1基液的选择选择KNO3、NaNO2、K2CO3、NaNO3和NaAC为基液,进行筛选比较。发现NaNO3溶液作基液其峰形好、峰尖锐、灵敏度较高;选择NaNO3基液浓度分别为0.1、0.2、0.3、0.4mol/L,发现在此范围内峰高变化缓慢,选取0.1mol/L。用低浓度的NaOH或HNO3调节基液的酸碱度,在pH为6附近有极大值,此即为0.1mol/LNaNO3基液的pH值。2.2增敏剂浓度的影响电极表面经某些有机化合物预处理,有明显的增敏效果,如加入偶氮化合物饱和乙醇溶液,增敏效果显著。特别是对氯离子浓度较低的样液,增加增敏剂加入量,可有效提高灵敏度。见表4表4增敏剂浓度的影响CCl-5×10-6mol/L,is2μA,te60s偶氮化合物饱和乙醇溶液(0.1%,V/V)00.050.10.20.40.81.6峰高(×105S/V)———54516345883612002.3正交试验及结果本研究是属单因子试验,因此选择L16(45)表———四因素四水平的拉丁正交试验表。从表中可知,最优条件...

1、当您付费下载文档后,您只拥有了使用权限,并不意味着购买了版权,文档只能用于自身使用,不得用于其他商业用途(如 [转卖]进行直接盈利或[编辑后售卖]进行间接盈利)。
2、本站所有内容均由合作方或网友上传,本站不对文档的完整性、权威性及其观点立场正确性做任何保证或承诺!文档内容仅供研究参考,付费前请自行鉴别。
3、如文档内容存在违规,或者侵犯商业秘密、侵犯著作权等,请点击“违规举报”。

碎片内容

水中氯化物测定的分析方法

您可能关注的文档

确认删除?
VIP
微信客服
  • 扫码咨询
会员Q群
  • 会员专属群点击这里加入QQ群
客服邮箱
回到顶部