电脑桌面
添加小米粒文库到电脑桌面
安装后可以在桌面快捷访问

塑料透明外壳式断路器VIP免费

塑料透明外壳式断路器_第1页
1/5
塑料透明外壳式断路器_第2页
2/5
塑料透明外壳式断路器_第3页
3/5
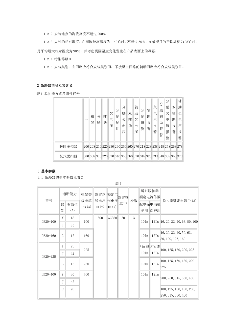
加入慧聪网,开始网上贸易结交贸易伙伴,拓展网络商圈成为会员,免费发布供求信息乐清市捷翔电气有限公司进入企业网站最新供应|公司介绍联系人:龙桂林先生加为商友经营模式:生产型信用指数:无企业身份认证:未经过第三方认证窗体顶端供应DZ20Y-225/3300塑壳断路器放大图片产品名称:低压断路器当前价:145.00元最小起订:1供货总量:不限点此询价发货期限:3天内发货所在地:中国浙江省温州市受关注度:有效期至:2011年09月26日发送短信联系方式收藏此信息举报此信息乐清市捷翔电气有限公司龙桂林先生(技术销售经理)发送短信查看联系方式地址:中国.浙江省.温州市.乐清市柳市镇后街工业区邮编:325604电话:86-0577-62739557手机:13587452254传真:86-0577-62739557网址:http://longguilin998.b2b.hc360.comhttp://www.cnjex.com品牌:上海来宏产地:价格:65人民币/台规格:简要说明:DZ20Y系列透明塑料外壳式断路器(以下简称断路器),适用于交流380V、50Hz及以下的电路中作配电用,额定电流225A及以下和400A(Y型)的断路器可作保护电动机之用。详细介绍:批发DZ20Y可视化空气开关1用途及适用范围:1.1用途DZ20Y系列透明塑料外壳式断路器(以下简称断路器),适用于交流380V、50Hz及以下的电路中作配电用,额定电流225A及以下和400A(Y型)的断路器可作保护电动机之用。配电用断路器在配电网络中用来分配电能和保护线路及电源设备的过载、短路和欠电压。保护电动机用断路器在配电网络中用来保护电动机的过载、短路和欠电压;在正常情况下,断路器可为线路的不频繁转换及电动机的不频繁起动之用。1.2适用范围1.2.1周围空气温度:上限值不超过+40℃,下限值不超过-5℃,24h的平均值不超过35℃。1.2.2安装地点的海拔高度不超过200m。1.2.3大气的相对湿度,在周围最高温度为+40℃时,不超过50%;在最湿月的平均温度为25℃时,月平均最大相对湿度为90%,并考虑到因温度变化发生在产品表面上的凝露。1.2.4污染等级31.2.5安装类别:主回路应符合安装类别Ⅲ,不接至主回路的辅助回路应符合安装类别Ⅱ。2断路器型号及其含义表1脱扣器方式及附件代号一报警分励辅助欠电压分励辅助分励欠电压双辅助辅助欠电压分励报警辅助报警欠电压报警分励辅助报警分励欠电压报警双辅助报警辅助欠电压报警瞬时脱扣器200208210220230240250260270218228238248258268278复式脱扣器3003083103203303403503603703183283383483583683783基本参数3.1断路器的基本参数见表2表2型号通断能力壳架等级电流Inm(A)额定绝缘电压Ui(V)额定工作电压Ue(V)额定频率HZ极数瞬时脱扣器额定电流倍数脱扣器额定电流In(A)级别有效值(A)配电保护用电动机保护用DZ20-100Y18100500AC38050310In12In16,20,32,40,63,80,100J35DZ20-160C1216010In12In16,20,32,40,50,63,80,100,125,160DZ20-225Y252255In或10In8In或12In100,125,160,200,225J42C1525010In12In100,125,160,180,200225DZ20-400Y3040010In12In200,250,315,350,400J42C20100,125,160,180,200,250,315,350,400DZ20-630Y306305In或10In8In或12In500,630J50C2010In12In400,500,630注:表2中当脱扣器额定电流小于40A时,瞬时脱扣器最小整定电流为500A,瞬时脱扣器整定值具有±20%的准确性。表3用途脱扣器额定电流Ir不脱扣脱扣环境空气温度额定电流倍数时间(h)额定电流倍数时间(h)配电用断路器≤401.0511.3140℃≤401.0521.32保护电动机用断路器1.021.2023.2断路器的过载保护特性(表3)3.3电动操作机构动作值断路器在用电动操作机构操作时,在额定控制电源电压85-110%之间任一电压下,以及在空载和额定短路接通能力之间的所有情况下,断路器都能可靠工作。3.4分励脱扣器动作值交流50Hz,220V或380V,分励脱扣器能在额定控制电压70-110%之间准确地工作。3.5欠电压脱扣器交流50Hz,220或380V,欠电压脱扣器能在额定工作电压70-35%时,能可靠工作。3.6辅助触头:在不装欠电压脱扣器和分励脱扣器时,可装辅助触头,辅助触头地技术参数见表4。表4适用壳架等级额定电流的断路器约定发热电流(A)交流380时额定电流(A)400A以上63200A以上30.44使用和维护5.1断路器应垂直...

1、当您付费下载文档后,您只拥有了使用权限,并不意味着购买了版权,文档只能用于自身使用,不得用于其他商业用途(如 [转卖]进行直接盈利或[编辑后售卖]进行间接盈利)。
2、本站所有内容均由合作方或网友上传,本站不对文档的完整性、权威性及其观点立场正确性做任何保证或承诺!文档内容仅供研究参考,付费前请自行鉴别。
3、如文档内容存在违规,或者侵犯商业秘密、侵犯著作权等,请点击“违规举报”。

碎片内容

塑料透明外壳式断路器

您可能关注的文档

确认删除?
VIP
微信客服
  • 扫码咨询
会员Q群
  • 会员专属群点击这里加入QQ群
客服邮箱
回到顶部