电脑桌面
添加小米粒文库到电脑桌面
安装后可以在桌面快捷访问

JGJ130-201建筑施工扣件式钢管脚手架安全技术规范解读VIP免费

JGJ130-201建筑施工扣件式钢管脚手架安全技术规范解读_第1页
1/16
JGJ130-201建筑施工扣件式钢管脚手架安全技术规范解读_第2页
2/16
JGJ130-201建筑施工扣件式钢管脚手架安全技术规范解读_第3页
3/16
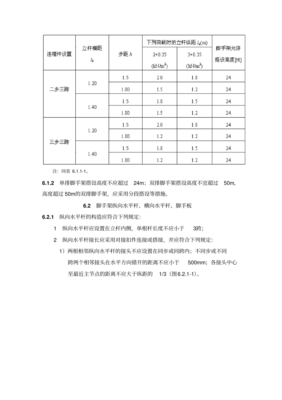
扣件式钢管脚手架构造要求一本要求依据规范<<建筑施工扣件式钢管脚手架安全技术规范>>(JGJ130-2011)。6构造要求6.1常用单、双排脚手架设计尺寸6.1.1常用密目式安全网全封闭单、双排脚手架结构的设计尺寸,可按表6.1.1-1、表6.1.1-2采用。表6.1.1-1常用密目式安全立网全封闭式双排脚手架的设计尺寸(m)注:1、表中所示2+2+2×0.35(kN/m2),包括下列荷载:2+2(kN/m2)为二层装修作业层施工荷载标准值;2×0.35(kN/m2)为二层作业层脚手板自重荷载标准值。2、作业层横向水平杆间距,应按不大于la/2设置。3、地面粗糙度为B类,基本风压Wo=0.4kN/m2。表6.1.1-2常用密目式安全立网全封闭式单排脚手架的设计尺寸(m)注:同表6.1.1-1。6.1.2单排脚手架搭设高度不应超过24m;双排脚手架搭设高度不宜超过50m,高度超过50m的双排脚手架,应采用分段搭设等措施。6.2脚手架纵向水平杆、横向水平杆、脚手板6.2.1纵向水平杆的构造应符合下列规定:1纵向水平杆应设置在立杆内侧,单根杆长度不应小于3跨;2纵向水平杆接长应采用对接扣件连接或搭接,并应符合下列规定:1)两根相邻纵向水平杆的接头不应设置在同步或同跨内;不同步或不同跨两个相邻接头在水平方向错开的距离不应小于500mm;各接头中心至最近主节点的距离不应大于纵距的1/3(图6.2.1-1)。(a)接头不在同步内(立面)(b)接头不在同跨内(平面)图6.2.1-1纵向水平杆对接接头布置1--立杆;2--纵向水平杆;3--横向水平杆2)搭接长度不应小于1m,应等间距设置3个旋转扣件固定;端部扣件盖板边缘至搭接纵向水平杆杆端的距离不应小于100mm。3当使用冲压钢脚手板、木脚手板、竹串片脚手板时,纵向水平杆应作为横向水平杆的支座,用直角扣件固定在立杆上;当使用竹笆脚手板时,纵向水平杆应采用直角扣件固定在横向水平杆上,并应等间距设置,间距不应大于400mm(图6.2.1-2)。图6.2.1-2铺竹笆脚手板时纵向水平杆的构造1--立杆;2--纵向水平杆;3--横向水平杆;4--竹笆脚手板;5--其它脚手板6.2.2横向水平杆的构造应符合下列规定:1作业层上非主节点处的横向水平杆,宜根据支承脚手板的需要等间距设置,最大间距不应大于纵距的1/2;2当使用冲压钢脚手板、木脚手板、竹串片脚手板时,双排脚手架的横向水平杆两端均应采用直角扣件固定在纵向水平杆上;单排脚手架的横向水平杆的一端应用直角扣件固定在纵向水平杆上,另一端应插入墙内,插入长度不应小于180mm;3当使用竹笆脚手板时,双排脚手架的横向水平杆的两端,应用直角扣件固定在立杆上;单排脚手架的横向水平杆的一端,应用直角扣件固定在立杆上,另一端插入墙内,插入长度不应小于180mm。6.2.3主节点处必须设置一根横向水平杆,用直角扣件扣接且严禁拆除。6.2.4脚手板的设置应符合下列规定:1作业层脚手板应铺满、铺稳、铺实;2冲压钢脚手板、木脚手板、竹串片脚手板等,应设置在三根横向水平杆上。当脚手板长度小于2m时,可采用两根横向水平杆支承,但应将脚手板两端与横向水平杆可靠固定,严防倾翻。脚手板的铺设应采用对接平铺或搭接铺设。脚手板对接平铺时,接头处应设两根横向水平杆,脚手板外伸长度应取130mm~150mm,两块脚手板外伸长度的和不应大于300mm(图6.2.4a);脚手板搭接铺设时,接头应支在横向水平杆上,搭接长度不应小于200mm,其伸出横向水平杆的长度不应小于100mm(图6.2.4b)。(a)脚手板对接(b)脚手板搭接图6.2.4脚手板对接、搭接构造3竹笆脚手板应按其主竹筋垂直于纵向水平杆方向铺设,且应对接平铺,四个角应用直径不小于1.2mm的镀锌钢丝固定在纵向水平杆上。4作业层端部脚手板探头长度应取150mm,其板的两端均应固定于支承杆件上。6.3立杆6.3.1每根立杆底部宜设置底座或垫板。6.3.2脚手架必须设置纵、横向扫地杆。纵向扫地杆应采用直角扣件固定在距钢管底端不大于200mm处的立杆上。横向扫地杆应采用直角扣件固定在紧靠纵向扫地杆下方的立杆上。6.3.3脚手架立杆基础不在同一高度上时,必须将高处的纵向扫地杆向低处延长两跨与立杆固定,高低差不应大于1m。靠边坡上方的立杆轴线到边坡的距离不应小于500mm(图6.3.3)。图6.3.3纵、横向扫地杆构造1--横向扫地...

1、当您付费下载文档后,您只拥有了使用权限,并不意味着购买了版权,文档只能用于自身使用,不得用于其他商业用途(如 [转卖]进行直接盈利或[编辑后售卖]进行间接盈利)。
2、本站所有内容均由合作方或网友上传,本站不对文档的完整性、权威性及其观点立场正确性做任何保证或承诺!文档内容仅供研究参考,付费前请自行鉴别。
3、如文档内容存在违规,或者侵犯商业秘密、侵犯著作权等,请点击“违规举报”。

碎片内容

JGJ130-201建筑施工扣件式钢管脚手架安全技术规范解读

确认删除?
VIP
微信客服
  • 扫码咨询
会员Q群
  • 会员专属群点击这里加入QQ群
客服邮箱
回到顶部