电脑桌面
添加小米粒文库到电脑桌面
安装后可以在桌面快捷访问

QD-7D02_综合布线系统施工工艺规范VIP专享VIP免费

QD-7D02_综合布线系统施工工艺规范_第1页
1/17
QD-7D02_综合布线系统施工工艺规范_第2页
2/17
QD-7D02_综合布线系统施工工艺规范_第3页
3/17
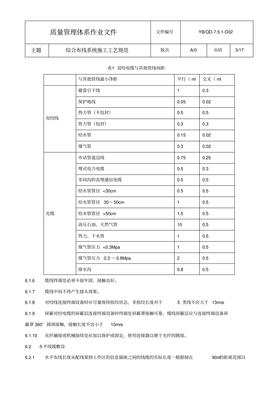
质量管理体系作业文件文件编号YB/QD-7.5.1-D02版次A/0页码1/17主题综合布线系统施工工艺规范会签/编制审核批准1.目的为了规范工程项目的施工过程管理,提升项目施工工艺水平,使项目经理、专业技术支持工程师、外包施工队伍能够按照工艺规范要求进行施工,特制定本工艺规范。2.适用范围本工艺标准适用于系统集成和建筑智能化主机系统安装工程。3.依据标准《建筑工程施工质量验收统一标准》GB50300-2001《建筑电气工程施工质量验收规范》GB50303-2002《建筑综合布线系统工程设计规范》GB50311-2007《建筑综合布线系统工程验收规范》GB50312-2007《智能建筑工程质量验收规范》GB50339-20034.现场施工前准备4.1材料、设备4.1.1传输部分:对绞电缆、光缆、光纤连接头、光纤耦合器等。4.1.2机房部分:交接箱、机柜、各类配线架、配线模块、跳线等。4.1.3终端部分:信息插座、光纤插座、8位模块式通用插座、多用户信息插座。4.1.4上述设备材料的规格、型号、数量应符合设计及合同要求,并附有出厂质量检验合格证、性能检验报告及“CCC”认证标识等。电缆所附标志、标签内容应齐全、清晰。4.1.5镀锌材料:镀锌钢管、镀锌线槽、金属膨胀螺栓、金属软管、接地螺栓。4.1.6其他材料:接线盒、地面插座、塑料线槽及其附件。塑料线槽其敷设场所的环境温度不得低于-15℃,其阻燃性能氧指数不应低于27%。4.2机具设备4.2.1安装器具:煨管器、液压开孔器、套丝机、钢锯、电工组合工具、射钉枪、拉铆枪、手电钻、台钻、高凳等。4.2.2测试器具:网络测试仪、光时反射仪、万用表、兆欧表、铅笔、皮尺、水平尺、小线、线坠等。质量管理体系作业文件文件编号YB/QD-7.5.1-D02主题综合布线系统施工工艺规范版次A/0页码2/174.2.3专用工具:剥线器、压线工具、光纤熔接机、切割工具、玻璃磨光盘、烘干箱。4.3作业条件4.3.1线缆沟、槽、管、箱、盒施工完毕。4.3.2土建装修工程完工,线路全部贯通。4.3.3配线间、设备间的环境温度、湿度、照度等均应符合设计要求,通风良好,且室内无危险物品,消防器材齐全。4.4技术准备4.4.1施工图纸齐全。4.4.2施工方案编制完毕并经审批。4.4.3施工前应组织施工人员熟悉图纸、方案及专业设备安装使用说明书,并进行有针对性的培训及安全、技术交底。5.管路桥架施工各部分线缆沟、槽、管、箱、盒施工完毕,详细的施工工艺可参考《综合布线系统施工工艺规范》。6.线缆敷设6.1线缆敷设6.1.1缆线布放两端应贴有标签,表明起始和终端位置,标签书写应清晰、端正和正确。6.1.2线缆的布放应平直,不得产生扭绞、打圈等现象,不应受到外力的挤压和损伤。6.1.3缆线布放时应有冗余。在交接间、设备间对绞电缆预留长度一般为3~6m,工作区为0.3~0.6m;光缆在设备端预留长度一般为5~10m。有特殊要求的应按设计要求预留长度。6.1.4缆线的弯曲半径应符合下列规定。1、非屏蔽4对对绞电缆的弯曲半径应至少为电缆外径的4倍,在施工过程中应至少为8倍。2、屏蔽对绞电缆的弯曲半径应至少为电缆外径的6~10倍。3、主干对绞电缆的弯曲半径应至少为电缆外径的10倍。4、光缆的弯曲半径应至少为光缆外径的15倍,在施工过程中应至少为20倍。6.1.5电源线、信号电缆、对绞电缆、光缆及建筑物内其他弱电系统的缆线应分离布放。各缆线间的最小净距应符合设计要求。双绞电缆与其他管线之间安装距离:质量管理体系作业文件文件编号YB/QD-7.5.1-D02主题综合布线系统施工工艺规范版次A/0页码3/17表1双绞电缆与其他管线间距与其他管线最小净距平行(m)交叉(m)双绞线避雷引下线10.3保护地线0.050.02热力管(不包封)0.50.5热力管(包封)0.30.3给水管0.150.02煤气管0.30.02光缆市话管道边线0.750.25埋式电力电缆0.50.3非同沟的直埋通信电缆0.50.5给水管管径<30cm0.50.5给水管管径30~50cm10.5给水管管径>50cm1.50.5高压石油、天然气管100.5热力、下水管10.5煤气管压力<0.3Mpa10.5煤气管压力0.3~0.8Mpa20.5排水沟0.80.56.1.6缆线终端处必须卡接牢固,接触良好。6.1.7缆线中间不得产生接头现象。6.1.8对绞线连接终端设备时应尽量保持扭绞状态,非扭绞长度对于5类线不应大于13mm。6.1.9屏蔽对绞电缆的屏蔽层...

1、当您付费下载文档后,您只拥有了使用权限,并不意味着购买了版权,文档只能用于自身使用,不得用于其他商业用途(如 [转卖]进行直接盈利或[编辑后售卖]进行间接盈利)。
2、本站所有内容均由合作方或网友上传,本站不对文档的完整性、权威性及其观点立场正确性做任何保证或承诺!文档内容仅供研究参考,付费前请自行鉴别。
3、如文档内容存在违规,或者侵犯商业秘密、侵犯著作权等,请点击“违规举报”。

碎片内容

QD-7D02_综合布线系统施工工艺规范

确认删除?
VIP
微信客服
  • 扫码咨询
会员Q群
  • 会员专属群点击这里加入QQ群
客服邮箱
回到顶部