电脑桌面
添加小米粒文库到电脑桌面
安装后可以在桌面快捷访问

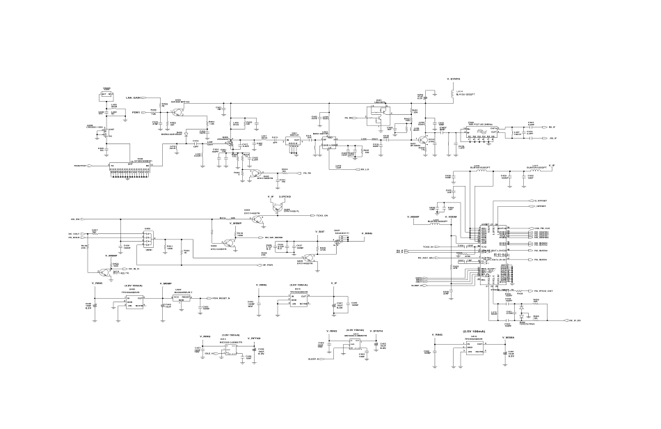
三星A399射频收发电路图VIP专享VIP免费

三星A399射频收发电路图_第1页
1/2
三星A399射频收发电路图_第2页
2/2
(3.0V150mA)(2.8V100mA)(2.5V100mA)(3.0V150mA)(2.8V100mA)R429C45410NF16VC452150PFQ4071256G34L417BLM10A102SGPTSI3443DV-T1NCR41247NFC4033.3PFC4108.2nHL42010NFC428C4364.7uF6.3V_RINGDTC114EE/TRQ402231Q405DTA114EE-TL231V_SYNTHL402NCL41312nH22NFV_IFC44213C465NCRX3TXQ4002SK2685ZT42GG45GG67GG89GG1013GG1214GG15G16G1719GG2021OUT54REF_BYPF400EFSD836MB2Z118ANTG111U411MIC5205-3.0BM5/TR3ENGND2IN39nHL408V_IFR424470K22nHL40022KR41410NFR421C43031100K10UF6.3VDTC114EE/TRQ4062C447V_RING68nHL415C4134PF100NFC429100NFC439D4021SV279-TPH30R440DTC144EE/TRQ40913210NFC4644527KR419U406UMN1123C4250.5PF0.5PFC417C4354.7uF6.3C423V_RING2RESETVCC322PFV_RINGMAX809REUR-TU409GND1C445100NF16V100KBAR63-02W-E6327D400R41847KC4191.2PFV_BATR425BLM10A102SGPTL418LOSRCRF1VDD41NFC434MD57-0001TRU403GND5IF6LO32C4115PFC41427PFC40510NFC4048.2PFV_MSMP100NFC437123451NFC441UMC5NTLU401NC/FBOUT53_ENV_VDDMU413TPS76928DBVRGND2IN14C459V_RFTXD6.3V10UF12nHL4091KR423U4002SC4081BRT1065OUT10KR430D881LHF4011GG34GG6IN282nHL404C420V_IFNCC45510UF6.3V18PFC409V_RINGC46210NFGNDIN14NC/FB5OUT3_EN4G2IN1OUT2TPS76928DBVRU4082V_MSMACRS5001-1003U4023G1220R407NC10KR400R409V_MSMPC431V_MSMP1505OUT+OUT-4470KR42212G2G33G467G5G68IN+109IN-68PFC412TMXP337(85.38MHz)F402G1R40122K3.0TCXOC460100NF10nHL403C443100PFBLM10A102SGPTL4164.7PFGND21IN4NC/FBOUT53_ENC451TPS76925DBVRU412R41075100NFC450NCR456V_RINGC40247PF10K5206CN400R40282PFC4181NFC42112PFC416C4321NFC424100PF1NFC401C46110NFC4226.3V10UFC446100NF1.8KR40410NFC433V_MSMP10NFC457MIC5205-3.0BM5/TRU414EN32GND1IN5OUT4REF_BYP16VQ401AT-32033132L4216.3V10UFC44822nH1NFC408C45347uF6.3VL407180nHR4061810NFC438C4007PFC44910UF231Q408DTC114EE/TRR42682nHL40610K47K47nHL405R433L41282nH150PFC4445PFC407RX_IDATA0I_OFFSETQ_OFFSETRX_IDATA2RX_IDATA3RX_QDATA0RX_QDATA1RX_QDATA2RX_QDATA3V_SYNTHIDLE_NPS_HOLDHP_PWRSLEEP_NCX8_FM_CLKRX_IDATA1PA_R0DC_IN_NDC_VOLTLNA_GAINRX_AGC_ADJSLEEP_NRX_IF_DORX_LOPA_R0PDM1_RX_IFRX_IFTCXO_ONPON_RESET_NON_SWON_SW_SENSETXOUTPUT_RX_IFRX_IFRX_IFVCO_OUTSBCKSBDTSBSTTCXO_INTOMSM31001%CLOSETOPIN27R32922V_SYNTH10nHL304330R3091KR323R3126.8K,1%C343100PFNCL303V_RFTX10NFC347100NFC351NCC3223PFV_RFTXC328R3221.8K,1%68NFC355C307390PFC338C342100PF8PF12K,1%R32034COUP1INOUT2C312100PF82nHL312U304CP0603A0967BWTR50OHM10NTH5G1M33B103J04THTH301R30351R325D301C3711NF220NFC3591SV279-TPH3100PFC314100PFC369BLM10A102SGPTL314C300100PFC360100PF91033NFC364V_SYNTHV_VDDMR341NCR334C337V_RINGV_IFTANK1NF33NF100PFC320C356C304100NFBLM10A102SGPTL31541OUT5SHUTV+6V-2R300U300LMV7113+IN-IN4.7C33156PFC325100PFC3341NFC32610NF200KR319C3111UFC3191116VDDA518VDDA629VDDDVDDM20390PF34TX_IBTX_Q12TX_QBVCONTROL8VDDA15VDDA2910VDDA3VDDA428RF_LO1924SBCK23SBDTSBST22TCXO25TXVCO_T13031TXVCO_T2TX_IIF_BPF27IREF3226LOCK_DETPA_ON17PCSA_OUT13PCSB_OUT12PD_ISET27PD_OUTAB_SEL21CELLA_OUT15CELLB_OUT1433GG3435GG366IF_BPF1U302RFT3100-32BCCPF-MTC372100PFV_SYNTHC368100PFVCCC340100PFOSC300KT17-DCV28A-19.680M-TGND2OUT31VC4TH300NTH5G10P39B222J08TH82PFC336100KC34182PFR306R33510D302R30810KC30510NF1SV279-TPH3C313100NF42RF_IN3RF_OUTU426MRFIC0916T11GND1GND2R33610NFC33927NH5151R342L306220PFC363BLM10A102SGPTL30010KL313BLM10A102SGPTR3240R3151NFC303C3521NF50VV_VDDM27nHL30812PFC324V_RFTXD_RX_IN100PFC344IF_INRX_IN5TCXO_IN823VCCVCC1242VP22VP1_IF_IN1767GND39GND4GND51013GND616GND719GND8GND92118U306CLK12DATA14DOIF203DO_RF15EN11FOLDGND11GND24S1M8821X02-G0T0C3101NF3.9KR340V_IFTANK18K,1%R307C346100PF24PFC3301PFV_RFTXD1UFC308C3450R321C362100PFL307027NHR311V_RFTXR313R31710K,1%NCC332V_IFNC22R331C309C34822NF47PFC35823456.3V10UFR32710K,1%UMC5NTLQ3011C3541NFR332C3154.7K,1%F3001GG34GG6IN25OUT100NFR33822D836LHV_VDDMNCC357100NF100PFC370R316R32610K,1%1UFC333L3105.6nH4OUTVC1VCC30R337MQL001B967MU3052GG57GG8R339V_IF0C30110NF6.3V10UFC349C3614.7NFL3098.2nHR33333K,1%C36710NFC366100PFC33510NFC318100PF100PFC353C306390PF2G13G24G35G4G576IN1OUTCE053R836DCB-TA2F30127KR301V_RING1NFC327C365330NF10VR3102K,1%Q30023116V2.2UFC3022SC4617C321390PFC329100PFC35010NF7LABEL2RFINRFOUT5VCC114VCC23VREFG68GG9G1011GG127.5K,1%R304U301RM912TX_AGC_ADJPA_ONTHERM_DETTX_LOPA_IREFSYNTH_LOCKTCXO_INTXOUTPUTQ_OUTQ_OUT_NI_OUTI_OUT_NPA_ONSBSTSBCKSBDTRX_IFVCO_OUTPLL_ENPLL_DATATCXO_INV_TCXOTRK_LO_ADJTCXO_ONPLL_CLKTCXO_ENRX_IF_DORX_LOTX_LOTX_AGC_ADJ

1、当您付费下载文档后,您只拥有了使用权限,并不意味着购买了版权,文档只能用于自身使用,不得用于其他商业用途(如 [转卖]进行直接盈利或[编辑后售卖]进行间接盈利)。
2、本站所有内容均由合作方或网友上传,本站不对文档的完整性、权威性及其观点立场正确性做任何保证或承诺!文档内容仅供研究参考,付费前请自行鉴别。
3、如文档内容存在违规,或者侵犯商业秘密、侵犯著作权等,请点击“违规举报”。

碎片内容

三星A399射频收发电路图

您可能关注的文档

确认删除?
VIP
微信客服
  • 扫码咨询
会员Q群
  • 会员专属群点击这里加入QQ群
客服邮箱
回到顶部