电脑桌面
添加小米粒文库到电脑桌面
安装后可以在桌面快捷访问

钟控收音机模组 LED钟控收音机模组说明书 HANDA-HY001_11AVIP免费

钟控收音机模组 LED钟控收音机模组说明书 HANDA-HY001_11A_第1页
1/6
钟控收音机模组 LED钟控收音机模组说明书 HANDA-HY001_11A_第2页
2/6
钟控收音机模组 LED钟控收音机模组说明书 HANDA-HY001_11A_第3页
3/6
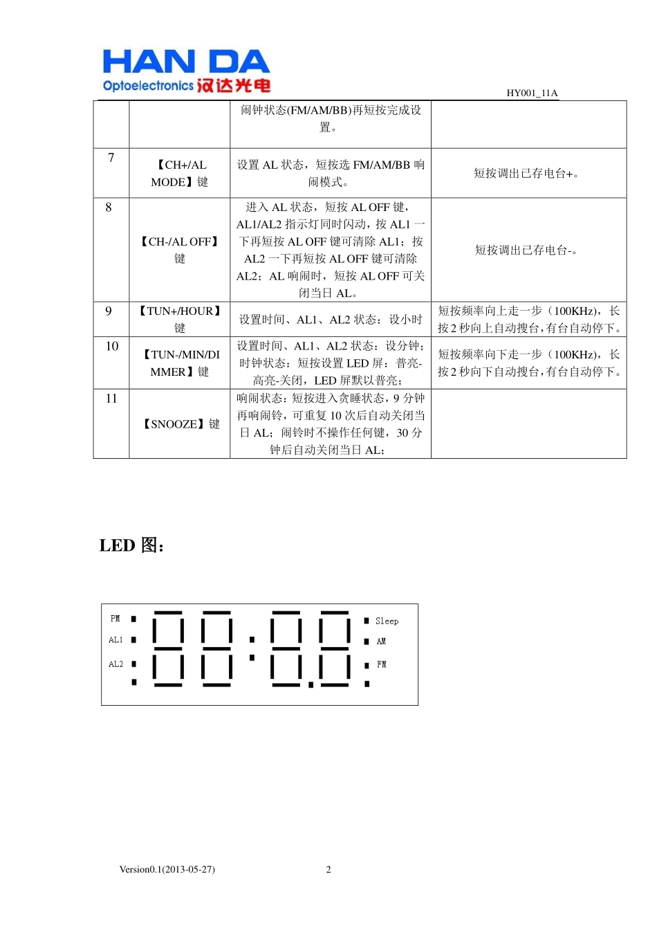
HY001_11AVersion0.1(2013-05-27)1功能概述:1.AM/FM波段收音;2.电子音量控制;3.120分钟SLEEP定时关机;4.9分钟SNOOZE;5.双ALARM;6.断电时钟记忆;7.收音电台存储:AM/FM各20个;8.片选step和国家地区;9.工作电压:2.7-5.0v;10.静态电流:小于2μA;11.LED刷新频率:64Hz。按键定义:编号按键名称时钟状态收音状态1【POWER】键长按开机进入收音状态长按关机进入时钟状态2【BAND/12/24H】键时间设置时,短按12/24转换。短按FM/AM转换。3【TIME/MEMORY/SCAN】键短按进入时间设置,LED显示12/24,短按BAND选择12/24,再短按TIME确认,LED闪动:【HOUR】设小时,【MIN】设分钟,再短按完成设置。长按2秒自动从低至高搜台一遍并存台;短按存台,按CH+/-选号,再短按确认。4【SLEEP】键短按,显示屏相应指示灯点亮,时间显示为120-110-100-90-80-70-60-50-40-30-20-10-OFF依次循环。每按一次时间减少10分钟。短按,显示屏相应指示灯点亮,时间显示为120-110-100-90-80-70-60-50-40-30-20-10-OFF依次循环。每按一次时间减少10分钟。5【VOL+/AL2】键短按进入AL2设置,【HOUR】设小时,【MIN】设分钟,短按ALMODE设闹钟状态(FM/AM/BB),再短按完成设置。短按音量增加一级,长按2秒快速加大音量。6【VOL-/AL1】键短按进入AL1设置,【HOUR】设小时,【MIN】设分钟,短按ALMODE设短按音量减小一级,长按2秒快速减小音量。HY001_11AVersion0.1(2013-05-27)2闹钟状态(FM/AM/BB)再短按完成设置。7【CH+/ALMODE】键设置AL状态,短按选FM/AM/BB响闹模式。短按调出已存电台+。8【CH-/ALOFF】键进入AL状态,短按ALOFF键,AL1/AL2指示灯同时闪动,按AL1一下再短按ALOFF键可清除AL1;按AL2一下再短按ALOFF键可清除AL2;AL响闹时,短按ALOFF可关闭当日AL。短按调出已存电台-。9【TUN+/HOUR】键设置时间、AL1、AL2状态:设小时短按频率向上走一步(100KHz),长按2秒向上自动搜台,有台自动停下。10【TUN-/MIN/DIMMER】键设置时间、AL1、AL2状态:设分钟;时钟状态:短按设置LED屏:普亮-高亮-关闭,LED屏默以普亮;短按频率向下走一步(100KHz),长按2秒向下自动搜台,有台自动停下。11【SNOOZE】键响闹状态:短按进入贪睡状态,9分钟再响闹铃,可重复10次后自动关闭当日AL;闹铃时不操作任何键,30分钟后自动关闭当日AL;LED图:HY001_11AVersion0.1(2013-05-27)3芯片PAD物理位置图:HY001_11AVersion0.1(2013-05-27)4应用电路图:PA2LED亮度控制.1:高亮0:普亮PA1国家地区选择,PA1PA0:00:美国01:欧洲10:俄罗斯11:日本PA0HY001_11AVersion0.1(2013-05-27)5LED逻辑表:LedPinIcPinC0C1C3C21C0C02C1C13C3C34C2C25S9P4P3P26S81A1F1G1E7S71B1C1DP18S62A2F2G2E9S52B2C2DP710S33A3F3G3E11S23B3C3DP912S14A4F4G4E13S04B4C4DP814S4P10P11P6P5注意事项:HY001_11AVersion0.1(2013-05-27)61.以上资料如有更新,将不另行通知,请用户在使用前先确认手中资料是否为最新版本。2.对于错误或不恰当操作所导致的后果,我公司将不承担任何责任。

1、当您付费下载文档后,您只拥有了使用权限,并不意味着购买了版权,文档只能用于自身使用,不得用于其他商业用途(如 [转卖]进行直接盈利或[编辑后售卖]进行间接盈利)。
2、本站所有内容均由合作方或网友上传,本站不对文档的完整性、权威性及其观点立场正确性做任何保证或承诺!文档内容仅供研究参考,付费前请自行鉴别。
3、如文档内容存在违规,或者侵犯商业秘密、侵犯著作权等,请点击“违规举报”。

碎片内容

钟控收音机模组 LED钟控收音机模组说明书 HANDA-HY001_11A

您可能关注的文档

确认删除?
VIP
微信客服
  • 扫码咨询
会员Q群
  • 会员专属群点击这里加入QQ群
客服邮箱
回到顶部