电脑桌面
添加小米粒文库到电脑桌面
安装后可以在桌面快捷访问

一安全管理考评表200分VIP免费

一安全管理考评表200分_第1页
1/2
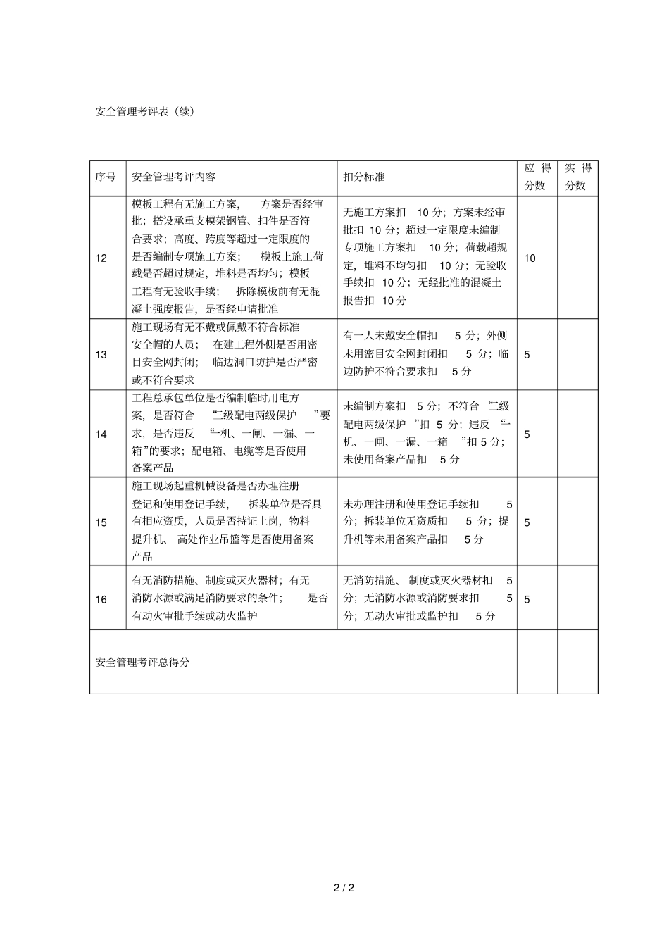
一安全管理考评表200分_第2页
2/2
1/2附件一安全管理考评表(200分)安全管理考评表(续)安全管理考评表(续)(一)、建设单位301工程开工前,建设单位是否到市建设行政主管部门办理建筑施工安监手续;为职工办理意外伤害保险未办理安监手续扣10分;未为职工办理意外伤害保险扣5分102建设单位是否及时向施工企业支付安全文明施工措施费,是否肢解和违法分包工程未及时支付措施费扣20分;肢解和违法分包工程扣20分;20(二)监理单位701监理单位是否建立企业安全生产管理体系未建立企业安全生产管理体系扣5分52是否加强对从业人员的安全生产教育培训;总监理工程师和具体负责安全生产的监理人员是否具备相应的安全生产知识未加强对从业人员的安全生产教育培训扣5分;总监理工程师和具体负责安全生产的监理人员不具备相应的安全生产知识扣5分53项目监理机构是否编制包括安全生产管理内容的项目监理规划;对危险性较大的分部分项工程是否单独编制安全监理实施规划未编制包括安全生产管理内容的项目监理规划扣5分;对危险性较大的分部分项工程未单独编制安全监理实施规划扣5分54是否建立安全生产监理资料管理制度;安全生产方面的主要监理资料是否由注册监理师签字未建立安全生产监理资料管理制度扣5分;安全生产方面的主要监理资料未由注册监理师签字扣5分55监理单位是否审查工程建设履行了法定程序、遵循法定制度;是否审查承建单位具备相应的资质资格、依法取得了安全生产许可证未审查工程建设是否严格履行了法定程序、遵循法定制度扣5分;未审查承建单位是否具备相应的资质资格,是否依法取得了安全生产许可证扣5分56对施工单位编制的施工组织设计中的安全技术措施和危险性较大分部分项工程专项施工方案是否符合安全生产强制性标准是否进行审核未审核安全技术措施扣5分;未审核危险性较大分部分项工程专项施工方案是否符合安全生产强制性标准扣5分5扣分标准应实7是否审核施工现场安全生产保证体系的组织机构和安全生产责任制、安全管理规章制度和安全操作规程的制定情况未审核安全生产保证体系的组织机构扣5分;未审核安全生产责任制、安全管理规章制度和安全操作规程的制定情况扣5分58是否审核施工现场拟投入使用的大型机械、机具以及电器设备等检测检验、验收、备案手续,以及现场设置是否符合规范要求未审核备案手续扣5分;未审核现场设置是否符合规范要求扣5分59是否审查施工现场应急救援预案制定和应急救援体系建立情况以及工程建设危险源监控措施未审查应急救援预案制定和应急救援体系建立情况扣5分;未审核危险源监控措施扣5分510总监理工程师是否定期主持召开工地例会,并在例会上分析、通报安全生产情况未定期主持召开工地例会扣5分,未在例会上分析、通报安全生产情况扣5分511监理人员是否每天在监理日志中记录当天施工现场发现和处理的安全生产问题未记录当天施工现场发现和处理的安全生产问题扣5分512是否复核施工机械、施工用电设备和各种设施的验收手续,并签署意见未复核验收手续扣5分;未签署意见扣5分513发现存在安全事故隐患时,是否要求施工单位立即进行整改,并检查整改结果,签署复查意见;情况严重的,是否要求施工单位暂时停止施工,并及时报告建设单位未要求整改扣5分;未签署复查意见扣5分;情况严重的,未要求暂时停止施工扣5分;未及时报告建设单位扣5分514发生重大安全事故或突发性事件时,总监理工程师是否立即下达停工令,并积极配合有关部门、单位做好应急救援和现场保护以及调查处理工作未立即下达停工令扣5分;未积极配合做好应急救援和现场保护以及调查处理工作扣5分(三)施工单位1001基坑开挖前,工程总承包单位是否按照规定编制施工方案和审批;基坑深度超过5m(含5m)或地下室3层(含3层)是否组织专家论证审查;孔槽开挖安全边坡设置是否符合要求;挖土机作业是否有人进入挖土机作业半径未编制施工方案和审批扣10分;基坑超过规定深度未经专家论证扣10分;孔槽开挖不符合要求扣10分;有人进入作业半径扣10分102施工单位是否建立安全责任制;各级各部门有无执行责任制,经济承包中有无安全生产指标;管理人员责任制考核是否合格未建立安全责任制扣10分;部门无执行责任制扣10...

1、当您付费下载文档后,您只拥有了使用权限,并不意味着购买了版权,文档只能用于自身使用,不得用于其他商业用途(如 [转卖]进行直接盈利或[编辑后售卖]进行间接盈利)。
2、本站所有内容均由合作方或网友上传,本站不对文档的完整性、权威性及其观点立场正确性做任何保证或承诺!文档内容仅供研究参考,付费前请自行鉴别。
3、如文档内容存在违规,或者侵犯商业秘密、侵犯著作权等,请点击“违规举报”。

碎片内容

一安全管理考评表200分

您可能关注的文档

确认删除?
VIP
微信客服
  • 扫码咨询
会员Q群
  • 会员专属群点击这里加入QQ群
客服邮箱
回到顶部