电脑桌面
添加小米粒文库到电脑桌面
安装后可以在桌面快捷访问

岩锚梁施工工法VIP免费

岩锚梁施工工法_第1页
1/9
岩锚梁施工工法_第2页
2/9
岩锚梁施工工法_第3页
3/9
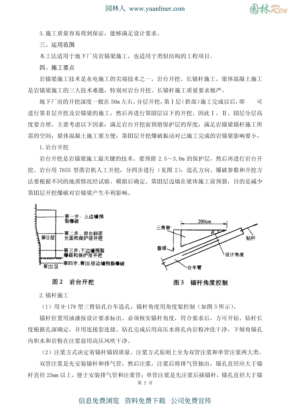
第1页岩锚梁施工工法(YJGF06—2000)中铁第十六工程局一、前言岩锚梁(见图1)是岩壁吊车梁的简称,利用一定深度的注浆长锚杆将钢筋混凝土梁体牢牢地锚固在岩石上,它承受的荷载通过长锚杆和岩石壁面摩擦力传到岩体上。它与普通的现浇梁相比,不设立柱,充分利用围岩的承载能力。岩锚梁是从挪威引进的高新技术成果,它是一项集光面(预裂)爆破、锚固技术,混凝土技术,应力、应变和位移量测技术于一体的综合性施工技术,技术要求高,施工难度大。岩锚梁主要应用于大型水利枢纽工程地下厂房中机电设备的安装、维修等。它与岩台梁及其他结构梁相比,能缩窄地下厂房的跨度,减少工程量,降低工程造价,增加洞室的稳定。开挖到相应部位即可施工岩锚梁,无需等整个洞室全部开挖完成后再施作,岩锚梁的提前施工又为下一步的施工创造了十分有利的条件,可使整个主厂房的工期缩短8个月左右,经济效益极为显著。在我国,岩锚梁的应用正处于起步和推广阶段,其施工技术正逐步完善。已建成投入运行的有云南鲁布革电站、贵州东风电站和太平驿电站、广东抽水蓄能电站。江坯电站于1997年12月建成并投入机电安装,现已投入运营。正在建设的黄河小浪底水利枢纽等水利工程也将采用这种新型结构。中铁第十六工程局承担的湖南省江哑电站地下厂房和尾调室均设有岩锚梁。施工过程中对其施工工艺进行研究、总结,形成本工法。二、工法特点1.施工工艺完善、简便,可操作性强,降低劳动强度。2.施工速度快,工效高,确保工期。园林人www.yuanliner.com信息免费浏览资料免费下载公司免费宣传第2页3.施工质量容易得到保证,能够满足设计要求。三、运用范围本工法适用于地下厂房岩锚梁施工,也适用于类似结构的工程项目。四、施工要点岩锚梁施工技术是水电施工的尖端技术之一。岩台开挖、长锚杆施工、梁体混凝土施工是岩锚梁施工的三大技术难题,特别对岩台开挖、长锚杆施工质量要求极严。地下厂房的开挖深度一般在50m左右,分层开挖,第Ⅰ层(拱部)施工完成以后,即可进行第Ⅱ层开挖及岩锚梁的施工,然后再进行第Ⅲ层以下的开挖。因此Ⅰ、Ⅱ、Ⅲ层分层高度要合理,主要考虑以下因素:满足岩台开挖前预留保护层的厚度;满足岩锚梁锚杆施工所需的空间;梁体混凝土施工要方便;第Ⅲ层开挖爆破振动对已施工完成的岩锚梁影响要小。1.岩台开挖岩台开挖是岩锚梁施工最关键的技术。要预留2.5~3.0m的保护层,然后再进行岩台开挖。岩台用7655型凿岩机人工开挖,分四步进行(见图2),造孔方向、爆破参数和开挖方法要根据不同的地质情况经试验、模拟后确定。第Ⅲ层边墙在梁体施工前预裂,目的是减少第Ⅲ层开挖爆破对岩锚梁产生不利影响。2.锚杆施工(1)用H-178型三臂钻孔台车造孔,锚杆角度用角度架控制(如图3所示)。锚杆位置用油漆按设计要求标出。必须核实锚杆角度,符合要求后,方可开钻。钻杆长度根据孔深确定,并用连接套连接。钻孔完成后用高压水将孔内岩粉冲洗干净,下倾角锚孔内积水和岩粉在注浆前用高压风吹干净。(2)注浆方式决定着锚杆锚固质量。注浆方式原则上分为双管注浆和单管注浆两大类。双管注浆是先安装锚杆和排气管,然后注浆,注浆后将排气管抽出,锚孔直径应大于锚杆直径25mm以上,便于安装排气管和注浆管;单管注浆是先注浆后插锚杆,锚孔直径大于锚园林人www.yuanliner.com信息免费浏览资料免费下载公司免费宣传第3页@筑龙网杆直径15mm以上。注浆施工前要作注浆密实性模拟试验。试验选取内径与锚孔相近,长度与锚孔一样的塑料管,将管一端密封,按预定方向固定,分别采用两种方式注浆和安装锚杆,养生一周后,将管剖开,检查杆体位置及注浆密实程度。根据试验结果确定相应的注浆方式。一般情况,受拉锚杆直径粗,杆体长,重量大,采用双管注浆;辅助锚杆和受压锚杆采用单管注浆。(3)采用棉纱或牛皮纸注浆塞,操作方便,密封性好,经济节约。(4)经对比试验确定的配合比(重量比)为:425#水泥∶细砂∶水=1∶1.0∶(0.40-0.42)。细砂用细度模数小于2.0的天然砂,使用前要过筛,不宜使用机制砂。(5)锚杆施工工艺流程(见图4)。3.梁体施工(1)梁体钢筋混凝土施工。岩锚梁构造特殊,体...

1、当您付费下载文档后,您只拥有了使用权限,并不意味着购买了版权,文档只能用于自身使用,不得用于其他商业用途(如 [转卖]进行直接盈利或[编辑后售卖]进行间接盈利)。
2、本站所有内容均由合作方或网友上传,本站不对文档的完整性、权威性及其观点立场正确性做任何保证或承诺!文档内容仅供研究参考,付费前请自行鉴别。
3、如文档内容存在违规,或者侵犯商业秘密、侵犯著作权等,请点击“违规举报”。

碎片内容

岩锚梁施工工法

您可能关注的文档

确认删除?
VIP
微信客服
  • 扫码咨询
会员Q群
  • 会员专属群点击这里加入QQ群
客服邮箱
回到顶部