电脑桌面
添加小米粒文库到电脑桌面
安装后可以在桌面快捷访问

皖价服[2006]177号VIP免费

皖价服[2006]177号_第1页
1/9
皖价服[2006]177号_第2页
2/9
皖价服[2006]177号_第3页
3/9
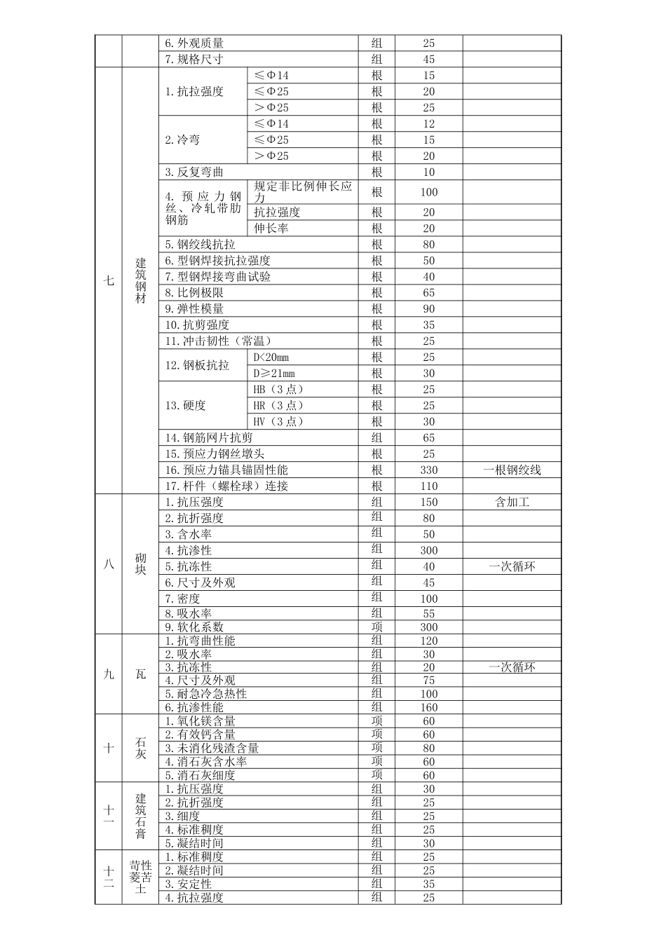
安徽省物价局、建设厅关于制定建设工程质量检测收费标准的通知皖价服〔2006〕177号二○○六年六月十九日各市、县物价局、建委(局)、合肥市建管局:为加强我省建设工程质量检测收费管理,保证建设工程质量和安全,促进建设工程质量检测工作的健康发展,根据《建设工程质量检测管理办法》和《安徽省经营性服务收费管理办法》等有关规定,现就制定我省建设工程质量检测收费标准的有关事项通知如下:一、本通知所指的建设工程质量检测包括:建设工程质量检测和建筑材料试验服务(以下简称检测试验服务),民用建筑工程室内环境质量检测服务(以下简称室内环境检测)。二、建设工程检测试验服务是指依法取得省级建设行政主管部门颁发的《建设工程质量检测机构资质证书》、省物价部门确认的收费资格,并具有独立法人资格的建设工程质量检测机构,接受委托,依据国家的法律、法规、技术标准与规范,对涉及建筑结构安全项目的抽样检测和对进入施工现场的建筑材料、构配件的见证取样检测等。室内环境检测是获得省建设行政主管部门认可,取得省物价主管部门确认的收费资格,并具有法人资格的检测机构,依据国家的法律、法规、技术标准与规范,对民用建筑工程室内环境进行的检测服务。三、建设工程质量检测服务应本着自愿委托、有偿服务的原则。检测机构按有关规定与委托单位签订检测合同,明确双方的权利和义务。任何部门和单位不得利用职权强制服务,强行收费。四、建设工程质量检测服务收费实行政府定价。收费标准按照提供检测的项目分别计费。具体检测项目和标准见附件。本通知中未列的检测项目,实际工作中又确实需要的,由检测单位参照相近项目收费标准与委托方协商确定。五、建设工程质量检测机构应坚持“科学性、公正性、准确性”,对其提供的检测结果负经济、法律责任。六、省建设工程质量监督管理机构对各建设工程质量检测机构具有政策指导、技术认定、信息技术、对比试验等服务职能。各检测机构按检测服务费的1%上交省建设工程质量监督管理机构。专项用于全省建设工程检测服务的技术指导等工作。七、建设工程质量检测收费属省管的经营性服务收费,根据《安徽省经营性服务收费管理办法》的规定,检测机构收费前,应按隶属关系到物价部门办理《安徽省经营性服务收费许可证》变更手续,并将收费项目和收费标准在收费场所醒目位置公布。收费时使用税票,按章纳税,主动接受物价部门和社会的监督。八、各级物价部门要加强建设工程质量检测服务收费的管理和监督,严格审验建设工程质量检测机构的资质和资格。凡未取得合法资格的机构,不得从事检测服务并收费。九、本通知由省物价局负责解释。十、本通知自发文之日起执行,有效期为5年,5年后视执行情况重新核定。原我省建设工程质量检测服务收费的有关规定自行废止。附件:1.安徽省建设工程质量检测和建筑材料试验服务收费项目及标准2.安徽省民用建筑工程室内环境质量检测收费项目及标准附件1安徽省建设工程质量检测和建筑材料试验服务收费标准序号名称试验项目单位收费(标准元)备注一水泥1.密度组252.比表面积组353.细度组30负压筛4.标准稠度用水量组205.凝结时间组556.安定性组557.胶砂强度组1808.胶砂强度快速测定组1009.水泥水化热组62010.胀缩试验组14011.氧化镁组11012.三氧化硫组55二砂1.颗粒级配组552.表观密度组453.吸水率组304.密度(含松散、堆积)组305.饱和面干密度组556.含水率组257.含泥量组408.泥块含量组359.有机物含量组5510.云母含量组4511.水溶性硫化物组6512.轻物质含量组6513.坚固性组20014.氯离子含量组90三石子1.颗粒级配组552.表观密度组403.饱和面干比重及吸水率组404.表面含水率组305.密度(含松散、堆积)组356.含泥量组357.泥块含量组258.有机物含量组509.针片状含量组3010.超逊颗粒含量组2511.卵石软弱颗粒含量组4012.压碎指标组10013.坚固性组20014.水溶性硫化物组6015.抗压强度组55不包括加工费四混凝土1.普通砼配合比设计个500试配2.立方体抗压强度边长10cm组25边长15cm组25边长20cm组303.轴心抗压强度组30边长≤20cm4.劈裂抗拉强度组655.抗折强度组606.静力弹性模量应变法个120Φ150×300mm支架...

1、当您付费下载文档后,您只拥有了使用权限,并不意味着购买了版权,文档只能用于自身使用,不得用于其他商业用途(如 [转卖]进行直接盈利或[编辑后售卖]进行间接盈利)。
2、本站所有内容均由合作方或网友上传,本站不对文档的完整性、权威性及其观点立场正确性做任何保证或承诺!文档内容仅供研究参考,付费前请自行鉴别。
3、如文档内容存在违规,或者侵犯商业秘密、侵犯著作权等,请点击“违规举报”。

碎片内容

皖价服[2006]177号

您可能关注的文档

确认删除?
VIP
微信客服
  • 扫码咨询
会员Q群
  • 会员专属群点击这里加入QQ群
客服邮箱
回到顶部