电脑桌面
添加小米粒文库到电脑桌面
安装后可以在桌面快捷访问

双桥静力触探应用VIP免费

双桥静力触探应用_第1页
1/5
双桥静力触探应用_第2页
2/5
双桥静力触探应用_第3页
3/5
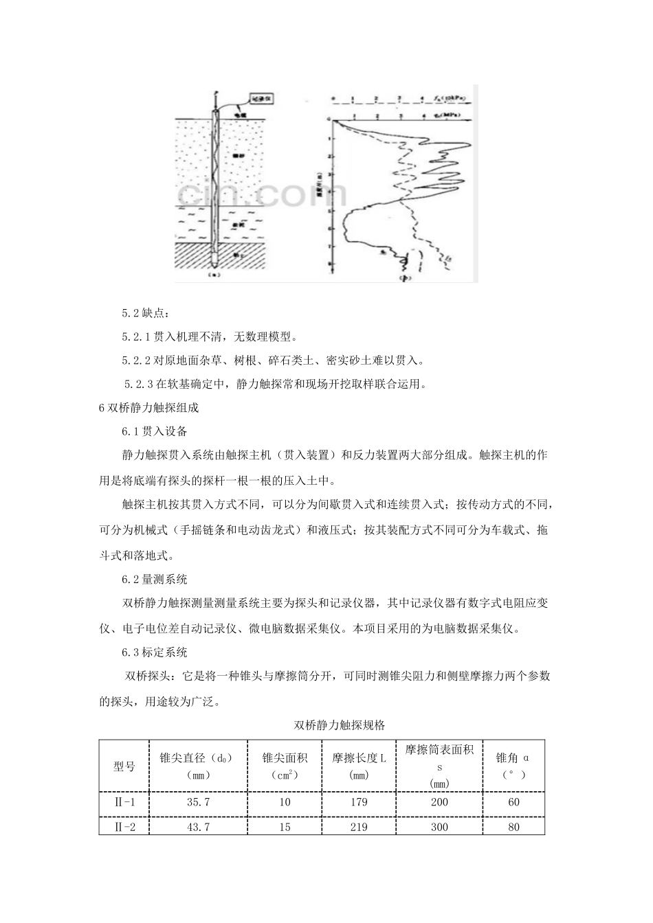
双桥静力触探软土路基施工中的应用摘要:简介静力触探测试在汕湛高速公路软土路基施工中的应用,探讨双桥静力触探技术指导软土路基施工。关键词:深度锥尖阻力侧壁阻力摩阻比土体分类承载力1引言随着高速公路建设的发展,高速公路面向山区,地形条件复杂,在修建过程中经常遇到鱼塘、沼泽、河滩、洼地等不良条件,高等级公路在修建过程中需要进行软基处理来保证路基稳定性,保证工程质量。目前常见的软土路基处治方法较多,在处理深层软土路基时较常用的为塑料排水板、预应力管桩、旋喷桩等方法。浅层路基软基处理方法采用换填、抛石挤淤、堤身自重挤淤法。如何选用适合软基施工材料是施工中非常重要的一个环节,同时也是一个困扰施工企业的难点。2工程概况汕湛高速揭博项目T7标段,路线起于五华县梅林镇梅新水库下游,终点位于华阳镇锡古塘角村。起讫桩号为K132+020-K142+000,全长9.98km,该项目所经区域地貌总体属于长期风化剥蚀丘陵丘陵地貌,第四系地层较发育,广泛分布于全标段。标段内不良地质主要为软土及粉质粘土。本标段路基最大填土高度为28m,属于本项目中重点及难点施工。施工图中设计特殊路基处理与现场实际情况极为不符,设计软基处理采用砂性土进行换填。在施工中发现设计深度于实际深度相差较大,地下水较为发育,需进行变更,确定软基深度及换填材料等。3双桥静力触探简介目前采用较多的静力触探主要分为三类,及单桥静力触探、双桥静力触探、孔压静力触探。单桥静力触探所提供参数为贯阻力ps,双桥静力触探所提供参数有锥尖阻力qc和侧壁摩阻力fs,孔压静力触探所提供参数是锥尖阻力qc、侧壁阻力fs和孔隙水压u。双桥静力触探设备包括微机、探头、连杆、液压设备、油泵、地锚等,轻巧方便,四五人即可移动。双桥静力触探试验作为岩土测试分析技术的一种,在岩土工程中得到广泛应用,在铁路行业发展较早,在公路地质勘探及设计单位中广泛应用的也很多。双桥静力触探使用微电脑使地质层的数据采集、存储、处理、打印和绘图,实现自动化,在现场取得图层变化的剖面变化信息,并提供土的工程参数,大大的缩短勘探周期,并对岩土的工程问题,比如天然地基承载力,地质土层的贯阻力,以获得土层原状态的物理力学性质。4适用范围适用于软土、粘性土、粉土、(饱和)砂土和含少量碎石的土。5优点和缺点5.1优点:5.1.1测点连续、快速、效率高,功能多,兼有勘探与测试的双重作用。5.1.2采用电测技术后,易于实现测试过程的自动化,测试成果可由计算机自动处理,大大减轻了工作强度。5.2缺点:5.2.1贯入机理不清,无数理模型。5.2.2对原地面杂草、树根、碎石类土、密实砂土难以贯入。5.2.3在软基确定中,静力触探常和现场开挖取样联合运用。6双桥静力触探组成6.1贯入设备静力触探贯入系统由触探主机(贯入装置)和反力装置两大部分组成。触探主机的作用是将底端有探头的探杆一根一根的压入土中。触探主机按其贯入方式不同,可以分为间歇贯入式和连续贯入式;按传动方式的不同,可分为机械式(手摇链条和电动齿龙式)和液压式;按其装配方式不同可分为车载式、拖斗式和落地式。6.2量测系统双桥静力触探测量测量系统主要为探头和记录仪器,其中记录仪器有数字式电阻应变仪、电子电位差自动记录仪、微电脑数据采集仪。本项目采用的为电脑数据采集仪。6.3标定系统双桥探头:它是将一种锥头与摩擦筒分开,可同时测锥尖阻力和侧壁摩擦力两个参数的探头,用途较为广泛。双桥静力触探规格型号锥尖直径(d0)(mm)锥尖面积(cm2)摩擦长度L(mm)摩擦筒表面积s(mm)锥角α(°)Ⅱ-135.71017920060Ⅱ-243.715219300803静力触探技术的施工应用3.1判断软土厚度及持力层位置对于路基软基处理换填等处理方法,一般要求必须软基挖除至持力层,本项目锥尖阻力qc达到0.75(Mpa)及为合格,深度也由此确定,但是本项目为了验证路基地质变化是否满足要求,在现场做静力触探试验时深度加20cm,确定地质是否良好。3.2双桥静力触探位置的选择根据现场的实际软基面积来确定静力触探点位布置,根据实际现场施工情况总结,静力触探点位布置按路线纵向每20m布置一道,横向每30m布置一处,现场地质变化不...

1、当您付费下载文档后,您只拥有了使用权限,并不意味着购买了版权,文档只能用于自身使用,不得用于其他商业用途(如 [转卖]进行直接盈利或[编辑后售卖]进行间接盈利)。
2、本站所有内容均由合作方或网友上传,本站不对文档的完整性、权威性及其观点立场正确性做任何保证或承诺!文档内容仅供研究参考,付费前请自行鉴别。
3、如文档内容存在违规,或者侵犯商业秘密、侵犯著作权等,请点击“违规举报”。

碎片内容

双桥静力触探应用

海纳百川+ 关注
实名认证
内容提供者

热爱教学事业,对互联网知识分享很感兴趣

确认删除?
VIP
微信客服
  • 扫码咨询
会员Q群
  • 会员专属群点击这里加入QQ群
客服邮箱
回到顶部