电脑桌面
添加小米粒文库到电脑桌面
安装后可以在桌面快捷访问

附录A表2 工程施工资料归档范围及组卷目录VIP专享VIP免费

附录A表2 工程施工资料归档范围及组卷目录_第1页
1/28
附录A表2 工程施工资料归档范围及组卷目录_第2页
2/28
附录A表2 工程施工资料归档范围及组卷目录_第3页
3/28
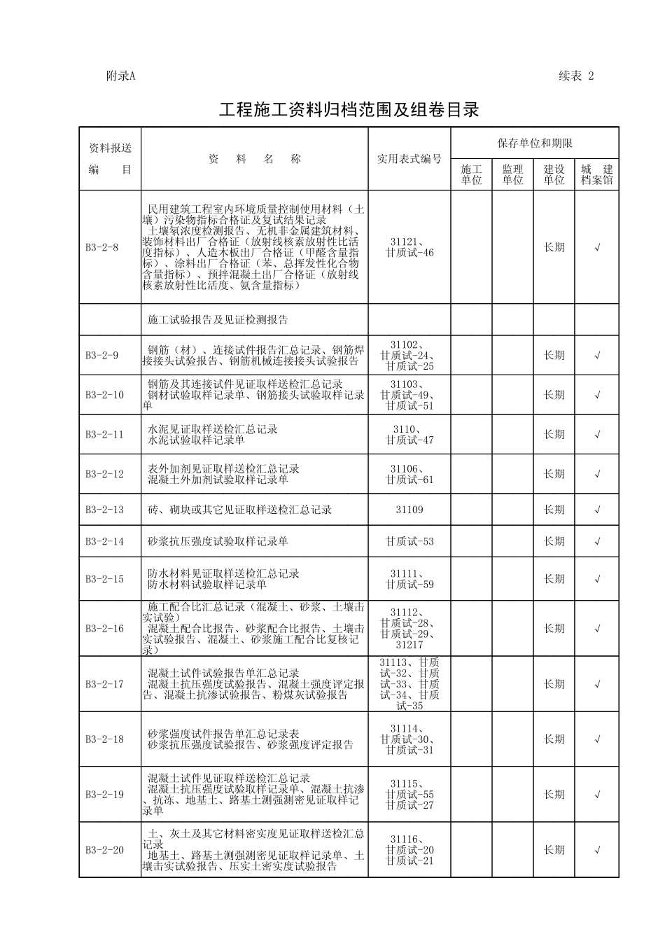
附录A表2工程施工资料归档范围及组卷目录资料报送编目资料名称实用表式编号保存单位和期限施工单位监理单位建设单位城建档案馆B1施工现场质量管理检查卷B1-1施工现场质量管理检查记录表表A.0.1短期短期短期√B1-1-1现场质量管理制度短期施工图会审制度、设计交底制度、技术交底制度、施工测量制度、工序交接、质量检查评定制度、质量例会制度短期B1-1-2质量责任制短期人员分工及质量责任制度(岗位职责)、定期检查与质量挂钩的奖罚制度短期B1-1-3主要专业工种操作上岗证书短期测量工、起重工、塔吊司机、钢筋工、机械工、电焊工、防水工、架子工等上岗证复印件短期B1-1-4分包方资质与对分包单位的管理制度短期(1)分包单位资质审查表10005(每个分包单位为一个组成单位);(2)分包单位资质复印件;(3)对分包单位质量、技术管理制度。短期B1-1-5施工图审查情况图纸审查报告及审查批准书短期B1-1-6地质勘察资料岩土工程勘察报告短期B1-1-7施工组织设计、施工方案及审批短期(1)施工组织设计和施工方案的编制、审批制度;(2)施工组织设计文本短期B1-1-8施工技术标准短期将执行建设部、甘肃省行业技术标准或企业标准,填入该栏目内即可,不附文本。短期B1-1-9工程质量检验制度原材料、设备进场检验制度、施工过程的试验报告制度短期B1-1-10搅拌站及计量设置现场混凝土搅拌、砂浆搅拌的计量、管理制度短期B1-1-11现场材料、设备存放与管理钢材、砂、石、水泥、卷材等现场存放的管理制度短期B2工程管理综合卷B2-1工程开工报告10001长期长期永久√B2-2单位(子单位)工程质量竣工验收记录G.0.1-1长期长期永久√B2-3单位(子单位)工程质量控制资料核查记录G.0.1-2长期长期永久√B2-4单位(子单位)工程质量安全和功能检验资料核查及主要功能抽查记录G.0.1-3长期长期永久√B2-5单位(子单位)工程观感质量检查记录G.0.1-4长期长期永久√B2-6单位工程竣工预检报告10002短期B2-7地基与基础工程结构预检验记录10009短期B2-8主体结构工程质量预检记录10010短期B2-9工程竣工质量预检记录10011短期附录A续表2工程施工资料归档范围及组卷目录资料报送编目资料名称实用表式编号保存单位和期限施工单位监理单位建设单位城建档案馆B2-10单位(子单位)工程见证取样送检检测单位资质审核记录,附相关资质及计量检测证书等10012短期B2-11单位(子单位)工程检验批划分记录10013短期B2-12工程质量事故报告书,附建筑工程质量事故调查(勘查)笔录10006长期长期√B2-13工程复工申请书10007短期短期B2-14施工组织设计短期B2-15工程定位测量放线记录2004、2005长期永久√B2-16沉降观测记录2006长期长期√B2-17建筑物垂直度、标高、全高测量记录2007长期长期√B2-18竣工图登记表附竣工图10008长期长期√B2-19工程质量保修书长期长期√B3地基与基础分部卷B3-1地基与基础分部(子分部)工程验收记录表40001(F.0.1)长期长期√B3-2地基与基础分部工程质量控制资料核查记录40002.140002.2长期长期永久√B3-2-1地基与基础分部图纸会审、设计变更、洽商记录设计图纸会审(纪要)记录设计变更(洽商记录)20001、20002长期永长√B3-2-2工程定位、放线测量记录工程定位(标高)测量记录、工程定位(测量)复核记录、轴线标高复核记记录20004、2000531212长期长期√地基基础分部原材料出厂合格证及进场(检)试验报告B3-2-3钢材合格证、复试报告单汇总记录钢材试验报告、钢筋力学性能试验报告、钢材(筋)出厂合格证、钢材、钢筋连接接头出厂合格证、焊条(剂)合格证31101、甘质试-23长期√B3-2-4水泥合格证、复试报告单汇总记录水泥试验报告、水泥出厂合格证31104、甘质试-23长期√B3-2-5粗、细骨料试验报告汇总记录砂试验报告、卵石(碎石)试验报告、轻骨料试验报告31107、甘质试-26、甘质试-27长期√B3-2-6砖、砌块合格证、复试报告单汇总记录砖、砌块出厂合格证、烧结普通砖外观质量检验记录及质量等级判定报告、烧结普通砖尺寸偏差检验记录及质量等级判定报告、烧结普通砖、烧结多孔砖强度等级试验报告31108、甘质试-36、甘质试-37、甘质试-38长期√B3-2-7防水材料合格证、复试报告单汇总表防水材料...

1、当您付费下载文档后,您只拥有了使用权限,并不意味着购买了版权,文档只能用于自身使用,不得用于其他商业用途(如 [转卖]进行直接盈利或[编辑后售卖]进行间接盈利)。
2、本站所有内容均由合作方或网友上传,本站不对文档的完整性、权威性及其观点立场正确性做任何保证或承诺!文档内容仅供研究参考,付费前请自行鉴别。
3、如文档内容存在违规,或者侵犯商业秘密、侵犯著作权等,请点击“违规举报”。

碎片内容

附录A表2 工程施工资料归档范围及组卷目录

确认删除?
VIP
微信客服
  • 扫码咨询
会员Q群
  • 会员专属群点击这里加入QQ群
客服邮箱
回到顶部