电脑桌面
添加小米粒文库到电脑桌面
安装后可以在桌面快捷访问

拼花成品检验标准VIP免费

拼花成品检验标准_第1页
1/4
拼花成品检验标准_第2页
2/4
拼花成品检验标准_第3页
3/4
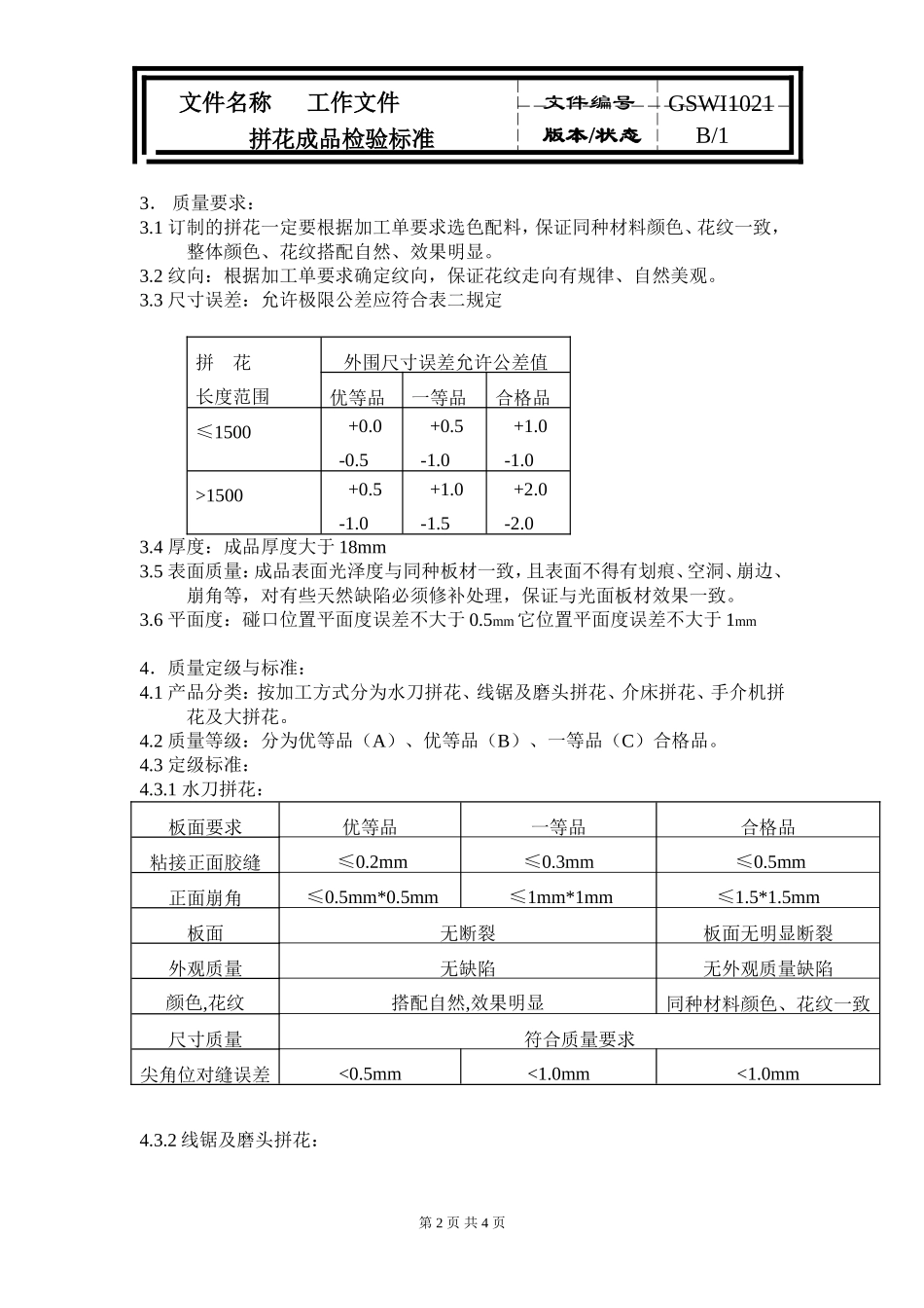
愉天石材(深圳)有限公司文件名称:文件编号:GSWI1021拼花成品检验标准编制:杨大伟审核:郑则发批准:郑则发日期:2005.3.28修订记录:版本/状态修改内容提出审核批准日期A/0第一次发行B/0改为2000版刘开银蒋朝红蒋朝红2002.6.28B/1检验工具的使用杨大伟郑则发郑则发2005.3.28未经许可不得翻印1.编写目的:保证工厂生产的拼花质量符合客户要求,防止不合格品的出厂。2.适用范围:本标准适用于工厂生产的拼花成品检验控制,并按本标准评级。文件名称工作文件拼花成品检验标准文件编号版本/状态GSWI1021B/13.质量要求:3.1订制的拼花一定要根据加工单要求选色配料,保证同种材料颜色、花纹一致,整体颜色、花纹搭配自然、效果明显。3.2纹向:根据加工单要求确定纹向,保证花纹走向有规律、自然美观。3.3尺寸误差:允许极限公差应符合表二规定拼花长度范围外围尺寸误差允许公差值优等品一等品合格品≤1500+0.0-0.5+0.5-1.0+1.0-1.0>1500+0.5-1.0+1.0-1.5+2.0-2.03.4厚度:成品厚度大于18mm3.5表面质量:成品表面光泽度与同种板材一致,且表面不得有划痕、空洞、崩边、崩角等,对有些天然缺陷必须修补处理,保证与光面板材效果一致。3.6平面度:碰口位置平面度误差不大于0.5mm它位置平面度误差不大于1mm4.质量定级与标准:4.1产品分类:按加工方式分为水刀拼花、线锯及磨头拼花、介床拼花、手介机拼花及大拼花。4.2质量等级:分为优等品(A)、优等品(B)、一等品(C)合格品。4.3定级标准:4.3.1水刀拼花:板面要求优等品一等品合格品粘接正面胶缝≤0.2mm≤0.3mm≤0.5mm正面崩角≤0.5mm*0.5mm≤1mm*1mm≤1.5*1.5mm板面无断裂板面无明显断裂外观质量无缺陷无外观质量缺陷颜色,花纹搭配自然,效果明显同种材料颜色、花纹一致尺寸质量符合质量要求尖角位对缝误差<0.5mm<1.0mm<1.0mm4.3.2线锯及磨头拼花:第2页共4页文件名称工作文件拼花成品检验标准文件编号版本/状态GSWI1021B/1板面要求优等品一等品合格品粘接正面胶缝≤0.3mm≤0.5mm≤0.5mm正面崩角≤0.5mm*0.5mm≤1mm*1mm≤1.5*1.5mm板面无断裂板面无明显断裂外观质量无缺陷无外观质量缺陷颜色,花纹搭配自然,效果明显同种材料颜色、花纹一致尺寸质量符合质量要求3尖角位对缝误差<0.5mm<1.0mm<1.5mm4.3.3介床拼花:板面要求优等品一等品合格品粘接正面胶缝≤0.3mm≤0.3mm≤0.5mm正面崩角≤0.5mm*0.5mm≤1mm*1mm≤1.5*1.5mm板面无断裂板面无明显断裂外观质量无缺陷无外观质量缺陷颜色,花纹搭配自然,效果明显同种材料颜色、花纹一致尺寸质量符合质量要求3尖角位对缝误差<0.5mm<1.0mm<1.0mm4.3.4手介机拼花及大拼花:板面要求优等品一等品合格品粘接正面胶缝≤0.5mm≤0.7mm≤1mm散件拼口线密度<0.5mm<1mm<1.5mm正面崩角≤1mm*1mm≤1mm*1mm≤1.5*1.5mm板面无断裂板面无明显断裂外观质量无缺陷无外观质量缺陷颜色,花纹搭配自然,效果明显同种材料颜色、花纹一致尺寸质量符合质量要求3尖角位对缝误差<0.5mm<1.0mm<1.5mm第3页共4页文件名称工作文件拼花成品检验标准文件编号版本/状态GSWI1021B/15.检验方法:5.1用卷尺测量产品尺寸,以最大和最小测量值作为产品尺寸偏差。5.2用校验合格的水平尺或经检验合格石平尺结合塞尺测量平直度误差,以最大测量值作为产品平直度误差值。5.3用卷尺结合目测法来检测胶缝(或拼缝)大小,以最大测量值作为产品胶缝(或拼缝)宽度值。5.4用目测法来检测拼花胶缝颜色、外观质量.5.5用目测法来检测拼花颜色,花纹色调:将选定的协议板与被检板材同时平放在地上,距1500mm处目测。5.6用光泽度测量仪检测拼花表面光泽度。6.检验规则:6.1检验项目:规格尺寸、平面度、表面光泽度、胶缝、外观质量。6.2组批:以相同类型或同加工单拼花为一组。6.3判定:单件产品的所有检验结果符合质量定级标准中相应等级时,判定为该等级。同一批拼花产品中,优等品中不得有超过5%的一等品,一等品中不得有超过10%的合格品,合格品中不得有不合格品。7.物理力学性能检测:体积密度、吸水率、干燥压缩强度、弯曲强度在顾客要求时送外检验。8.标志、包装、运输与储存详见《装箱质量标准》。第4页共4页

1、当您付费下载文档后,您只拥有了使用权限,并不意味着购买了版权,文档只能用于自身使用,不得用于其他商业用途(如 [转卖]进行直接盈利或[编辑后售卖]进行间接盈利)。
2、本站所有内容均由合作方或网友上传,本站不对文档的完整性、权威性及其观点立场正确性做任何保证或承诺!文档内容仅供研究参考,付费前请自行鉴别。
3、如文档内容存在违规,或者侵犯商业秘密、侵犯著作权等,请点击“违规举报”。

碎片内容

拼花成品检验标准

确认删除?
VIP
微信客服
  • 扫码咨询
会员Q群
  • 会员专属群点击这里加入QQ群
客服邮箱
回到顶部