电脑桌面
添加小米粒文库到电脑桌面
安装后可以在桌面快捷访问

混凝土梁、板粘钢加固工程施工方案VIP免费

混凝土梁、板粘钢加固工程施工方案_第1页
1/5
混凝土梁、板粘钢加固工程施工方案_第2页
2/5
混凝土梁、板粘钢加固工程施工方案_第3页
3/5
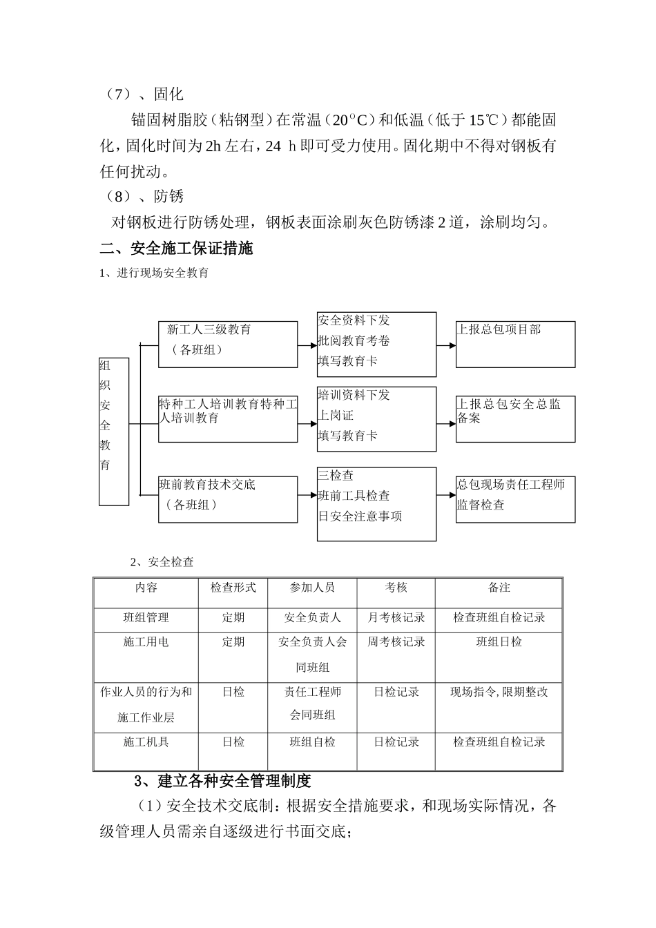
混凝土梁、板粘钢加固工程施工方案本工程严格按照国家建筑标准设计图集03SG611执行加固,工程中所使用结构粘结剂必须进行安全性检验,粘钢胶粘剂必须采用专门配制的改性环氧树脂胶粘剂,不得使用不饱和聚酯树脂,醇酸树脂等作浸渍、粘结胶粘剂。一、粘钢施工1、楼梯梁加固(1)因梁板等砼构件钢筋普遍锈蚀,对所有梯板及楼梯进行粘钢加固。(2)清除板下表面的模板接槎漏浆凸出条块、剥落、疏松、蜂窝、腐蚀等砼,一定露出砼结构新面。(3)板下钢筋露出部位、用钢刷刷掉钢筋剥落,锈蚀等杂物,清洗掉灰尘,干燥。(4)按上述外理好基层后用修复材料将表面修复平整,对于大孔洞凹陷3mm以上处采用聚合物砂浆修复平整,且与原砼粘结牢固并保证外露钢筋有10mm厚保护层。(5)涂刷底层树脂在底层树脂表面指触干燥到完全固化期间进行下一工序施工。2、现浇楼梯板粘钢加固方法(1)楼板受弯载力不满足要求时,可采用在板的受拉区表面用特制的建筑结构胶粘贴钢板(扁钢)的方法进行加固。(2)结构胶的性能、加固构造措施及施工要点,应满足现行《砼结构加固技术规范》CECS25:90要求。(3)钢板布置应与板受力情况相适应,一般是根据现浇板受力大小调节扁钢间距,扁钢规格基本固定不变;预制板因间距固定,一般骑缝布置在边肋部,主要变更调节钢板宽度,每块板至少粘贴一块钢板。3、现浇楼板粘钢加固(1)本工程结构现浇楼板双向连续板,因此,原则上应双面双向回固,但为使构造简单,并孝虑一定的塑性内力重分布,仅按单向双面加固。(2)支座部位负弯矩区加固,被砖墙阻断时,一般可直接沿板面在砖墙中凿洞穿过扁钢,扁钢外伸长度应≥L/4,L为板跨度,扁钢尽端应设锚栓进行附加加固。(3)跨中正弯区加固,直接粘钢板条即可。但两端应进行附加锚固。4、预制楼板粘钢加固(1)除叠合楼板外,预制砼楼板有受力上属于简支板,只需有板底单面进行粘钢加固(2)为使粘钢受力简单明确,扁钢一般可以布置在主肋部位,即两块扁钢合二为一,骑缝粘贴。(3)扁钢两端应设穿孔螺栓进行附加锚固。5、粘钢工艺流程粘钢加固的效果主要取决于粘结施工质量。本工程粘钢采用JCT-2型粘钢胶施工,施工工艺流程如下:钢板加工—钢材表面处理—原结构板打磨、钻孔—配胶—粘贴—固定及加压—固化—检验6、粘钢施工方法(1)钢板加工根据设计的钢板宽度和长度,用切割机切割钢板条。为保证钢板切割的质量,选用最先进切割手段之一的离子切割机切割钢板,离子切割机切割的钢板,钢板不变形,不影响钢板的材质。为保证钢板的粘贴质量,钢板与原楼板或楼梯板之间需加压,钢板加压采用螺栓、膨胀螺栓、油托顶撑固定并加压。螺栓的间距为200-300mm,两端两排,中间为膨胀螺栓或化学锚栓单排布置,采用先进的进口磁力钻在钢板上钻孔。(2)、钢板表面处理表面处理包括钢板粘接面处理及加固钢板粘接面处理,是最关键的工序。钢板粘接面必须进行除锈和粗糙处理:即在钢板表面用角机打磨除锈,直至出现金属光泽。配胶锚固树脂胶(粘钢型)为甲、乙双组分,在使用时于现场混合。配制按产品使用说明书规定进行。(3)、粘贴胶粘剂配制好后,用抹刀涂抹在已处理好钢板面上,胶层厚度约5mm左右,中间厚边缘薄,然后将钢板贴于预定位置。(4)、固定与加压钢板粘贴好后,钢板加压采用螺栓、膨胀螺栓、油托顶撑固定并加压,以使胶液刚从钢板边缘挤出为度。螺栓及膨胀螺栓兼作钢板的永久附加锚固措施,当钢板受力后可以起到抗剪切作用。(7)、固化锚固树脂胶(粘钢型)在常温(20ОC)和低温(低于15℃)都能固化,固化时间为2h左右,24h即可受力使用。固化期中不得对钢板有任何扰动。(8)、防锈对钢板进行防锈处理,钢板表面涂刷灰色防锈漆2道,涂刷均匀。二、安全施工保证措施1、进行现场安全教育2、安全检查内容检查形式参加人员考核备注班组管理定期安全负责人月考核记录检查班组自检记录施工用电定期安全负责人会同班组周考核记录班组日检作业人员的行为和施工作业层日检责任工程师会同班组日检记录现场指令,限期整改施工机具日检班组自检日检记录检查班组自检记录3、建立各种安全管理制度(1)安全技术交底制:根据安全...

1、当您付费下载文档后,您只拥有了使用权限,并不意味着购买了版权,文档只能用于自身使用,不得用于其他商业用途(如 [转卖]进行直接盈利或[编辑后售卖]进行间接盈利)。
2、本站所有内容均由合作方或网友上传,本站不对文档的完整性、权威性及其观点立场正确性做任何保证或承诺!文档内容仅供研究参考,付费前请自行鉴别。
3、如文档内容存在违规,或者侵犯商业秘密、侵犯著作权等,请点击“违规举报”。

碎片内容

混凝土梁、板粘钢加固工程施工方案

您可能关注的文档

确认删除?
VIP
微信客服
  • 扫码咨询
会员Q群
  • 会员专属群点击这里加入QQ群
客服邮箱
回到顶部