电脑桌面
添加小米粒文库到电脑桌面
安装后可以在桌面快捷访问

人防工程竣工验收报告新VIP专享VIP免费

人防工程竣工验收报告新_第1页
1/17
人防工程竣工验收报告新_第2页
2/17
人防工程竣工验收报告新_第3页
3/17
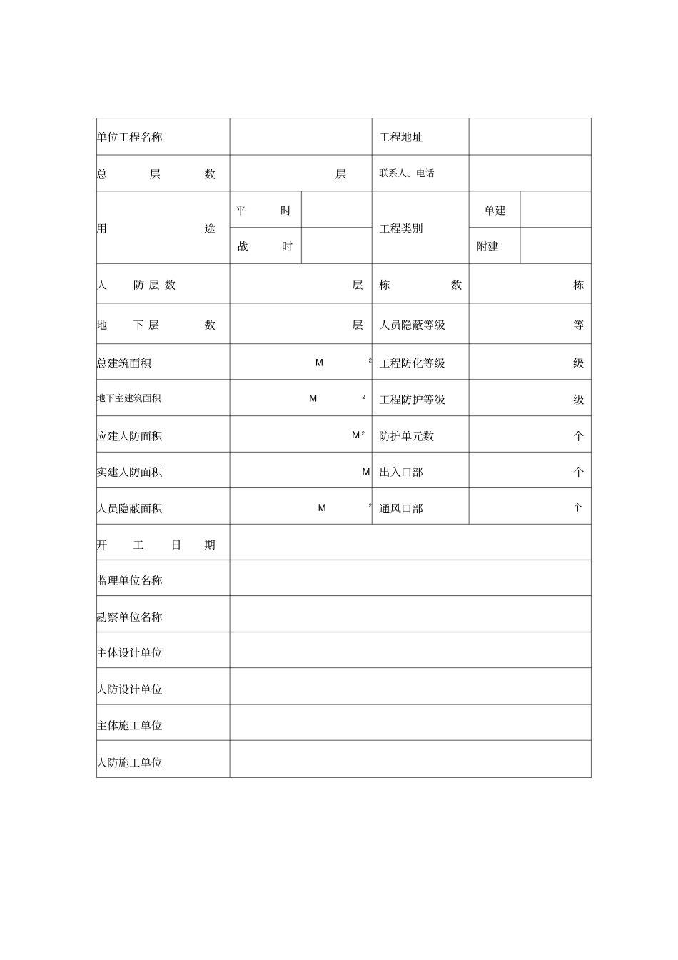
人防工程竣工验收报告单位工程名称:___________________________建设单位名称:_________________________竣工验收时间:_________________________填表日期:单位工程名称工程地址总层数层联系人、电话用途平时工程类别单建战时附建人防层数层栋数栋地下层数层人员隐蔽等级等总建筑面积M2工程防化等级级地下室建筑面积M2工程防护等级级应建人防面积M2防护单元数个实建人防面积M出入口部个人员隐蔽面积M2通风口部个开工日期监理单位名称勘察单位名称主体设计单位人防设计单位主体施工单位人防施工单位工程概况(包括人防部分):该工程位于市路(具体地址),北临路,南临路,东临路,西临路,建筑面积〃,使用面积〃,平时作为使用(平时功能),战时为_______________(战时功能),可掩蔽_________人员,储存m3物资,防常规武器等级为级,防核武器等级为级,防化等级为级。该工程由(建设单位)投资建设,(勘察单位)勘察,_______________________________(设计单位)设计,(施工单位)施工,(监理单位)监理,(质监机构)质监。建设单位对监理单位评价:工程监理单位对工程施工进行了全过程监理,重点在工程质量、进度和造价等三方面实行了严格监督管理,较好地履行了工程监理职责,确保了人防工程按期交工,工程质量达到了人防工程竣工验收标准。建设单位对勘察单位评价:该人防工程较好地执行了国家关于工程建设勘察工作的法律、法规、技术规程和规范,建设单位对人防设计单位评价:设计完整全面,能满足战时和平时使用需要,达到了人防工程建设要求。建设单位对人防施工单位评价:施工单位按照人防工程施工的法律、法规、技术规程和规范,以及设计文件及合同要求进行了施工,在工程进度、质量、造价和安全生产、以及施工资料等方面达到了工程竣工验收标准。人防工程竣工验收程序:该工程于年月日,由建设单位组织勘察、设计、施工、监理单位进行了工程竣工验收,并由人防工程质量监督站进行了监督,验收程序、组织形式和内容符合《江西省人民防空工程竣工验收备案管理办法》有关要求。人防工程竣工验收内容:一、建设、勘察、设计、施工、监理单位分别向验收组汇报工程合同履约情况和在工程建设的各个环节执行法律、法规及工程建设强制性标准的情况。二、验收组人员审阅建设、设计、施工、监理单位的工程档案资料1、完成人防工程设计和合同约定的各项内容;2、施工单位的人防工程竣工报告;3、监理单位人防工程质量评估报告;4、设计单位人防工程质量检查报告;5、勘察单位工程质量检查报告6、人防工程技术档案和施工管理资料;三、验收组人员实地查验人防工程质量对人防工程设计、施工、设备安装质量和各管理环节等方面作出全面评价,形成经验收组人员签署的人防工程竣工验收意见。人防工程竣工验收组织:本工程验收组由建设单位的、勘察单位的、设计单位的、施工单位的、监理单位和组成。人防工程竣工验收标准:工程施工过程中严格按照人防工程有关规范和技术标准施工,工程质量符合法律、法规和工程建设强制性标准规定,符合设计文件及合同要求,较好地执行了人防工程基本建设程序。建设单位执行基本建设程序情况:该工程建设文件包括项目建议书、可行性研究报告、初步设计文件、施工图设计文件报批手续齐全,按规定于年月日办理了人防工程质量监督手续。建设工程施工手续齐全,建设工程规划许可证号为_____________,建设工程施工许可证号为________________。工程招投建设单位对人防工程竣工验收意见:标符合建设工程招投标管理办法。该工程于_________年____月_____日开工,______年月日竣工.质量等级:该人防工程质量符合法律、法规和工程建设强制性标准规定,符合设计文件及合同要求,地基基础工程、主体结构工程、人防工程口部、防护设备设施、及给水、排水、通风、电气等工程质量控制资料齐全,安全和主要使用功能检查以及观感质量符合要求,综合质量达到验收标准,一致同意竣工验收,工程质量评为合格。建设单位对人防工程竣工验收结论:注:结论为:是否符合国家质量标准;能否同意使用!验收人员现场签名验收时间验收地点验收组职务姓名工作单位技术职称单位...

1、当您付费下载文档后,您只拥有了使用权限,并不意味着购买了版权,文档只能用于自身使用,不得用于其他商业用途(如 [转卖]进行直接盈利或[编辑后售卖]进行间接盈利)。
2、本站所有内容均由合作方或网友上传,本站不对文档的完整性、权威性及其观点立场正确性做任何保证或承诺!文档内容仅供研究参考,付费前请自行鉴别。
3、如文档内容存在违规,或者侵犯商业秘密、侵犯著作权等,请点击“违规举报”。

碎片内容

人防工程竣工验收报告新

确认删除?
VIP
微信客服
  • 扫码咨询
会员Q群
  • 会员专属群点击这里加入QQ群
客服邮箱
回到顶部