电脑桌面
添加小米粒文库到电脑桌面
安装后可以在桌面快捷访问

江西省弋阳水文站基本情况介绍VIP免费

江西省弋阳水文站基本情况介绍_第1页
1/4
江西省弋阳水文站基本情况介绍_第2页
2/4
江西省弋阳水文站基本情况介绍_第3页
3/4
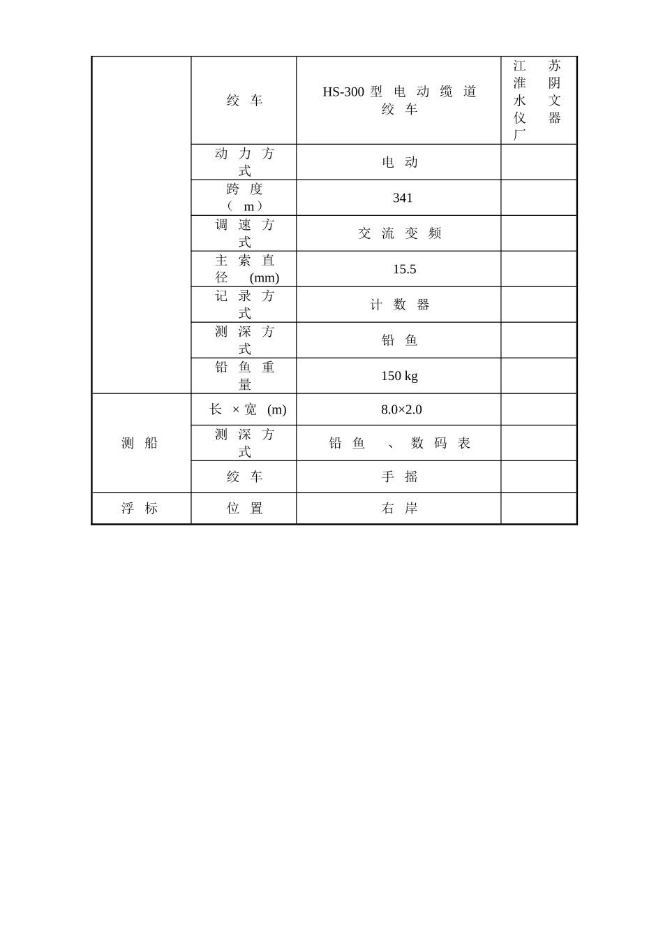
附件3:江西省弋阳水文站基本情况介绍一、县域概况江西省弋阳县位于江西省东北部,信江中游,地域呈条形,南北高,中部低,总面积1592.5km2,属亚热带季风气候,四季分明,总人口近40万。县城所在地弋江镇面积40km2。浙赣铁路复线、311高速公路、320国道横贯城区,东距上饶市56km,西距华东铁路枢纽鹰潭站50km,交通条件便利。弋阳县山川秀丽,是方志敏烈士的故乡,人文资源丰富,名胜古迹众多,城郊10km有国家AAAA级风景名胜区龟峰,东距国家AAAA级重点旅游风景名胜区三清山150km,西距中国道教发祥地、正一派“祖庭”龙虎山50km,往北120km是被誉为“伟人故里、千年古村”的国家级文化与生态旅游景区婺源往南100km是世界自然遗产与文化遗产地、国家重点旅游风景区武夷山,弋阳县位于龙虎山、三清山、武夷山和瓷都景德镇等“三山一都”的中心位置。二、弋阳水文站基本情况弋阳水文站坐落在弋阳县城南新区,位于东经117°28′,北纬28°23′,设立于1956年,流域面积8753km2,属信江中游控制站。站址占地面积1.13万m2,测验项目有水位、流量、水温、降水、含沙量、蒸发、水质等。站房设立于信江左岸测验河段大致顺直,水势流畅。左岸为陡岸,右岸有漫滩,枯水期河面宽约200m,中水期约255m,当水位超过46m时,右岸有漫滩,最大漫滩可达500m左右,下游约1.5km有芩港河(集水面积341km2)汇入,弋阳水文站基本情况及测验设备现状详见表1、表2及附图。表1弋阳水文站基本情况一览表断面地点江西省弋阳县城郊南部坐标东经:117°28'北纬:28°23'站别河道站至河口距离136km集水面积8753km2测站类别大江大河一级支流站建站日期1956年12月测验项目水位、流量、水温、降水、蒸发、含沙量、水质流量测验精度2类泥沙测验精度2类水位自记方式测井浮子式测洪能力30年一遇最大实测流量9520m3/s实测最大流速4.39m/s实测多年平均含沙量0.133kg/m3实测最大水面宽577m实测最大水深14.1m实测最高水位47.27m实测最低水位36.31m测验设施双索电动缆道交通情况公路直达报汛方式自动测报为主,电话、电台为辅电源状况城市电网站房与水位自记设备距离10m站房与观测场的距离10m表2弋阳水文站测验设备、条件及现状设施名称内容参数附注缆道支架左14.4m高铁塔右18.0m高铁塔控制台HY-2006-Ⅱ型缆道控制台产地:江苏淮阴水文仪器厂绞车HS-300型电动缆道绞车动力方式电动跨度(m)341调速方式交流变频主索直径(mm)15.5记录方式计数器测深方式铅鱼铅鱼重量150kg测船长×宽(m)8.0×2.0测深方式铅鱼、数码表绞车手摇浮标位置右岸附图弋阳水文站平面地形图浮停车场标信自计井测旗台验标志石缆道房江场停车场地住宅住宅办公室观测场职工住房厕所测船取沙场地

1、当您付费下载文档后,您只拥有了使用权限,并不意味着购买了版权,文档只能用于自身使用,不得用于其他商业用途(如 [转卖]进行直接盈利或[编辑后售卖]进行间接盈利)。
2、本站所有内容均由合作方或网友上传,本站不对文档的完整性、权威性及其观点立场正确性做任何保证或承诺!文档内容仅供研究参考,付费前请自行鉴别。
3、如文档内容存在违规,或者侵犯商业秘密、侵犯著作权等,请点击“违规举报”。

碎片内容

江西省弋阳水文站基本情况介绍

您可能关注的文档

确认删除?
VIP
微信客服
  • 扫码咨询
会员Q群
  • 会员专属群点击这里加入QQ群
客服邮箱
回到顶部