电脑桌面
添加小米粒文库到电脑桌面
安装后可以在桌面快捷访问

kinco 步进电机驱动458VIP免费

kinco 步进电机驱动458_第1页
1/6
kinco 步进电机驱动458_第2页
2/6
kinco 步进电机驱动458_第3页
3/6
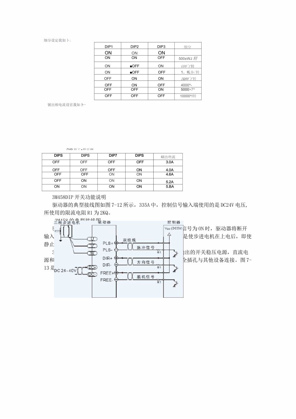
第七章步进控制步进电机(stepmotor)—脉冲电机电脉冲信号一角位移或直线位移。给步进电动机输入一个电脉冲信号时,它就转过一定的角度或移动一定的距离。由于其输出的角位移或直线位移可以不是连续的,因此称为步进电动机。优点:角位移或线位移与脉冲数成正比,其转速n或线速度v与脉冲频率成正比。在负载能力范围内,这种关系不会因电压波动、负载变化、温度变化等原因而变化,其控制性能很好。步进电动机广泛用于数控机床、打印机等控制系统中。反应式步进电机结构定子:6个磁极,分为3相,每个磁极上都套有一个绕组。转子:均匀分布的4个齿,无绕组。1、单三拍控制A相绕组通电时,B、C两相不通电,气隙中生成以A-A'为轴线的磁场。由于磁力线总是要通过磁阻最小的路径闭合,将使转子齿1、3和定子A-A'对齐,即产生A-A'轴线方向的磁通。如果A相绕组不断电,1、3两转子齿就一直被磁极A-A吸引住而不改变其位置,即转子具有自锁能力。B相绕组通电时,A、C两相不通电,气隙中生成以B-B'为轴线的磁场。由于磁力线总是要通过磁阻最小的路径闭合,将使离磁极B-B'最近的转子齿2、4和定子B-B'对齐,即产生B-B'轴线方向的磁通。步进电机驱动器。C相绕组通电时,A、B两相不通电,气隙中生成以C-C'为轴线的磁场。由于磁力线总是要通过磁阻最小的路径闭合,将使离磁极C-C'最近的转子齿1、3和定子C-C'对齐,即产生C-C'轴线方向的磁通。2、双三拍控制3、单、双六拍工作方式步进电机是Kinco三相步进电机3S57Q-04056,与之配套的驱动器为Kinco3M458三相绿1、3S57Q-04056部分技术参数如表7-2所示:表7-23S57Q-04056部分技术参数参数名称步距角相电流(A)保持扭矩阻尼扭矩电机惯量参数值1.8°5.8A1.0Nm0.04Nm0.3kg.cm23S57Q-04056的三个相绕组必须连接成三角形,接线图如图7-10所示。厂黄-[相电机八<|钱2、Kinco3M458三相步进电机驱动器主要电气参数如下:供电电压:直流24V〜40V输出相电流:3.0A〜5.8A控制信号输入电流:6〜20mA冷却方式:自然风冷该驱动器具有如下特点;①采用交流伺服驱动原理,具备交流伺服运转特性,三相正弦电流输出。②内部驱动直流电压达40V,能提供更好的高速性能。③具有电机静态锁紧状态下的自动半流功能,可大大降低电机的发热。④具有最高可达10000步/转的细分功能,细分可以通过拨动开关设定。⑤几乎无步进电机常见的共振和爬行区,输出相电流通过拨动开关设定。⑥控制信号的输入电路采用光耦隔离。⑦采用正弦的电流驱动,使电机的空载起跳频率达5kHz,(1000步/转)左右。在3M458驱动器的侧面连接端子中间有一个红色的八位DIP功能设定开关,可以用来设定驱动器的工作方式和工作参数。图7-11是该DIP开关功能说明。DIP开工•的正规细分设定我如卜:DIP1DIP2DIP3细分ONONONONONOFF500±WJ转ON■OFFONGOO^f转ON■OFFOFF1。呱歩/转OFFONON2Q00^f转OFFONOFF4000^-OFFOFFON5000>7^OFFOFFOFF10000^/转號出相电流设宦莪如卜-DIPSDIPSDIP7DIPS蝴出些流OFFOFFOFFOFF3.0AOFFOFFOFFON4.0AOFFOFFONON4.6AOFFONONON5.2AONONONON5.BA3M458DIP开关功能说明驱动器的典型接线图如图7-12所示,335A中,控制信号输入端使用的是DC24V电压,所使用的限流电阻R1为2KQ。3M458的典型接线图驱动器还有一对脱机信号输入线FREE+和FREE-,当这一信号为ON时,驱动器将断开输入到步进电机的电源回路。335A没有使用这一信号,目的是使步进电机在上电后,即使静止时也保持自动半流的锁紧状态。335A为3M458驱动器提供的外部直流电源为DC24V,6A输出的开关稳压电源,直流电源和驱动器一起安装在模块盒中,驱动器的引出线均通过安全插孔与其他设备连接。图7-13是3M458步进电机驱动器模块的面板图。M458步进电机驱动器模块的面板3、步进电机传动组件的基本技术数据3S57Q-04056步进电机步距角为1.8度,即在无细分的条件下200个脉冲电机转一圈(通过驱动器设置细分精度最高可以达到10000个脉冲电机转一圈)。输送站传动采用同步轮和同步带,同步轮齿距为5mm、共11个齿即旋转一周搬运机械手位移55mmoYL335-A系统中为达到控制精度驱动器细分设置为10000步/转即(每步机械手位移0.0055mm)电机驱动电流设位5.2A。FX1nPLC的脉...

1、当您付费下载文档后,您只拥有了使用权限,并不意味着购买了版权,文档只能用于自身使用,不得用于其他商业用途(如 [转卖]进行直接盈利或[编辑后售卖]进行间接盈利)。
2、本站所有内容均由合作方或网友上传,本站不对文档的完整性、权威性及其观点立场正确性做任何保证或承诺!文档内容仅供研究参考,付费前请自行鉴别。
3、如文档内容存在违规,或者侵犯商业秘密、侵犯著作权等,请点击“违规举报”。

碎片内容

kinco 步进电机驱动458

wxg+ 关注
实名认证
内容提供者

该用户很懒,什么也没介绍

确认删除?
VIP
微信客服
  • 扫码咨询
会员Q群
  • 会员专属群点击这里加入QQ群
客服邮箱
回到顶部