电脑桌面
添加小米粒文库到电脑桌面
安装后可以在桌面快捷访问

景明山庄换热站二次网工程1VIP免费

景明山庄换热站二次网工程1_第1页
1/12
景明山庄换热站二次网工程1_第2页
2/12
景明山庄换热站二次网工程1_第3页
3/12
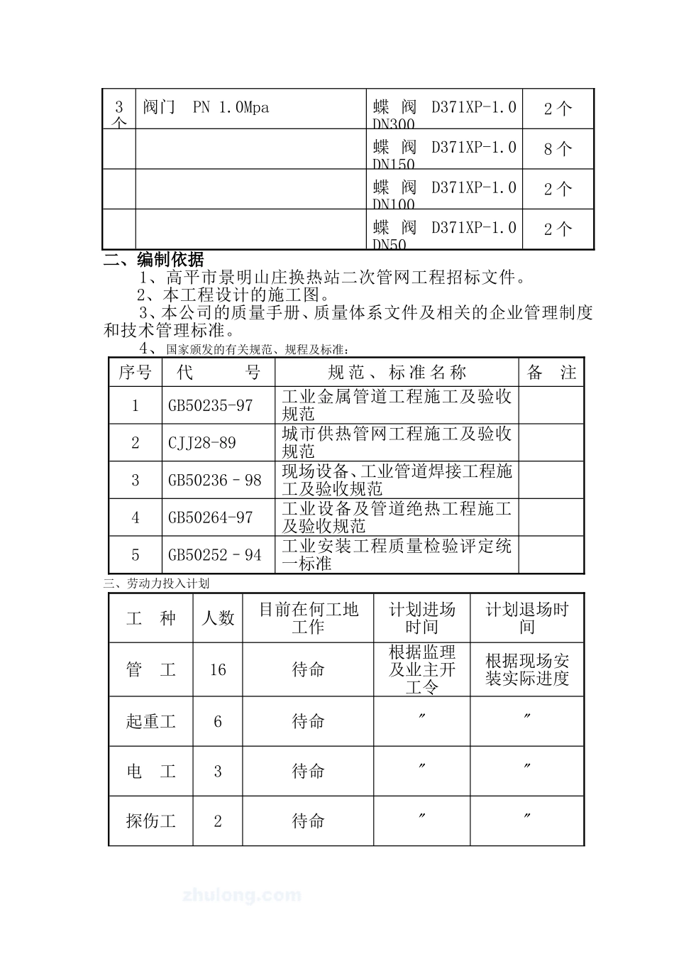
一、工程概况1、工程名称:高平市景明山庄换热站二次管网工程2、建设单位:高平市建设局3、设计单位:晋城市缔春热力设计有限公司4、工程地点:高平市市区5、工程内容:工程内容包括管沟开挖、管道焊接、阀门安装、管沟回填等工程。管道总长度约2091米。,阀门总数28只,管道最大直径为DN300。本工程管道敷设为直埋管形式。直埋管采用DN≥200的管道采用螺旋缝钢管。材质为Q235B,DN<200的管道采用无缝钢管,材质为20#钢。关断阀门均采用Pn=1.0Mpa,耐温〉100℃的蝶阀。阀门与管道的连接均采用法兰连接。6、工期承诺:4个月。7、质量承诺:优良等级。8、主要实物工程量:序号名称规格及型号数量1直埋保温钢管D377×7655米D325×7968米D159×5166米D108×42米D57×3.52米2聚氨酯预制直埋保温弯头PN1.0MpaD377×790。R=2.5D8个D325×790。R=2.5D2个D159×590。R=2.5D24个D108×490。R=2.5D6个D57×3.590。R=2.5D6个3个阀门PN1.0Mpa蝶阀D371XP-1.0DN3002个蝶阀D371XP-1.0DN1508个蝶阀D371XP-1.0DN1002个蝶阀D371XP-1.0DN502个二、编制依据1、高平市景明山庄换热站二次管网工程招标文件。2、本工程设计的施工图。3、本公司的质量手册、质量体系文件及相关的企业管理制度和技术管理标准。4、国家颁发的有关规范、规程及标准:序号代号规范、标准名称备注1GB50235-97工业金属管道工程施工及验收规范2CJJ28-89城市供热管网工程施工及验收规范3GB50236–98现场设备、工业管道焊接工程施工及验收规范4GB50264-97工业设备及管道绝热工程施工及验收规范5GB50252–94工业安装工程质量检验评定统一标准三、劳动力投入计划工种人数目前在何工地工作计划进场时间计划退场时间管工16待命根据监理及业主开工令根据现场安装实际进度起重工6待命""电工3待命""探伤工2待命""保温工16待命""电焊工12待命""氩弧焊工8待命""油漆工3待命""司机3待命""辅助工24视实际需要而定气割工4待命根据监理及业主开工令根据现场安装实际进度合计97四、施工机具计划序号机械或设备名称型号规格数量进场与退场时间1汽车吊KATO-20t1辆根据需要进场2汽车5t加长1辆"3工具车NHR54E-1.25t1辆"4重型手拉车1吨2台"5型钢切断机WQS-4002台根据实际进度6柴油发电机75KW4台"7潜水泵2″8台"8台钻Z512-2(0.75)2台"9电动试压泵DSZY-15025/40(3)2台"10手动试压泵SYL-12.5/42台"序号机械或设备名称型号规格数量进场与退场时间11电焊条烘箱SC101-4/300(0.37)2台"12氩弧焊机ZX7—400ST8台"13电焊机BX3-300(30)15台"14手枪电钻φ13-20,φ6-13-206台"15手拉葫芦1T-5T16台"16水准仪S31台"17经纬仪J21台"18手动转胎3T2台"19漆膜测厚仪0-10mm1台"20磨光机φ10030台"21射线探伤仪XXQ-25052台"五、施工方法和程序(一)施工准备:施工准备是保证施工顺利进行的前提,主要包括技术准备、物资准备,组织准备以及作业条件的准备等,其具体内容是:1、熟悉与本工程有关的建设文件,了解工程特点和施工总体要求;2、研究施工图纸,了解设计意图和适用规范,认真做好图纸会审工作,施工图上存在的问题要明确解决办法,并在施工图会审纪要中反映出来;3、编制施工方案、施工图纸预算和用料计划;4、根据现场施工条件和施工组织总设计的要求规划本专业工种的临时设施和施工用场地的布置;5、按施工要求组织机具、材料进场;6、由工程项目经理和有关技术负责人组织进场施工人员认真学习施工图,明确设计意图和质量要求并逐级进行技术交底,其内容主要包括工程特点、设计要求、施工工艺、质量标准、安全措施、新技术及新材料、新工艺的施工方法等,并做好技术交底记录;7、注重现场施工管理,对劳动力和机具、材料根据施工条件进行合理地调度使用,充分利用时间、空间,建立起文明施工秩序,完善施工资料积累和传递机制。(二)、施工程序:(三)直埋钢管安装:1、管沟应平整、应能达到地耐力8吨标准。沟底无积水,沟底宽1.0m。2、管底铺砂厚100mm。管道安装完毕,回填时先填砂至管顶100mm,捣实,然后回填净土,分层夯实,回填砂,土中不得有砖、瓦、铁器等。3、管道吊运应使用吊带或钢丝绳套。吊位应是两端裸管段,不得破坏防腐层,不得直接在地面上拖拉,...

1、当您付费下载文档后,您只拥有了使用权限,并不意味着购买了版权,文档只能用于自身使用,不得用于其他商业用途(如 [转卖]进行直接盈利或[编辑后售卖]进行间接盈利)。
2、本站所有内容均由合作方或网友上传,本站不对文档的完整性、权威性及其观点立场正确性做任何保证或承诺!文档内容仅供研究参考,付费前请自行鉴别。
3、如文档内容存在违规,或者侵犯商业秘密、侵犯著作权等,请点击“违规举报”。

碎片内容

景明山庄换热站二次网工程1

您可能关注的文档

书海行舟+ 关注
实名认证
内容提供者

热爱教学事业,对互联网知识分享很感兴趣

确认删除?
VIP
微信客服
  • 扫码咨询
会员Q群
  • 会员专属群点击这里加入QQ群
客服邮箱
回到顶部