电脑桌面
添加小米粒文库到电脑桌面
安装后可以在桌面快捷访问

线路停电更换直线杆塔单串导线绝缘子VIP免费

线路停电更换直线杆塔单串导线绝缘子_第1页
1/5
线路停电更换直线杆塔单串导线绝缘子_第2页
2/5
线路停电更换直线杆塔单串导线绝缘子_第3页
3/5
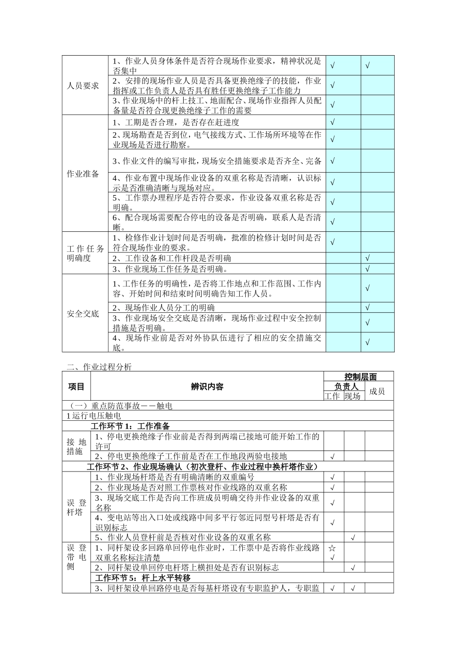
输电线路检修风险分析范本典型作业项目一览一、停电作业1、线路标准检修(清扫、消缺、检查金具)2、停电更换直线杆绝缘子(单吊串)3、停电更换直线杆绝缘子(双吊串)4、停电更换耐张杆绝缘子(单串、两串)5、停电更换耐张杆绝缘子(三串、四串)6、停电修补断股导线7、停电调整架空线路导线弧垂8、停电调整架空线路地线弧垂9、停电更换导线防振锤10、停电更换导线悬垂线夹11、停电更换地线顶架12、停电更换地线防振锤13、停电更换地线悬垂线夹14、停电更换拉线15、停电修补断股架空地线16、停电更换单片绝缘子(停电加装绝缘子)二、带电作业1、带电检测绝缘子2、带电更换直线杆绝缘子(单吊串)3、带电更换直线杆绝缘子(双吊串)4、带电更换耐张杆绝缘子(单串、两串)5、带电更换耐张杆绝缘子(三串、四串)6、带电修补断股导线7、带电调整架空线路导线弧垂8、带电调整架空线路地线弧垂9、带电更换地线防振锤10、带电更换地线悬垂线夹11、带电更换拉线12、带电修补断股架空地线13、带电更换单片绝缘子三、特殊作业项目1、停电升高杆塔2、停电更换单换位塔绝缘子串典型作业项目:线路停电更换直线杆塔单串导线绝缘子一、作业策划安全监督项目辨识内容控制层面负责人班员人员要求1、作业人员身体条件是否符合现场作业要求,精神状况是否集中√√2、安排的现场作业人员是否具备更换绝缘子的技能,作业指挥或工作负责人是否具有胜任更换绝缘子工作能力√3、作业现场中的杆上技工、地面配合、现场作业指挥人员配备量是否符合现更换绝缘子工作的需要√作业准备1、工期是否合理,是否存在赶进度√2、现场勘查是否到位,电气接线方式、工作场所环境等在作业现场是否进行勘察。√3、作业文件的编写审批,现场安全措施要求是否齐全、完备√4、作业布置中现场作业设备的双重名称是否清晰,认识标示是否准确清晰与现场对应。√5、工作票办理程序是否符合要求,作业设备双重名称是否明确。√6、配合现场需要配合停电的设备是否明确,联系人是否清晰。√工作任务明确度1、检修作业计划时间是否明确,批准的检修计划时间是否符合现场作业的要求。√2、工作设备和工作杆段是否明确√3、作业现场工作任务是否明确。√安全交底1、工作任务的明确性,是否将工作地点和工作范围、工作内容、开始时间和结束时间明确告知工作人员。√2、现场作业人员分工的明确√3、作业现场安全交底是否清晰,现场作业过程中安全控制措施是否明确。√4、现场作业前是否对外协队伍进行了相应的安全措施交底。√二、作业过程分析项目辨识内容控制层面负责人成员工作现场(一)重点防范事故――触电1运行电压触电工作环节1:工作准备接地措施1、停电更换绝缘子作业前是否得到两端已接地可能开始工作的许可2、停电更换绝缘子工作前是否在工作地段两验电接地√工作环节2、作业现场确认(初次登杆、作业过程中换杆塔作业)误登杆塔1、作业现场杆塔是否有明确清晰的双重编号√2、作业现场是否对照工作票核对作业线路的双重名称√3、现场交底工作是否向工作班成员明确交待并作业设备的双重名称√4、变电站等出入口处或线路中间多平行邻近同型号杆塔是否有识别标志√5、作业人员登杆前是否核对作业设备的双重名称√误登带电侧1、同杆架设多回路单回停电作业时,工作票中是否将作业线路双重名称标注清楚☆√2、同杆架设单回停电杆塔上横担处是否有识别标志√工作环节5:杆上水平转移3、同杆架设单回路停电是否每基杆塔设有专职监护人,专职监√√项目辨识内容控制层面负责人成员工作现场护人是否认真履行监护职责4、进入横担前是否核对确认作业设备的双重编号和位置√工作环节4:杆上作业杆上作业距离1、水平排列同杆架设多回路单回路在大风天气停电作业,绳索是否会接近带电线路√√2、垂直排列同杆架设多回路上回路停电作业,传递工器具材料时是否有可能接触接近带电导线√√3、高低压同杆架设高压线路停电更换绝缘子低压线路不停电传递工器具材料过程中是否有接触接近带电线路的可能√√4、同杆架设多回路单回路停电更换绝缘子用钢丝绳传递绝缘过程中,钢丝绳有碰触带电导线的可能√√1.2感应电压触电工作环节4:杆上准备...

1、当您付费下载文档后,您只拥有了使用权限,并不意味着购买了版权,文档只能用于自身使用,不得用于其他商业用途(如 [转卖]进行直接盈利或[编辑后售卖]进行间接盈利)。
2、本站所有内容均由合作方或网友上传,本站不对文档的完整性、权威性及其观点立场正确性做任何保证或承诺!文档内容仅供研究参考,付费前请自行鉴别。
3、如文档内容存在违规,或者侵犯商业秘密、侵犯著作权等,请点击“违规举报”。

碎片内容

线路停电更换直线杆塔单串导线绝缘子

书海行舟+ 关注
实名认证
内容提供者

热爱教学事业,对互联网知识分享很感兴趣

相关文档

确认删除?
VIP
微信客服
  • 扫码咨询
会员Q群
  • 会员专属群点击这里加入QQ群
客服邮箱
回到顶部