电脑桌面
添加小米粒文库到电脑桌面
安装后可以在桌面快捷访问

运料小车往返控制VIP免费

运料小车往返控制_第1页
1/6
运料小车往返控制_第2页
2/6
运料小车往返控制_第3页
3/6
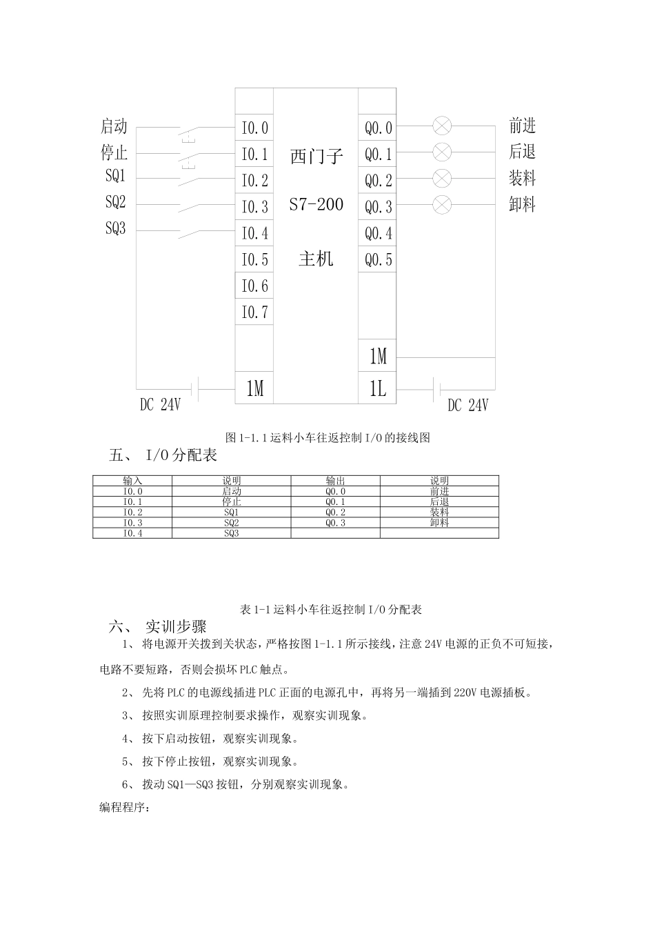
亚龙科技集团有限公司运料小车往返控制一、实训目的1、对运料小车往返控制的了解及认识;2、掌握编制PLC程序的步骤和方法;3、进一步熟练掌握程序的编写与调试操作;4、熟悉运料小车往返控制原理;5、培养学生解决问题的能力;二、实训器材1、亚龙PLC—西门子S7-200系列主机单元一台;2、西门子编程电缆一条;3、亚龙—运料小车往返控制实训模块一台(YL386);4、计算机(PC机)一台等。三、实训原理系统设有启动、停止按钮各一个。模拟限位开关SQ1、SQ2、SQ3钮子开关各一个。运料小车往返控制要求:当按下启动按钮后,启动运料小车。小车从原点A地(SQ1)的位置停留5S进行装料,由A地(SQ1)位置送料到B地(SQ2)位置后,在B地(SQ2)位置停留3S进行料斗卸料,然后空车返回到A地(SQ1)位置停留5S进行装料。当小车由A地(SQ1)送料到C地(SQ3)位置,途中经过B地(SQ2)不停止,继续前进,当到达C地(SQ3)位置停留3S进行料斗卸料,然后空车返回A地(SQ1)位置停留5S进行装料;以此往复循环。当按下停止按钮小车立即停止。四、I/O接线图西门子S7-200主机图1-1.1运料小车往返控制I/O的接线图五、I/O分配表表1-1运料小车往返控制I/O分配表六、实训步骤1、将电源开关拨到关状态,严格按图1-1.1所示接线,注意24V电源的正负不可短接,电路不要短路,否则会损坏PLC触点。2、先将PLC的电源线插进PLC正面的电源孔中,再将另一端插到220V电源插板。3、按照实训原理控制要求操作,观察实训现象。4、按下启动按钮,观察实训现象。5、按下停止按钮,观察实训现象。6、拨动SQ1—SQ3按钮,分别观察实训现象。编程程序:输入说明输出说明I0.0启动Q0.0前进I0.1停止Q0.1后退I0.2SQ1Q0.2装料I0.3SQ2Q0.3卸料I0.4SQ3

1、当您付费下载文档后,您只拥有了使用权限,并不意味着购买了版权,文档只能用于自身使用,不得用于其他商业用途(如 [转卖]进行直接盈利或[编辑后售卖]进行间接盈利)。
2、本站所有内容均由合作方或网友上传,本站不对文档的完整性、权威性及其观点立场正确性做任何保证或承诺!文档内容仅供研究参考,付费前请自行鉴别。
3、如文档内容存在违规,或者侵犯商业秘密、侵犯著作权等,请点击“违规举报”。

碎片内容

运料小车往返控制

确认删除?
VIP
微信客服
  • 扫码咨询
会员Q群
  • 会员专属群点击这里加入QQ群
客服邮箱
回到顶部