电脑桌面
添加小米粒文库到电脑桌面
安装后可以在桌面快捷访问

缸标准(挖掘机)VIP免费

缸标准(挖掘机)_第1页
1/8
缸标准(挖掘机)_第2页
2/8
缸标准(挖掘机)_第3页
3/8
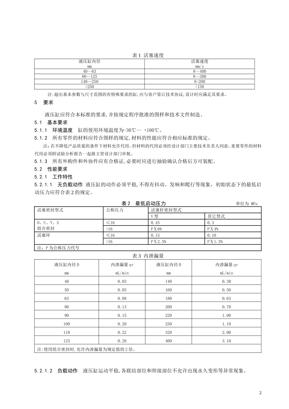
挖掘机用液压缸标准1范围本标准规定了挖掘机用液压缸的技术要求,试验方法和检验规则等。本标准适用于挖掘机用液压缸,2引用文件液压缸产品标牌的技术要求液压缸外观、包装、运输技术要求液压缸涂装质量要求液压缸活塞杆电镀硬铬层质量要求液压缸焊接质量要求3术语和定义、符号3.1定义3.1.1公称压力液压缸工作压力的名义值。即在规定条件下连续运行,并能保证设计寿命的工作压力。3.1.2最低启动压力使液压缸启动的最低压力.3.1.3理论出力作用在活塞或柱塞有效面积上的力,即油液压力和活塞或柱塞有效面积的乘积.3.1.4实际出力液压缸实际输出的推(或拉)力。3.1.5负载效率液压缸的实际出力和理论出力的百分比。3.2符号液压缸的图形符号应符合GB/T786.1的规定。4产品分类4.1结构型式液压缸的结构型式,分缓冲结构型式和非缓冲结构型式4.2型号液压缸的型号编制应符合JB/T2184的规定。4.3基本参数与尺寸4.3.1液压缸的公称压力应符合GB/T7938的规定。4.3.2液压缸径、杆径及活塞行程应符合GB/T2348和GB/T2349的规定。4.3.3活塞杆螺纹型式和尺寸应符合GB/T2350的规定。4.3.4活塞速度液压缸的活塞速度应符合表1的规定1表1活塞速度液压缸内径mm活塞速度mm/s40--638--40080--1258--300140--2508-200>250<150注:超出基本参数与尺寸范围的有特殊要求的缸,应与客户签订技术协议,设计时应满足其要求。5要求液压缸应符合本标准的要求,并按规定程序批准的图样和技术文件制造。5.1基本要求5.1.1环境温度缸的使用环境温度为-30℃--+100℃。5.1.2所有零件的材料应符合图样的规定,材料的性能应符合相应标准的规定。注:在不降低产品质量的条件下材料允许代用,但材料的代用必须经设计部门主要技术负责人同意,重要零件的材料代用必须附试验分析报告一起报主管设计部门审批。5.1.3所有外购件和外协件应有合格证,必要时应进行抽验确认合格后方可装配。5.2性能要求5.2.1工作特性5.2.1.1无负载动作液压缸的动作必须平稳,不得有抖动、发响和爬行等现象,初始状态下的最低启动压力应符合表2的规定。表2最低启动压力单位为MPa活塞密封型式公称压力活塞杆密封型式V型其它型式O、U、Y、X组合密封≤160.450.3>16PⅩ6%PⅩ4%活塞环≤160.150.10>16PⅩ2.5%PⅩ1.5%注:P为公称压力代号表3内泄漏量液压缸内径Dmm内渗漏量qvmL/min液压缸内径Dmm内渗漏量qvmL/min400.031400.30500.051600.50630.081800.63800.132000.70900.152201.001000.202501.101100.223202.001250.284003.10注:使用组合密封时,允许内渗漏量为规定值的2倍。5.2.1.2负载动作液压缸运动平稳,各联结部位和焊接部位不允许出现永久变形等异常现象。25.2.2耐压性能液压缸不允许有松动、永久变形或零件异常损坏等现象。5.2.3渗漏5.2.3.1外渗漏a)在出厂试验的全过程中,液压缸的渗漏量在活塞杆圆周上为比0.5mm窄的线状油膜。b)型式试验时,活塞杆移动距离为100m时,杆的防尘圈处漏油总量为:杆径d≤50mm,外渗漏量qv≤0.05mL;杆径d>50mm时,外渗漏量qv≤0.001dmL。除杆的防尘圈外,其它部位不允许有漏油现象。(1滴=0.05mL)5.2.3.2内泄漏液压缸在公称压力工况下,内泄漏应符合表3的规定。5.2.4负载效率在公称压力下,液压缸的负载效率不得低于90%。5.2.5液压缸内腔污染物质量应符合表4的规定。表4污染物质量液压缸内径mm污染物质量mg40—63≤3580—110≤60125—160≤90180—250≤135320--500≤260注1:行程按1m计算,行程每增加1m,污染物质量允许增加50%。5.2.6缓冲效果液压缸的缓冲效果,应达到设计要求。5.2.7耐久性在试验过程中,液压缸不允许有松动、永久变形和异常磨损等现象,试验中被试缸的零件不允许进行调整或更换。注:耐久性指标企业可提供5年有效期专业归口质量监督检测中心出具的型式试验报告,或质检人员测试获得。5.3缸的质量要求5.3.1加工、装配质量5.3.1.1缸的主要零件主要项次合格率>90%。5.3.1.2缸的装配质量应满足下列要求:a)活塞杆、缸筒、活塞、导向套等零件不得碰伤和有明显划痕。b)密封圈不允许有划痕、扭曲、卷边、脱出等现象。c)各处联接用螺纹无磕碰,牙扣应完整。d)油管弯曲过渡应光滑,不得有碰扁,弯曲变形。e)缸内所有零件不得有锈蚀。...

1、当您付费下载文档后,您只拥有了使用权限,并不意味着购买了版权,文档只能用于自身使用,不得用于其他商业用途(如 [转卖]进行直接盈利或[编辑后售卖]进行间接盈利)。
2、本站所有内容均由合作方或网友上传,本站不对文档的完整性、权威性及其观点立场正确性做任何保证或承诺!文档内容仅供研究参考,付费前请自行鉴别。
3、如文档内容存在违规,或者侵犯商业秘密、侵犯著作权等,请点击“违规举报”。

碎片内容

缸标准(挖掘机)

您可能关注的文档

确认删除?
VIP
微信客服
  • 扫码咨询
会员Q群
  • 会员专属群点击这里加入QQ群
客服邮箱
回到顶部