电脑桌面
添加小米粒文库到电脑桌面
安装后可以在桌面快捷访问

强夯工艺标准VIP免费

强夯工艺标准_第1页
1/6
强夯工艺标准_第2页
2/6
强夯工艺标准_第3页
3/6
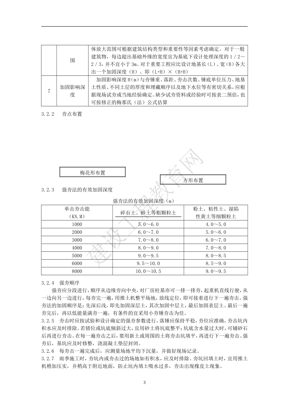
强夯地基施工工艺标准1适用范围本标准适用于采用强夯加固地基施工的工程。当强夯所产生的振动,对现场周围已建成或正在施工的建筑物或构筑物有影响时不得采用,必须采用时应采取防振措施。2施工准备2.1主要施工机具2.1.1夯锤强夯锤锤重可取10~40t,底面形式宜采用圆形或多边形。夯锤的材质最好为铸钢,如条件所限,则可用钢板壳内填混凝土。夯锤底面宜对称设置若干个φ250~300mm与顶面贯通的排气孔,以利于夯锤着地时坑底空气迅速排出和起锤时减小坑底的吸力。锤底面积宜按土的性质确定,对于砂质土和碎石填土,采用底面积为2~4m2较为合适;对于一般第四纪粘性土建议用3~4m2;对于淤泥质土建议采用4~6m2为宜。锤底静接地压力值可取25~40kPa,对于细颗粒土锤底静接地压力宜取较小值。2.1.2起重机具宜选用15t以上的履带式起重机或其他专用的起重设备。当起重机吨位不够时,亦可采取加钢支腿的方法,起重能力应大于夯锤重量的1.5倍。采用履带式起重机时,可在臂杆端部设置辅助门架,或采用其他安全措施,防止落锤时机架倾覆。2.1.3脱钩器:要求有足够强度,起吊时不产生滑钩;脱钩灵活,能保持夯锤平稳下落,同时挂钩方便、迅速。2.1.4推土机:用T3-100型,用作回填、整平夯坑。2.1.5检测设备:有标准贯入、静载荷试验、静力触探或轻便触探等设备以及土工常规试验仪器。2.2作业条件2.2.1应有岩土工程勘察报告、强夯场地平面图及设计对强夯的效果要求等技术资料。2.2.2强夯范围内的所有地上、地下障碍物已经拆除或拆迁,对不能拆除的已采取防护措施。2.2.3场地已整平,并修筑了机械设备进出道路,表面松散土层已经预压。雨期施工周边已挖好排水沟,防止场地表面积水。2.2.4已选定检验区做强夯试验,通过试夯和测试,确定强夯施工的各项技术参数,制定强夯施工方案。2.2.5当强夯所产生的振动对周围邻近建(构)筑物有影响时,应在靠建(构)筑物一侧挖减振沟或采取适当加固防振措施,并设观测点。2.2.6测量放线,定出控制轴线、强夯场地边线,钉木桩或点白灰标出夯点位置,并在不受强夯影响的处所,设置若干个水准基点。2.3作业人员2.3.1主要作业人员:机械操作人员、壮工。2.3.2机械操作人员必须经过专业培训,并取得相应资格证书,主要作业人员已经过安全培训,并接受了施工技术交底(作业指导书)。3施工工艺3.1工艺流程13.2操作工艺3.2.1强夯技术参数选定强夯前应通过试夯选定施工技术参数,试夯区平面尺寸不宜小于20m×20m。在试夯区夯击前,应选点进行原位测试,并取原状土样,测定有关土性数据,留待试夯后,仍在此处附近进行测试并取土样进行对比分析,如符合设计要求,即可按试夯时的有关技术参数,确定正式强夯的技术参数。否则,应对有关技术参数适当调整或补夯确定。一般强夯技术参数的选择下表。强夯技术参数表项次项目施工技术参数1锤重和落距锤重G与落距h是影响夯击能和加固深度的重要因素锤重一般10-40t落距一般不宜小于8m,多采用8-25m等几种2夯击能和平均夯击能锤重G与落距h的乘积称为夯击能E,一般取600-5000KJ,单击夯击能应根据现场确定。夯击能的总和(由锤重、落距、夯击坑数和每个夯击点的夯击次数算得)除以施工面积称为平均夯击能,一般对砂质土取500—1000KN/m2。夯击能过小,加固效果差;夯击能过大,对于饱和粘土,会破坏土体形成橡皮土,降低强度3夯击点布置及间距夯击点布置可根据基底平面形状进行布置。对某些基础面积较大的建筑物或构筑物,为便于施工,可按梅花形或正方形网格布置(图1);对于办公楼、住宅建筑等,可根据承重墙位置布置夯点,一般可采用等腰三角形布点,这样保证了横向承重墙及纵墙和横墙交接处墙基下都有夯点;对工业厂房独立柱基础,可按柱网设置单夯点夯击点间距一般为夯锤直径的3倍,一般为5-15m,第一遍夯点的间距宜大,以便夯击能向深部传递4夯击遍数与击数夯击遍数应根据地基土的性质确定,一般为2-5遍,前2-3遍为“点夯”最后一遍为“满夯”(即锤印彼此搭接)以加固前几遍夯点之间的粘松的表土层,对于渗透性较差的细颗粒土,必要时夯击遍数可增加每个夯击点的夯击数以使土体竖向压缩量最大而侧向移动最小,或最后两击...

1、当您付费下载文档后,您只拥有了使用权限,并不意味着购买了版权,文档只能用于自身使用,不得用于其他商业用途(如 [转卖]进行直接盈利或[编辑后售卖]进行间接盈利)。
2、本站所有内容均由合作方或网友上传,本站不对文档的完整性、权威性及其观点立场正确性做任何保证或承诺!文档内容仅供研究参考,付费前请自行鉴别。
3、如文档内容存在违规,或者侵犯商业秘密、侵犯著作权等,请点击“违规举报”。

碎片内容

强夯工艺标准

确认删除?
VIP
微信客服
  • 扫码咨询
会员Q群
  • 会员专属群点击这里加入QQ群
客服邮箱
回到顶部