电脑桌面
添加小米粒文库到电脑桌面
安装后可以在桌面快捷访问

氧气站设计规范VIP免费

氧气站设计规范_第1页
1/15
氧气站设计规范_第2页
2/15
氧气站设计规范_第3页
3/15
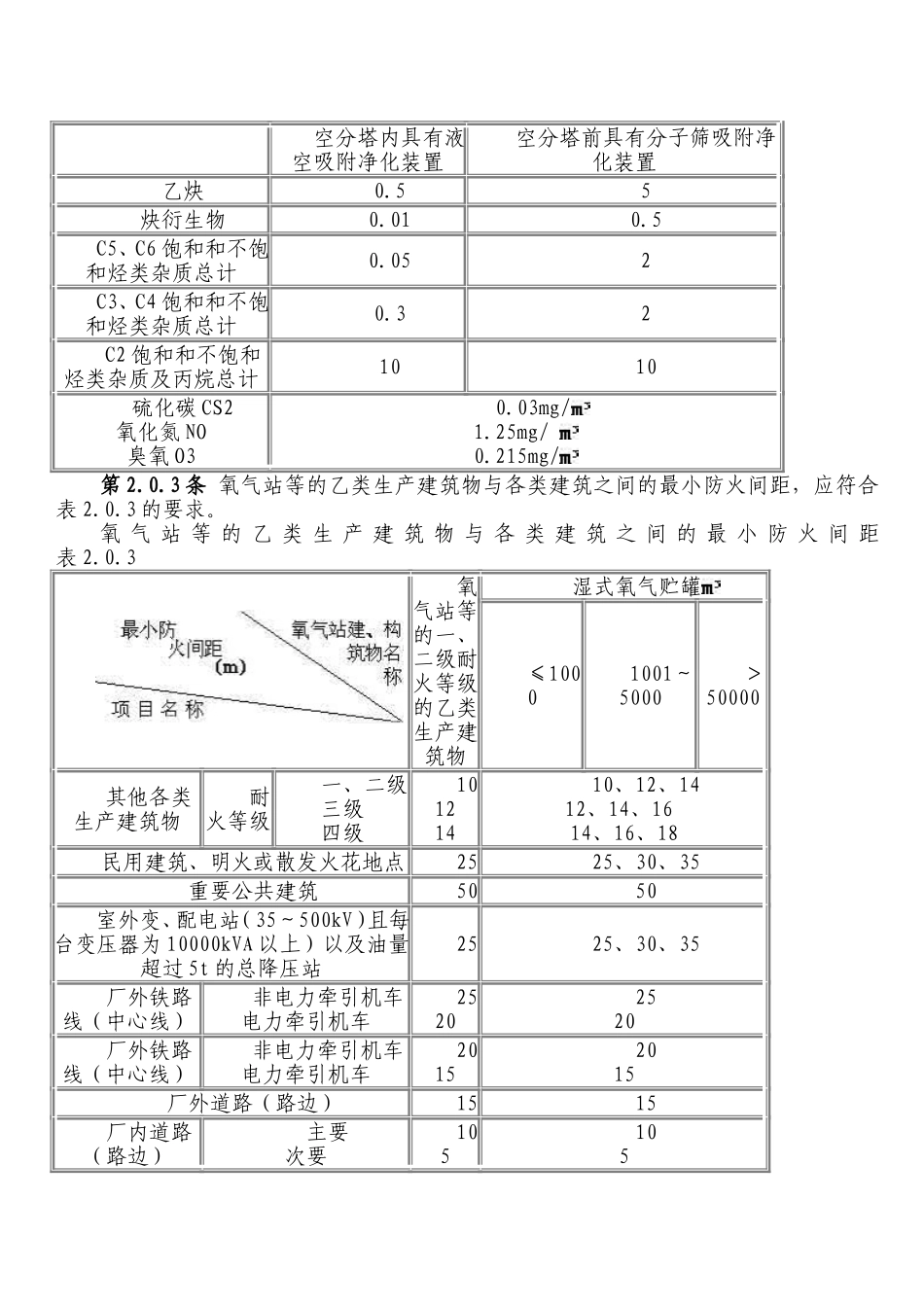
氧气站设计规范氧气站设计规范GB50030-91主编部门:中华人民共和国机械电子工业部批准部门:中华人民共和国建设部施行日期:1992年7月1日关于发布国家标准《氧气站设计规范》、《乙炔站设计规范》的通知.建标〔1991〕816号。根据国家计委计综〔1986〕250号文的通知要求,由机械电子工业部会同有关部门共同修订的《氧气站设计规范》、《乙炔站设计规范》,已经有关部门会审。现批准《氧气站设计规范》GB50030-91和《乙炔站设计规范》GB50031-91为国家标准,自1992年7月1日起施行。原《氧气站设计规范》TJ30—78和《乙炔站设计规范》TJ30—78同时废止。本规范由机械电子工业部负责管理,具体解释等工作由机械电子工业部设计研究院负责。出版发行由建设部标准定额研究所负责组织。中华人民共和国建设部1991年11月15日修订说明本规范是根据国家计委计综〔1986〕250号通知的要求,由机械电子工业部负责主编,具体由机械电子工业部设计研究院会同有关单位共同对《氧气站设计规范》TJ30—78(试行)修订而成。在修订过程中,规范组进行了广泛的调查研究,认真总结了原规范执行以来的经验,吸取了部分科研成果,广泛征求了全国有关单位的意见,最后由我部会同有关部门审查定稿。本规范共分9章和5个附录,这次修订的主要内容有:总则,氧气站的布置,工艺设备的选择,工艺布置,建筑和结构,电气和热工测量仪表,给水、排水和环境保护,采暖和通风,管道等。本规范执行过程中,如发现需要修改或补充之处,请将意见和有关资料寄送机械电子工业部设计研究院(地址:北京市王府井大街277号),并抄送机械电子工业部,以便今后修订时参考。机械电子工业部1990年10月第一章总则第1.0.1条为使氧气站(含气化站房、汇流排间)的设计,遵循国家基本建设的方针政策,充分利用现有空气分离(以下简称“空分”)产品资源,坚特综合利用,节约能源,保护环境,统筹兼顾,集中生产,协作供应,做到安全第一,技术先进,经济合理,特制定本规范。第1.0.2条本规范适用于下列新建、改建、扩建的工程:一、单机产氧量不大于300/h或高压、中压流程的,用深度冷冻空气分离法生产氧、氮等空分气态或液态产品的氧气站设计;二、氧、氮等空分液态产品气化站房的设计;三、氧、氮等空分气态产品用户的汇流排间的设计;四、厂区和车间气态氧、氮等管道的设计。第1.0.3条扩建或改建的氧气站、气化站房、汇流排间和管道的设计,必须充分利用原有的建筑物、构筑物、设备和管道。第1.0.4条制氧站房、灌氧站房或压氧站房、液氧气化站房、氧气汇流排间、氧行瓶库的火灾危险性类别,应为“乙”类;加工处理、贮存或输送惰性气体的各类站房或库房,以及汇流排间的火灾危险性,应为“戊”类;使用氢气净化空分产品的催化反应炉,以及氢气瓶存放部分的火灾危险性,应为“甲”类。第1.0.5条氧气站、气化站房、汇流排间以及管道的设计,除应符合本规范的规定外,并应符合现行的有关国家标准、规范的规定。第二章氧气站的布置第2.0.1条氧气站、气化站房、汇流排间的布置,应按下列要求,经技术经济方案比较确定:—、宜靠近最大用户处;二、有扩建的可能性;三、有较好的自然通风和采光;四、有噪声和振动机组的氧气站有关建筑,对有噪声、振动防护要求的其他建筑之间的防护间距,应按现行的国家标准《工业企业总平面设计规范》的规定执行。第2.0.2条空分设备的吸风口应位于空气洁净处,并应位于乙炔站(厂)及电石渣堆或其他烃类等染质及固体尘埃散发源的全年最小频率风向的下风侧。吸风管的高度,应高出制氧站房屋檐1m及以上。吸风口与乙炔站(厂)及电石渣堆等杂质散发源之间的最小水平间距,应符合表2.0.2-1的要求,当不能满足表2.0.2-1的要求时,应符合表2.0.2-2的要求。空分设备吸风口与乙炔站(厂)、电石渣堆等之间的最小水平间距表2.0.2-1乙炔站(厂)及电石渣堆等杂质散发源最小水平间距(m)乙炔发生器型式乙炔站(厂)安装容量(/h)空分塔内具有液空吸附净化装置空分塔前具有分子筛吸附净化装置电石入水式≤1010050>10~<30200≥30300水入电石式≤3010050>30~<90200≥90300电石、炼焦、炼油、液化石油气生产5001...

1、当您付费下载文档后,您只拥有了使用权限,并不意味着购买了版权,文档只能用于自身使用,不得用于其他商业用途(如 [转卖]进行直接盈利或[编辑后售卖]进行间接盈利)。
2、本站所有内容均由合作方或网友上传,本站不对文档的完整性、权威性及其观点立场正确性做任何保证或承诺!文档内容仅供研究参考,付费前请自行鉴别。
3、如文档内容存在违规,或者侵犯商业秘密、侵犯著作权等,请点击“违规举报”。

碎片内容

氧气站设计规范

您可能关注的文档

确认删除?
VIP
微信客服
  • 扫码咨询
会员Q群
  • 会员专属群点击这里加入QQ群
客服邮箱
回到顶部