电脑桌面
添加小米粒文库到电脑桌面
安装后可以在桌面快捷访问

钢管柱角,地脚螺栓及人工挖孔桩的计算书VIP免费

钢管柱角,地脚螺栓及人工挖孔桩的计算书_第1页
1/7
钢管柱角,地脚螺栓及人工挖孔桩的计算书_第2页
2/7
钢管柱角,地脚螺栓及人工挖孔桩的计算书_第3页
3/7
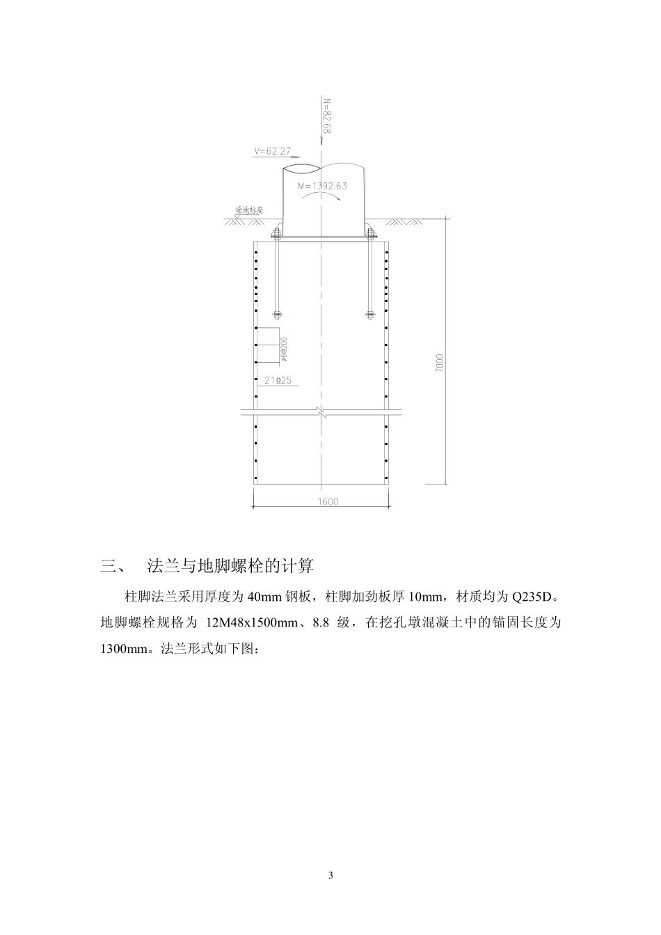
1目录一、设计原则及依据………………………………………………….2二、基本荷载及计算模型……………………………………………2三、法兰与地脚螺栓的计算…………………………………………3四、人工挖孔墩的计算………………………………………………62一、设计原则及依据1、设计原则直缝圆形钢管结构�杆段之间采用插接。柱脚采用法兰形式�均热镀锌�地脚螺栓8.8级�人工挖孔墩基础。2、设计依据1�施工图设计计划、专业设计计划、卷册任务书2�采用的规程、规范建筑结构荷载规范�GB50009-2001�建筑地基基础设计规范�GB50007-2002�混凝土结构设计规范�GB50010-2002�钢结构设计规范�GB50017-2003�建筑工程抗震设计分类标准�GB50223-2008�建筑抗震设计规范�GB50011-2001��2008年版本�3、设计标准设计安全等级为二级�采用的设计基准期50年。设计风速为34m/s。结构抗震设防类别为重点设防类�对于重点设防类别建筑结构�应按高于本地区抗震设防烈度一度的要求加强其抗震措施�同时应按本地区设防烈度确定其地震作用。6度时的建筑�建造于Ⅳ类场地上较高的高层建筑除外��应允许不进行截面抗震验算�但应符合有关的抗震措施要求。根据以上原则�抗震设防烈度按基本烈度6度计算�按7度考虑构造抗震措施。并且允许不进行截面抗震验算。地基基础设计等级为丙级�场地地基条件简单�可不作变形验算�地基土承载力特征值为180kPa。二、基本荷载及计算模型上部结构经过计算后�其所受风荷载和钢管自重在柱脚处产生的作用力如下图��单位�KN�3三、法兰与地脚螺栓的计算柱脚法兰采用厚度为40mm钢板�柱脚加劲板厚10mm�材质均为Q235D。地脚螺栓规格为12M48x1500mm、8.8级�在挖孔墩混凝土中的锚固长度为1300mm。法兰形式如下图�41、地脚螺栓强度的计算�1max22221392630100067582680267555854337.5412350494426160btibtMYNNYnNN���������������满足螺栓强度要求2、地脚螺栓锚固长度的计算�有锚板��123151.10.70.16481302.613001.43yatfladmmmmf����������满足锚固要求3、柱脚法兰板计算�max235049413.90180140btxyNNqmmLL����220.094813.9018042694.1oxxMqLN������5542694.14031.5215oxMtmmmmf�����厚度满足要求5四、人工挖孔墩的计算设备支架基础采用截面直径为1.6m的圆形人工挖孔墩基础�墩基钢筋为HRB335级�混凝土强度等级为C30�基础埋深为7.0m。1、挖孔墩强度计算计算简图如下�按照大偏心受压计算��墩极限受压承载力为�12sin2(1)()2sin0.80.41.014.33.14800(1)(0.40.45)300490210.88650.8ctysaaafAaafAaKN�������������������N=82.68<8650.8KN满足要求82.681.00116.9441402.3iNeKNm������墩极限受弯承载力为�3132sinsin2sin32sin3.140.4sin0.4sin0.45114.33.14740304902174033.140.41420.8tcryssaaaafAfAraKNM�������������������������31sinsin2sin3ticryssaaaNeafAfAra���������满足要求62、挖孔墩抗倾覆验算�计算模型简化为下图�其中风力作用点在+22.36m处,作用力为62.27KN,即H0=22.36m�S0=62.27KN22211627001.550.873375.322EmbhKN�����������2022211.562270(82680250000.87)tan351223375330(1tan35)2210.541sfKSQfEf�������������������202282680250000.871.562270tan3524763011(tan35)fsQKSfYNf��������������(0.5)1800003200006.5570.0akhpffmhKPa���������20100.180.181.55700.83.14309.3saYKfbbKN��������满足要求7������31321123223375.37(120.735)247.630.41.42tan35731tan351.423375.326274.2EhYefhfbEKNm����������������������001.522.3662.272088.5fSHKNm����������3001211232fSHEhYefhfbE�������满足要求

1、当您付费下载文档后,您只拥有了使用权限,并不意味着购买了版权,文档只能用于自身使用,不得用于其他商业用途(如 [转卖]进行直接盈利或[编辑后售卖]进行间接盈利)。
2、本站所有内容均由合作方或网友上传,本站不对文档的完整性、权威性及其观点立场正确性做任何保证或承诺!文档内容仅供研究参考,付费前请自行鉴别。
3、如文档内容存在违规,或者侵犯商业秘密、侵犯著作权等,请点击“违规举报”。

碎片内容

钢管柱角,地脚螺栓及人工挖孔桩的计算书

您可能关注的文档

确认删除?
VIP
微信客服
  • 扫码咨询
会员Q群
  • 会员专属群点击这里加入QQ群
客服邮箱
回到顶部