电脑桌面
添加小米粒文库到电脑桌面
安装后可以在桌面快捷访问

化学平衡图像训练VIP免费

化学平衡图像训练_第1页
1/11
化学平衡图像训练_第2页
2/11
化学平衡图像训练_第3页
3/11
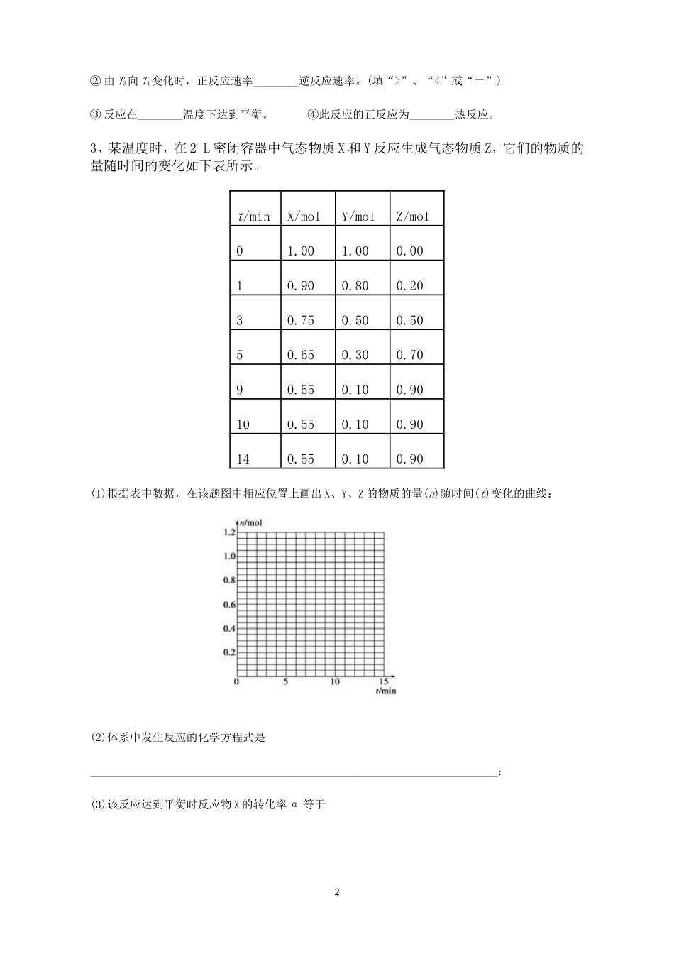
化学平衡图像专题讲义一、填空题1、在密闭容器中投入一定量的A和B发生反应:mA(g)+nB(g)pC(g)+qD(g)。(1)若开始时加入A物质mmol,欲使A与B的转化率相等,则加入B物质________mol。(2)相同的压强下,充入一定量的A、B后,在不同温度下C的百分含量与时间的关系如图1所示。则T1(填“>”、“<”或“=”)______T2,该反应正反应方向的ΔH(填“>”、“<”或“=”)______0。(3)一定条件下,从正反应开始至达到化学平衡的过程中,混合气体的平均相对分子质量随时间的变化如图2所示,测得达到平衡时A、B、C、D的物质的量均为1mol。①若在恒温、恒容的条件下,向该平衡体系中再通入A、B、C、D各1mol,则体系中气体的平均相对分子质量(填“增大”、“减小”、“不变”或“无法确定”)__________。②若恒温、恒压的条件下,向原平衡体系中再通入A、B、C、D各1mol,则体系中气体的密度(填“增大”、“减小”、“不变”或“无法确定”)__________。2、(1)估计下列各变化过程是熵增还是熵减。①NH4NO3爆炸:2NH4NO3(s)===2N2(g)+4H2O(g)+O2(g)②水煤气转化:CO(g)+H2O(g)===CO2(g)+H2(g)③臭氧的生成:3O2(g)===2O3(g)(2)可逆反应A(g)+B(g)2C(g)在不同温度下经过一定时间,混合物中C的体积分数与温度的关系如右图所示。①由T1向T2变化时,正反应速率________逆反应速率。(填“>”、“<”或“=”)1②由T3向T4变化时,正反应速率________逆反应速率。(填“>”、“<”或“=”)③反应在________温度下达到平衡。④此反应的正反应为________热反应。3、某温度时,在2L密闭容器中气态物质X和Y反应生成气态物质Z,它们的物质的量随时间的变化如下表所示。t/minX/molY/molZ/mol01.001.000.0010.900.800.2030.750.500.5050.650.300.7090.550.100.90100.550.100.90140.550.100.90(1)根据表中数据,在该题图中相应位置上画出X、Y、Z的物质的量(n)随时间(t)变化的曲线:(2)体系中发生反应的化学方程式是________________________________________________________________________;(3)该反应达到平衡时反应物X的转化率α等于2______________________________________________________________(4)如果该反应是放热反应。改变实验条件(温度、压强、催化剂)得到Z随时间变化的曲线①、②、③(如上图所示),则曲线①、②、③改变的实验条件分别是:①____________;②____________;③____________。二、选择题4、T℃时,将5molA和7molB气体通入体积为10L的密闭容器中(容积不变),反应过程中A、B、C浓度变化如下图1所示。若保持其他条件不变,温度分别为T1和T2时,B的体积分数与时间的关系如下图2所示:则下列结论正确的是()A.T℃时,将4molA,4molB和2molC气体通入体积为10L的密闭容器中(容积不变),达到平衡时,C的浓度为0.4mol·L-1B.保持其他条件不变,在(t1+10)min时,加入催化剂,平衡向正反应方向移动C.保持其他条件不变,在(t1+10)min时,通入稀有气体,平衡向逆反应方向移动D.保持其他条件不变,升高温度,正、逆反应速率均增大,A的转化率也增大5、在某一容积可变的密闭容器中,可逆反应A(g)+B(g)xC(g)ΔH,符合图象(Ⅰ)所示关系。由此推断,对图象(Ⅱ)的说法不正确的是()3A.p3>p4,Y轴表示A的转化率B.p3>p4,Y轴表示B的质量分数C.p3>p4,Y轴表示混合气体的密度D.p3>p4,Y轴表示混合气体的平均相对分子质量6、汽车尾气净化中的一个反应如下:NO(g)+CO(g)N2(g)+CO2(g)ΔH=-373.4kJ·mol-1在恒容的密闭容器中,反应达到平衡后,改变某一条件,下列示意图正确的是()7、对于可逆反应mA(g)+nB(s)pC(g)+qD(g),反应过程中,其他条件不变时,产物D的物质的量分数D%与温度T或压强p的关系如下图,下列说法正确的是()A.降温可使化学平衡向正反应方向移动B.使用合适的催化剂可使D%有所增加C.化学方程式中化学计量数:m>p+q4D.B的颗粒越小,正反应速率越快,有利于平衡向正反应方向移动8、合成氨反应:N2(g)+3H2(g)2NH3(g)ΔH=-92.4kJ·mol-1,在反应过程中,正反应速率的变化如下图:下列说法正确的是()A.t1时升高了温度B.t2时使用了催化剂C.t3时增大了压强D.t4时降...

1、当您付费下载文档后,您只拥有了使用权限,并不意味着购买了版权,文档只能用于自身使用,不得用于其他商业用途(如 [转卖]进行直接盈利或[编辑后售卖]进行间接盈利)。
2、本站所有内容均由合作方或网友上传,本站不对文档的完整性、权威性及其观点立场正确性做任何保证或承诺!文档内容仅供研究参考,付费前请自行鉴别。
3、如文档内容存在违规,或者侵犯商业秘密、侵犯著作权等,请点击“违规举报”。

碎片内容

化学平衡图像训练

您可能关注的文档

精品文库+ 关注
实名认证
内容提供者

中小学课件教案大全

相关文档

确认删除?
VIP
微信客服
  • 扫码咨询
会员Q群
  • 会员专属群点击这里加入QQ群
客服邮箱
回到顶部