电脑桌面
添加小米粒文库到电脑桌面
安装后可以在桌面快捷访问

探究串,并联电路电压的规律练习题VIP免费

探究串,并联电路电压的规律练习题_第1页
1/4
探究串,并联电路电压的规律练习题_第2页
2/4
探究串,并联电路电压的规律练习题_第3页
3/4
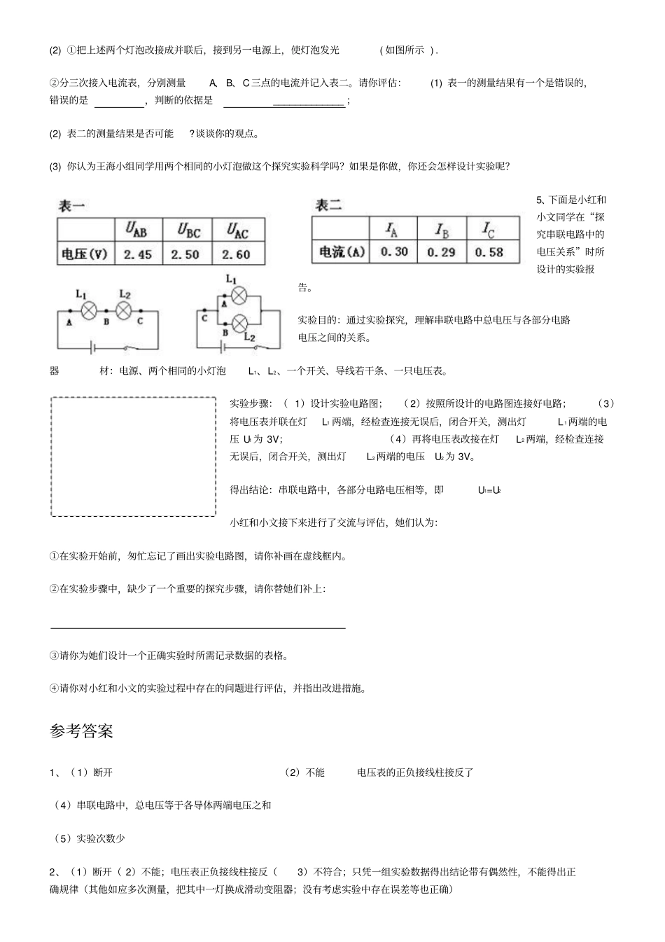
探究串,并联电路电压的规律练习题1、瑞瑞同学准备对串联电路的电压规律进行探究。主要步骤如下:a、按下图所示的电路图连接电路;b、闭合开关,用电压表测出R1两端的电压;c、在测R2两端的电压时,瑞瑞同学为了节省实验时间,采用以下方法:电压表所接的B接点不动,只断开A接点,并改接到C接点上;d、测出AC间的电压。(1)在拆接电路时,开关必须;(2)瑞瑞同学用上面的方法能否测出R2两端的电压?答:___________,原因是______________________________________(3)方法改正后,所测出AB、BC、AC间的电压记录在下右表格中;UAB/VUBC/VUAC/V2.41.53.9(4)分析瑞瑞同学的实验数据得出的结论是:_____________________________________(5)这个实验在设计方案上还存在的不足之处是:___________________________。2、(10·六盘水)李瑞同学在参加六盘水市物理实验技能大赛时,对串联电路电压规律进行了探究。【猜想与假设】串联电路总电压等于各用电器两端电压之和。【设计与进行实验】(1)按图9所示的电路图连接电路;(2)闭合开关,用电压表测出L1两端的电压;(3)在测L2两端的电压时,李瑞同学为了节省时间,采用以下方法:电压表所接的B点不动,只断开A点,并改接到C点上;(4)测出AC间的电压。【交流与评估】(1)在拆接电路时,开关必须;(2)李瑞同学用上面的方法能否测出L2两端的电压?,为什么?;(3)方法改进后,实验数据记录如右表,李瑞同学分析后得出结论:串联电路总电压不等于各用电器两端的电压之和;他的结论与猜想是否相符;这个实验在设计方案上还存在的不足之处是(写出一条)。3、(10·河南)小刚和小丽用图15所示的器材探究串联电路的电压关系,用三节干电池串联做电源,两只小灯泡的规格不同。(1)请用笔画线代替导线,连接实验电路。要求:L1和L2串联,电压表测量两灯串联后的总电压。(2)小刚用电压表测量L1两端的电压时,直接选用0~3V的量程,小丽说这样不行,规范的操作方法应该是。(3)他们在测量L2两端的电压时,两灯突然熄灭,电压表示数变为0。小刚用电压表检测L1两端的电压,示数为电源电压,由此判断出L1处的故障是;L2是短路还是正常的?小丽在原电路中又添加了一个电学器材,就检验出了结果,她的方法可能是。(4)他们排除故障后继续实验,得出了右表所示的一组数据。为了得出串联电路电压关系的普遍规律,他们还应当。L1两端电压/VL2两端电压/V串联总电压/V1.43.14.54、在探究串、并联电路规律的实验里,王海小组同学进行了如下操作:(1)①把两个标有“2.5V0.3A”的小灯泡L1和L2串联起来接到电源上,使灯泡发光(如图所示).②分三次接人电压表,分别测量AB之间、BC之间、AC之间的电压并记入表一。(2)①把上述两个灯泡改接成并联后,接到另一电源上,使灯泡发光(如图所示).②分三次接入电流表,分别测量A、B、C三点的电流并记入表二。请你评估:(1)表一的测量结果有一个是错误的,错误的是,判断的依据是_____________;(2)表二的测量结果是否可能?谈谈你的观点。(3)你认为王海小组同学用两个相同的小灯泡做这个探究实验科学吗?如果是你做,你还会怎样设计实验呢?5、下面是小红和小文同学在“探究串联电路中的电压关系”时所设计的实验报告。实验目的:通过实验探究,理解串联电路中总电压与各部分电路电压之间的关系。器材:电源、两个相同的小灯泡L1、L2、一个开关、导线若干条、一只电压表。实验步骤:(1)设计实验电路图;(2)按照所设计的电路图连接好电路;(3)将电压表并联在灯L1两端,经检查连接无误后,闭合开关,测出灯L1两端的电压U1为3V;(4)再将电压表改接在灯L2两端,经检查连接无误后,闭合开关,测出灯L2两端的电压U2为3V。得出结论:串联电路中,各部分电路电压相等,即U1=U2小红和小文接下来进行了交流与评估,她们认为:①在实验开始前,匆忙忘记了画出实验电路图,请你补画在虚线框内。②在实验步骤中,缺少了一个重要的探究步骤,请你替她们补上:③请你为她们设计一个正确实验时所需记录数据的表格。④请你对小红和小文的实验过程中存在的问题进行评估,并指出改进措施。参考答案1、(1)断开(2)不能电压表的正负接线柱接反了(4...

1、当您付费下载文档后,您只拥有了使用权限,并不意味着购买了版权,文档只能用于自身使用,不得用于其他商业用途(如 [转卖]进行直接盈利或[编辑后售卖]进行间接盈利)。
2、本站所有内容均由合作方或网友上传,本站不对文档的完整性、权威性及其观点立场正确性做任何保证或承诺!文档内容仅供研究参考,付费前请自行鉴别。
3、如文档内容存在违规,或者侵犯商业秘密、侵犯著作权等,请点击“违规举报”。

碎片内容

探究串,并联电路电压的规律练习题

爱的疯狂+ 关注
实名认证
内容提供者

该用户很懒,什么也没介绍

确认删除?
VIP
微信客服
  • 扫码咨询
会员Q群
  • 会员专属群点击这里加入QQ群
客服邮箱
回到顶部