电脑桌面
添加小米粒文库到电脑桌面
安装后可以在桌面快捷访问

放射卫生仪器设备标准物质表VIP免费

放射卫生仪器设备标准物质表_第1页
1/33
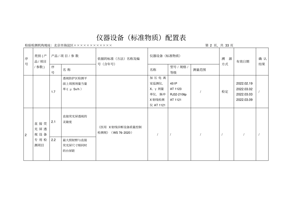
放射卫生仪器设备标准物质表_第2页
2/33
放射卫生仪器设备标准物质表_第3页
3/33
附表5仪器设备(标准物质)配置表检验检测机构地址:北京市海淀区××××××××××××第1页,共33页序号类别(产品/项目/参数)产品/项目/参数依据的标准(方法)名称及编号(含年号)仪器设备(标准物质)溯源方式有效日期确认结果序号名称名称型号/规格/等级测量范围1X射线透视设备通用检测项目1.1透视受检者入射体表空气比释动能率典型值/(mGy/min)《医用X射线诊断设备质量控制检测规》(WS76-2020)剂量仪主机、高对比度分辨力测试卡、低对比度测试模体、光照亮度计、铝片、铜板X2BaseUnit;07-661-7662;07-608;07-706R-F探头管电压:40-150kVp剂量:5nGy-9999Gy剂量率:1nGy/s-500mGy/s时间:1ms-999s半值层:1-14mmAlLIGHT探头照度:0.01-10000cd/m2照度:0.01-100000lux0.6lp/mm~12lp/mm检定2021.9.3符合1.2透视受检者入射体表空气比释动能率最大值/(mGy/min)1.3高对比度分辨力1.4低对比度分辨力1.5入射屏前空气比释动能率1.6自动亮度控制仪器设备(标准物质)配置表检验检测机构地址:北京市海淀区××××××××××××第2页,共33页序号类别(产品/项目/参数)产品/项目/参数依据的标准(方法)名称及编号(含年号)仪器设备(标准物质)溯源方式有效日期确认结果序号名称名称型号/规格/等级测量范围1.7透视防护区检测平面上周围剂量当量率/(μSv/h)加压电离室巡测仪、X、γ剂量率仪、脉冲X射线检测仪AT1121451PAT1123RJ32-2106pAT1121/检定2022.02.192022.03.022022.03.032022.03.09/2直接荧光屏透视设备专用检测项目2.1直接荧光屏透视的灵敏度《医用X射线诊断设备质量控制检测规》(WS76-2020)//////2.2最大照射野与直接荧光屏尺寸相同时的台屏距仪器设备(标准物质)配置表检验检测机构地址:北京市海淀区××××××××××××第3页,共33页序号类别(产品/项目/参数)产品/项目/参数依据的标准(方法)名称及编号(含年号)仪器设备(标准物质)溯源方式有效日期确认结果序号名称名称型号/规格/等级测量范围3DSA设备专用检测项目3.1DSA动态范围《医用X射线诊断设备质量控制检测规》(WS76-2020)DSA-SRI性能模体SRI////3.2DSA对比灵敏度3.3伪影4X射线摄影设备通用检测项目4.1管电压指示的偏离《医用X射线诊断设备质量控制检测规》(WS76-2020)剂量仪主机、非介入X射线管电压测试仪、铝片、铅板X2BaseUnitR-F探头管电压:40-150kVp剂量:5nGy-9999Gy剂量率:1nGy/s-500mGy/s时间:1ms-999s半值层:1-14mmAl检定2021.9.3符合4.2辐射输出量重复性4.3输出量线性4.4有用线束半值层仪器设备(标准物质)配置表检验检测机构地址:北京市海淀区××××××××××××第4页,共33页序号类别(产品/项目/参数)产品/项目/参数依据的标准(方法)名称及编号(含年号)仪器设备(标准物质)溯源方式有效日期确认结果序号名称名称型号/规格/等级测量范围4X射线摄影设备通用检测项目4.5曝光时间指示的偏离《医用X射线诊断设备质量控制检测规》(WS76-2020)光野与照射野检测板及准直检测筒、铜板、铝板/////4.6AEC重复性4.7AEC响应4.8AEC电离室之间一致性4.9有用线束垂直度偏离4.10光野与照射野四边的偏离5屏片X射线摄影设备专用检测项目5.1聚焦滤线栅与有用线束中心对准《医用X射线诊断设备质量控制检测规》(WS76-2020)//////仪器设备(标准物质)配置表检验检测机构地址:北京市海淀区××××××××××××第5页,共33页序号类别(产品/项目/参数)产品/项目/参数依据的标准(方法)名称及编号(含年号)仪器设备(标准物质)溯源方式有效日期确认结果序号名称名称型号/规格/等级测量范围6DR设备专用检测项目6.1探测器剂量指示(DDI)《医用X射线诊断设备质量控制检测规》(WS76-2020)剂量仪主机、非介入X射线管电压测试仪、铅块、铜片吸收片、X射线诊断水平计量仪X2BaseUnit;07-661-7662;07-608;07-706R-F探头管电压:40-150kVp剂量:5nGy-9999Gy剂量率:1nGy/s-500mGy/s时间:1ms-999s半值层:1-14mmAl检定2021.9.3符合6.2信号传递特性(STP)6.3响应均匀性6.4测距误差6.5残影6.6伪影6.7高对比度分辨力6.8低对比度分辨力仪器设备(标准物质)配置表检验检...

1、当您付费下载文档后,您只拥有了使用权限,并不意味着购买了版权,文档只能用于自身使用,不得用于其他商业用途(如 [转卖]进行直接盈利或[编辑后售卖]进行间接盈利)。
2、本站所有内容均由合作方或网友上传,本站不对文档的完整性、权威性及其观点立场正确性做任何保证或承诺!文档内容仅供研究参考,付费前请自行鉴别。
3、如文档内容存在违规,或者侵犯商业秘密、侵犯著作权等,请点击“违规举报”。

碎片内容

放射卫生仪器设备标准物质表

您可能关注的文档

确认删除?
VIP
微信客服
  • 扫码咨询
会员Q群
  • 会员专属群点击这里加入QQ群
客服邮箱
回到顶部