电脑桌面
添加小米粒文库到电脑桌面
安装后可以在桌面快捷访问

数电实训实训内容VIP免费

数电实训实训内容_第1页
1/7
数电实训实训内容_第2页
2/7
数电实训实训内容_第3页
3/7
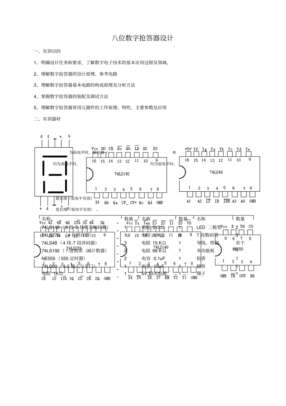
八位数字抢答器设计一、实训目的1、明确设计任务和要求,了解数字电子技术的基本应用过程及领域。2、理解数字抢答器的设计原理、参考电路3、理解数字抢答器基本电路的构成原理及分析方法4、掌握数字抢答器的装配及调试方法5、理解数字抢答器常用元器件的工作原理、特性、主要参数及应用二、实训器材为高电平时,输出端(R均为高电平时,均为低电平时,置位端(低电平有效)复位端(低电平有效)。名称数量名称数量名称数量74LS148(8线-3线优先编码器)1电阻510Ω1LED二极管274LS279(4位锁存器)1电阻10KΩ97段数码管374LS48(4线-7段译码器)3电阻15KΩ1导线、焊锡若干74LS192(十进制加/减计数器)2电阻68KΩ1多功能板1NE555(555定时器)2电容0.1uF1松香174LS00(4-2输入与非门)1电容10uF1铬铁1电阻1KΩ15V稳压电源1镊子1表274LS48的功能真值表功能输入输入输入/输出输出显示字形LTRBIA3A2A1A0BI/RBOabcdefg0123456789101112131415灭灯灭零试灯111×1×1×1×1×1×1×1×1×1×1×1×1×1×1×××100×0000000100100011010001010110011110001001101010111100110111101111××××0000××××1111111111111111001111111001100001101101111100101100111011011001111111100001111111111001100011010011001010001110010110001111000000000000000000000111111174LS192是同步十进制可逆计数器,它具有双时钟输入,并具有清除和置数等功能,其引脚排列及逻辑符号如下所示:图14-474LS192的引脚排列及逻辑符号(a)引脚排列(b)逻辑符号图中:PL为置数端,UCP为加计数端,DCP为减计数端,UTC为非同步进位输出端,DTC为非同步借位输出端,P0、P1、P2、P3为计数器输入端,MR为清除端,Q0、Q1、Q2、Q3为数据输出端。其功能表如下:输入输出MRPLUCPDCPP3P2P1P0Q3Q2Q1Q01×××××××000000××dcbadcba011××××加计数011××××减计数表14-274LS192的功能表NE555功能:1:接地端;2:TR;3:OUT;4:RD;5:CO;6:D;7:TH;8:电源端。1、555电路的工作原理555电路的内部电路方框图如图9-1所示。它含有两个电压比较器,一个基本RS触发器,一个放电开关管T,比较器的参考电压由三只5KΩ的电阻器构成的分压器提供。它们分别使高电平比较器A1的同相输入端和低电平比较器A2的反相输入端的参考电平为CCV32和CCV31。A1与A2的输出端控制RS触发器状态和放电管开关状态。当输入信号自6脚,即高电平触发输入并超过参考电平CCV32时,触发器复位,555的输出端3脚输出低电平,同时放电开关管导通;当输入信号自2脚输入并低于CCV31时,触发器置位,555的3脚输出高电平,同时放电开关管截止。DR是复位端(4脚),当DR=0,555输出低电平。平时DR端开路或接VCC。(a)(b)图9-1555定时器内部框图及引脚排列VC是控制电压端(5脚),平时输出CCV32作为比较器A1的参考电平,当5脚外接一个输入电压,即改变了比较器的参考电平,从而实现对输出的另一种控制,在不接外加电压时,通常接一个0.01μf的电容器到地,起滤波作用,以消除外来的干扰,以确保参考电平的稳定。T为放电管,当T导通时,将给接于脚7的电容器提供低阻放电通路。555定时器主要是与电阻、电容构成充放电电路,并由两个比较器来检测电容器上的电压,以确定输出电平的高低和放电开关管的通断。这就很方便地构成从微秒到数十分钟的延时电路,可方便地构成单稳态触发器,多谐振荡器,施密特触发器等脉冲产生或波形变换电路。三、设计思想接通电源后,主持人将开关拨到″清除″状态,抢答器处于禁止状态,编号显示器灭灯,定时器显示设定时间;主持人将开关置于开始状态,宣布"开始"抢答器工作。定时器倒计时,扬声器给出声响提示。选手在定时时间内抢答时,抢答器完成:优先判断、编号锁存、编号显示、扬声器提示。当一轮抢答之后,定时器停止、禁止二次抢答、定时器显示剩余时间。如果再次抢答必须由主持人再次操作"清除"和"开始"状态开关。1、复习编码器、十进制加/减计数器的工作原理。2、设计可预置时间的定时电路。3、分析与设计时序控制电路。4、画出定时抢答器的整机逻辑电路图四、抢答器设计任务与要求、设计原理与参考电路(一)设计任...

1、当您付费下载文档后,您只拥有了使用权限,并不意味着购买了版权,文档只能用于自身使用,不得用于其他商业用途(如 [转卖]进行直接盈利或[编辑后售卖]进行间接盈利)。
2、本站所有内容均由合作方或网友上传,本站不对文档的完整性、权威性及其观点立场正确性做任何保证或承诺!文档内容仅供研究参考,付费前请自行鉴别。
3、如文档内容存在违规,或者侵犯商业秘密、侵犯著作权等,请点击“违规举报”。

碎片内容

数电实训实训内容

您可能关注的文档

确认删除?
VIP
微信客服
  • 扫码咨询
会员Q群
  • 会员专属群点击这里加入QQ群
客服邮箱
回到顶部