电脑桌面
添加小米粒文库到电脑桌面
安装后可以在桌面快捷访问

初中化学物质的共存知识点总结VIP免费

初中化学物质的共存知识点总结_第1页
1/5
初中化学物质的共存知识点总结_第2页
2/5
初中化学物质的共存知识点总结_第3页
3/5
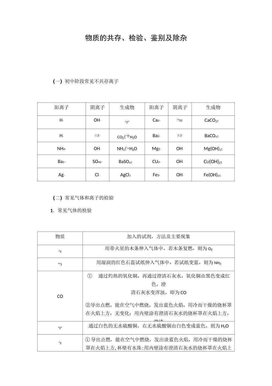
物质的共存、检验、鉴别及除杂(一)初中阶段常见不共存离子阳离子阴离子生成物阳离子阴离子生成物H+OH-H2OCa2+CO32-CaCO3;H+巴2-CO2f+H2OBa2+企2-BaCO3;NH4+OH-NH3f+H2OMg2+OH-Mg(OH)2;Ba2+SO42-BaSO4;CU2+OH-CU(OH)2;Ag+Cl-AgCl;Fe3+OH-Fe(OH)3;(二)常见气体和离子的检验1.常见气体的检验物质加入的试剂,方法及主要现象O2用带火星的木条伸入气体中,若木条复燃,则为O2NH3用湿润的红色石蕊试纸伸入气体中,若试纸变蓝,则为NH3CO①通过灼热的氧化铜,再通过澄清石灰水,氧化铜由黑色变成红色,澄清石灰水变浑浊,即为CO②导出点燃,能在空气中燃烧,发出蓝色火焰,用冷而干燥的烧杯罩在火焰上方,无变化;用内壁涂有澄清石灰水的烧杯罩在火焰上方,澄清H2O通过白色的无水硫酸铜,右无水硫酸铜由白色变成蓝色,则为H2OH2①导出点燃,能在空气中燃烧,发出淡蓝色火焰,用冷而干燥的烧杯罩在火焰上方,杯壁有水珠;用内壁涂有澄清石灰水的烧杯罩在火焰上方,无变化②通过灼热的氧化铜,再通过无水硫酸铜,氧化铜由黑色变成红色,无水硫酸铜变蓝,则为H2物质加入的试剂,方法及主要现象CH4导出点燃,能在空气中燃烧,发出蓝色火焰,用冷而干燥的烧杯罩在火焰上方,杯壁有水珠,用内壁涂有澄清石灰水的烧杯罩在火焰上方,石灰水变浑浊2.常见离子的检验离子检验方法现象①滴入紫色石蕊溶液①紫色石蕊溶液变红H+②加入锌粒②有气泡冒出③用pH试纸测pH③pH<7NH4+滴入碱液加热,用湿润的红色石蕊试纸检验产生的气体有刺激性气味的气体放出,红色石蕊试纸变蓝CU2+滴入NaOH溶液有蓝色沉淀生成Fe3+滴入NaOH溶液有红褐色沉淀生成(续表)OH-①滴入无色酚酞溶液②滴入紫色石蕊溶液③用pH试纸测pH①无色酚酞溶液变红②紫色石蕊溶液变蓝③pH>7SO42-滴入Ba(NO3)2溶液和稀硝酸产生不溶于稀硝酸的白色沉淀Cl-滴入AgNO3溶液和稀硝酸产生不溶于稀硝酸的白色沉淀CO32-(或HCO3-)滴入盐酸,产生的气体通入澄清石灰水产生的气体可使澄清石灰水变浑浊Ag+取少量试剂滴加少量NaCI溶液和稀硝酸有白色沉淀生成Ba2+取少量试剂滴加少量Na2SO4和稀硝酸有白色沉淀生成Ca2+取少量试剂滴加碳酸盐溶液,再加入稀盐酸先有白色沉淀生成,加入酸后,沉淀消失并有气泡产生(三)常见物质的鉴别常见物质检验方法现象和结论硬水和软水加肥皂水出现泡沫多的是软水,反之是硬水聚乙烯和聚氯乙烯点燃(灼烧)无气味的是聚乙烯,有刺激性气味产生的是聚氯乙烯棉花、羊毛、合成纤维灼烧燃烧时有烧纸气味的是棉花;有烧焦羽毛气味的是羊毛;有特殊气味,灰烬是黑色或褐色硬块的是合成纤维硝酸铵固体和氢氧化钠固体加水溶于水后使溶液温度升高的是氢氧化钠固体,使温度降低的是硝酸铵固体常见化肥的鉴别鉴别方法:“一看、一闻、二溶、四加碱”氨水为液态;钾肥多为白色;磷肥是灰白色且多数难溶于水;氮肥、钾肥易溶于水;碳酸氢铵有刺激性气味的气体产生;铵态氮肥与碱混合研磨有刺激性气味的气体产生(四)常见物质的除杂1.除杂原则——“不增、不减、易分离”(1)除杂过程中不能引入新杂质,即“不增”。(2)加入的试剂一般不能与所需要的物质反应,所需物质可增多但不可减少,即“不减”。(3)杂质应转化为原物质或沉淀、气体、水等易分离的物质,即“易分离”。2.气体除杂物质杂质除杂方法CO2CO通过灼热的氧化铜COCO2先通过足量的氢氧化钠溶液,再通过浓硫酸CO2HCI气体通过饱和的碳酸氢钠溶液,再通过浓硫酸H2HCI气体通过氢氧化钠溶液,再通过浓硫酸或碱石灰H2水蒸气通过氧化钙或浓硫酸或氢氧化钠固体CO2水蒸气通过浓硫酸3.固体除杂物质杂质除杂方法CuOCu在空气中(或氧气中)灼烧CuCuO加入足量的稀硫酸,过滤、干燥CuFe/Zn加入足量的稀硫酸,过滤、干燥CCuO加入足量的稀硫酸,过滤、干燥CaOCaCO3高温煅烧CaCO3CaCI2加水溶解、过滤、干燥4.液体除杂物质杂质除杂方法NaCI^283加入适量的盐酸NaCINaOH加入适量的盐酸NaCIM2SO4加入适量的氯化钡溶液,过滤NaCIHCI加入适量的氢氧化钠溶液NaCIBaCI2加入适量的硫酸钠溶液,过滤NaCINaHCO3加入适量的稀盐酸NaOH^283加入适量的氢氧化钙溶液,过滤NaNO3NaCI加入适量的硝酸银溶液,...

1、当您付费下载文档后,您只拥有了使用权限,并不意味着购买了版权,文档只能用于自身使用,不得用于其他商业用途(如 [转卖]进行直接盈利或[编辑后售卖]进行间接盈利)。
2、本站所有内容均由合作方或网友上传,本站不对文档的完整性、权威性及其观点立场正确性做任何保证或承诺!文档内容仅供研究参考,付费前请自行鉴别。
3、如文档内容存在违规,或者侵犯商业秘密、侵犯著作权等,请点击“违规举报”。

碎片内容

初中化学物质的共存知识点总结

确认删除?
VIP
微信客服
  • 扫码咨询
会员Q群
  • 会员专属群点击这里加入QQ群
客服邮箱
回到顶部