电脑桌面
添加小米粒文库到电脑桌面
安装后可以在桌面快捷访问

梯形螺纹的车削VIP免费

梯形螺纹的车削_第1页
1/2
梯形螺纹的车削_第2页
2/2
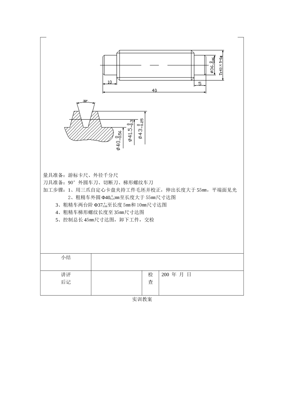
专业部:机械数控专业部授课人:实训项目名称授课班级及时间班级日期星期节次应到实到迟到缺席梯形螺纹车削实训子项目名称项目训练目标能够掌握梯形螺纹的车削加工方法项目训练场地设备普车实训室普通车床实训项目材料45Φ45×80准备的理论知识(或实训指导书)《车工技能实训》实训工艺规范要求统一图纸,图样分析,尺寸分析,制定合理的车削加工方法,严格按图纸工艺要求车削加工零件实训安全教育实训课前,时刻不忘对学生安全方面的知识教育,做好每次上机前对机床手柄位置的检查,消除事故隐患实训内容与时间安排1、整队集合,清点人数,强调课堂秩序及其他注意事项2、通过板书讲解,分析图样与尺寸来制定合理的车削加工步骤3、分组分机操作4、教师巡回指导,纠正错误,示范引导,个别和集中辅导5、课后归纳总结,分析学生操作的错误现象6、整队集合,清点人数,检查卫生打扫情况巡回指导与信息反馈实训教案专业部:机械数控专业部授课人:讲稿加工图样量具准备:游标卡尺、外径千分尺刀具准备:90°外圆车刀、切断刀、梯形螺纹车刀加工步骤:1、用三爪自定心卡盘夹持工件毛坯并校正,伸出长度大于55㎜,平端面见光2、粗精车外圆Φ400-0.25㎜至长度大于55㎜尺寸达图3、粗精车两台阶Φ370-0.08至长度5㎜和10㎜尺寸达图4、粗精车梯形螺纹长度至35㎜尺寸达图5、控制总长45㎜尺寸达图,卸下工件,交检小结讲评后记检查200年月日实训教案

1、当您付费下载文档后,您只拥有了使用权限,并不意味着购买了版权,文档只能用于自身使用,不得用于其他商业用途(如 [转卖]进行直接盈利或[编辑后售卖]进行间接盈利)。
2、本站所有内容均由合作方或网友上传,本站不对文档的完整性、权威性及其观点立场正确性做任何保证或承诺!文档内容仅供研究参考,付费前请自行鉴别。
3、如文档内容存在违规,或者侵犯商业秘密、侵犯著作权等,请点击“违规举报”。

碎片内容

梯形螺纹的车削

您可能关注的文档

确认删除?
VIP
微信客服
  • 扫码咨询
会员Q群
  • 会员专属群点击这里加入QQ群
客服邮箱
回到顶部