电脑桌面
添加小米粒文库到电脑桌面
安装后可以在桌面快捷访问

2014年安徽省高考考试说明化学题型示例VIP免费

2014年安徽省高考考试说明化学题型示例_第1页
1/12
2014年安徽省高考考试说明化学题型示例_第2页
2/12
2014年安徽省高考考试说明化学题型示例_第3页
3/12
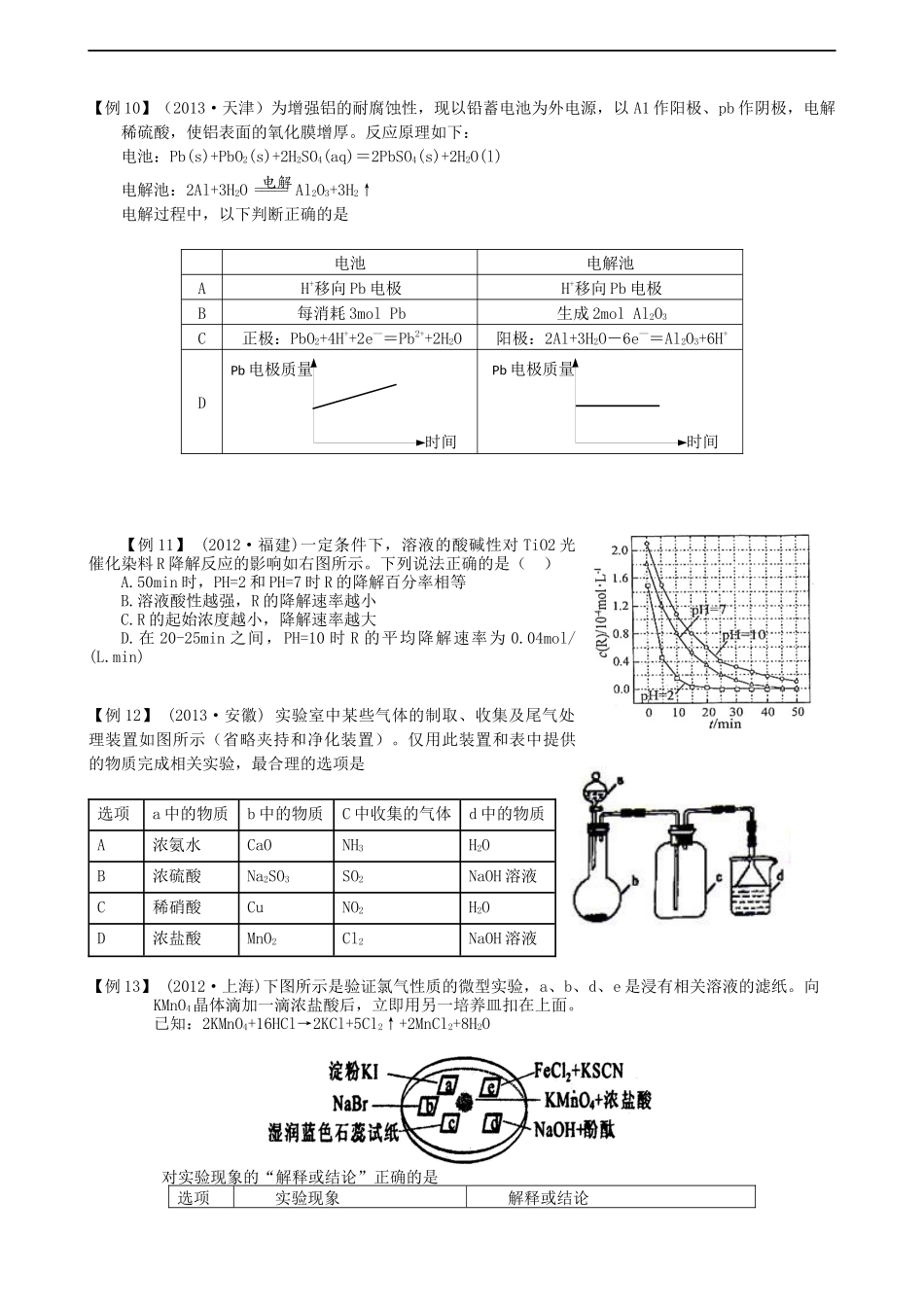
2014年安徽省高考理综考试说明化学题型示例【例1】(2012·广东)化学与生活息息相关,下列说法不正确的是A用食醋可除去热水壶内壁的水垢B淀粉,油脂和蛋白质都是高分子化合物C自行车钢价生锈主要是电化学腐蚀所致D新型复合材料使用手机,电脑能电子产品更轻巧,使用和新潮【例2】(2011·安徽)科学家最近研制出可望成为高效火箭推进剂的(如下图所示)。已知该分子中N-N-N键角都是108.1°,下列有关的说法正确的是A.分子中N、O间形成的共价键是非极性键B.分子中四个氮原子共平面C.该物质既有氧化性又有还原性D.15.2g该物质含有6.02×个原子【例3】(2010·安徽)亚氨基锂(Li2NH)是一种储氢容量高、安全性好的固体储氢材料,其储氢原理可表示为:Li2NH+H2Li2NH+LiH,下列有关说法正确的是()A.Li2NH中N的化合价是B.该反应中H2既是氧化剂又是还原剂C.和的离子半径相等D.此法储氢和钢瓶储氢的原理相同【例4】(2011·安徽)下列有关实验操作、现象和解释或结论都正确的是选项实验操作现象解释或结论A过量的Fe粉中加入,充分反应后,滴入KSCN溶液溶液呈红色稀将Fe氧化为BAgl沉淀中滴入稀KCl溶液有白色沉淀出现AgCl比Agl更难溶CAl箔插入稀中无现象Al箔表面被氧化,形成致密的氧化膜D用玻璃棒蘸取浓氨水点到红色石蕊试纸上试纸变蓝色浓氨水呈碱性【例5】(2010·江苏)设为阿伏伽德罗常数的值,下列叙述正确的是()A.常温下,的溶液中氮原子数为0.2B.1羟基中电子数为10C.在反应KIO3+6HI==KI+3I2+3H2O中,每生成3转移的电子数为6D.常温常压下,22.4L乙烯中键数为4【例6】(2010·上海)将0.4gNaOH和1.06gNa2CO3混合配成溶液,向溶液中滴加0.1mol·L-1稀盐酸。下列图像能正确表示加入盐酸的体积和生成CO2的物质的量的关系的是()【例7】(2011·安徽)室温下,将1.000mol盐酸滴入20.00mL1.000mol氨水中,溶液pH和温度随加入盐酸体积变化曲线如右图所示。下列有关说法正确的是A.a点由水电离出的B.b点:C.c点:D.d点后,容易温度略下降的主要原因是电离吸热【例8】右图是部分短周期元素化合价与原子序数的关系图,下列说法正确的是()A.原子序数:Z>Y>XB.气态氢化物的稳定性:W>RC.WX3和水反应形成的化合物是离子化合物D.Y和Z两者最高价氧化物对应的水化物能相互反应【例9】(2010·全国新课标)下表中评价合理的是()选项化学反应及其离子方程式评价AFe3O4与稀硝酸反应:2Fe3O4+18H+=6Fe3++H2+8H2O正确B向碳酸镁中加入稀盐酸:CO32-+2H+==CO2+H2O错误,碳酸镁不应该写成离子形式C向硫酸铵溶液中加入氢氧化钡溶液:Ba2++SO42-==BaSO4¯正确DFeBr2溶液与等物质的量的Cl2反应:2Fe2++2Br-+2Cl2==2Fe3++4Cl-+Br2错误,Fe2+与Br-的化学计量数之比应为1:2Pb电极质量时间Pb电极质量时间【例10】(2013·天津)为增强铝的耐腐蚀性,现以铅蓄电池为外电源,以A1作阳极、pb作阴极,电解稀硫酸,使铝表面的氧化膜增厚。反应原理如下:电池:Pb(s)+PbO2(s)+2H2SO4(aq)=2PbSO4(s)+2H2O(l)电解池:2Al+3H2O=====Al2O3+3H2↑电解过程中,以下判断正确的是电池电解池AH+移向Pb电极H+移向Pb电极B每消耗3molPb生成2molAl2O3C正极:PbO2+4H++2e—=Pb2++2H2O阳极:2Al+3H2O-6e—=Al2O3+6H+D【例11】(2012·福建)一定条件下,溶液的酸碱性对TiO2光催化染料R降解反应的影响如右图所示。下列说法正确的是()A.50min时,PH=2和PH=7时R的降解百分率相等B.溶液酸性越强,R的降解速率越小C.R的起始浓度越小,降解速率越大D.在20-25min之间,PH=10时R的平均降解速率为0.04mol/(L.min)【例12】(2013·安徽)实验室中某些气体的制取、收集及尾气处理装置如图所示(省略夹持和净化装置)。仅用此装置和表中提供的物质完成相关实验,最合理的选项是选项a中的物质b中的物质C中收集的气体d中的物质A浓氨水CaONH3H2OB浓硫酸Na2SO3SO2NaOH溶液C稀硝酸CuNO2H2OD浓盐酸MnO2Cl2NaOH溶液【例13】(2012·上海)下图所示是验证氯气性质的微型实验,a、b、d、e是浸有相关溶液的滤纸。向KMnO4晶体滴加一滴浓盐酸后,立即用另一培养皿扣在上面。已知:2KMnO4+16HCl→2KCl+5Cl2↑+2MnCl2+8H2O对实验现象的“解释或结论”正确的...

1、当您付费下载文档后,您只拥有了使用权限,并不意味着购买了版权,文档只能用于自身使用,不得用于其他商业用途(如 [转卖]进行直接盈利或[编辑后售卖]进行间接盈利)。
2、本站所有内容均由合作方或网友上传,本站不对文档的完整性、权威性及其观点立场正确性做任何保证或承诺!文档内容仅供研究参考,付费前请自行鉴别。
3、如文档内容存在违规,或者侵犯商业秘密、侵犯著作权等,请点击“违规举报”。

碎片内容

2014年安徽省高考考试说明化学题型示例

您可能关注的文档

教育精品店+ 关注
实名认证
内容提供者

优良的服务

确认删除?
VIP
微信客服
  • 扫码咨询
会员Q群
  • 会员专属群点击这里加入QQ群
客服邮箱
回到顶部