电脑桌面
添加小米粒文库到电脑桌面
安装后可以在桌面快捷访问

新编钣金工艺指导书LPVIP免费

新编钣金工艺指导书LP_第1页
1/15
新编钣金工艺指导书LP_第2页
2/15
新编钣金工艺指导书LP_第3页
3/15
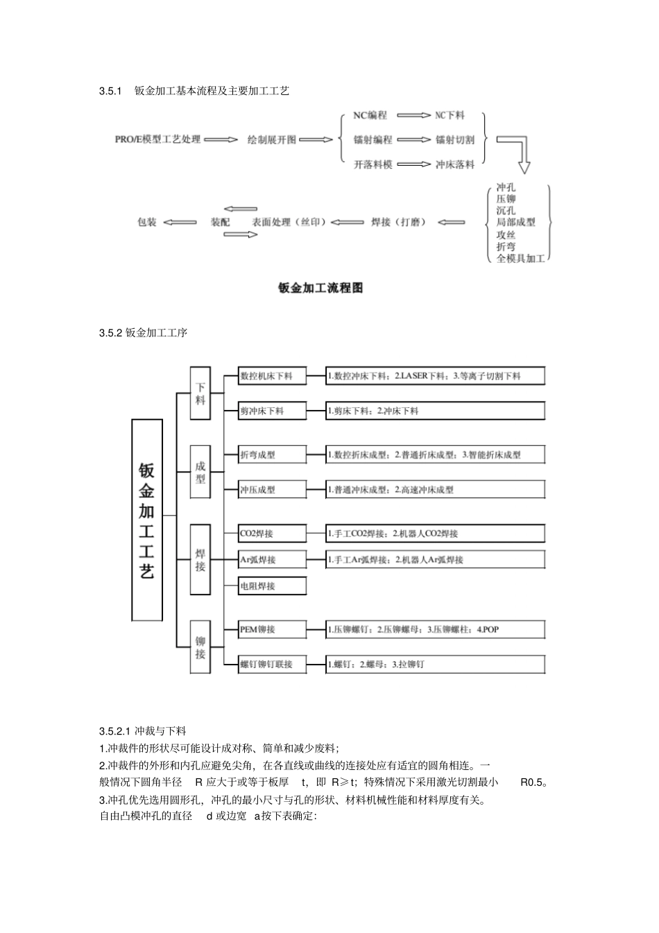
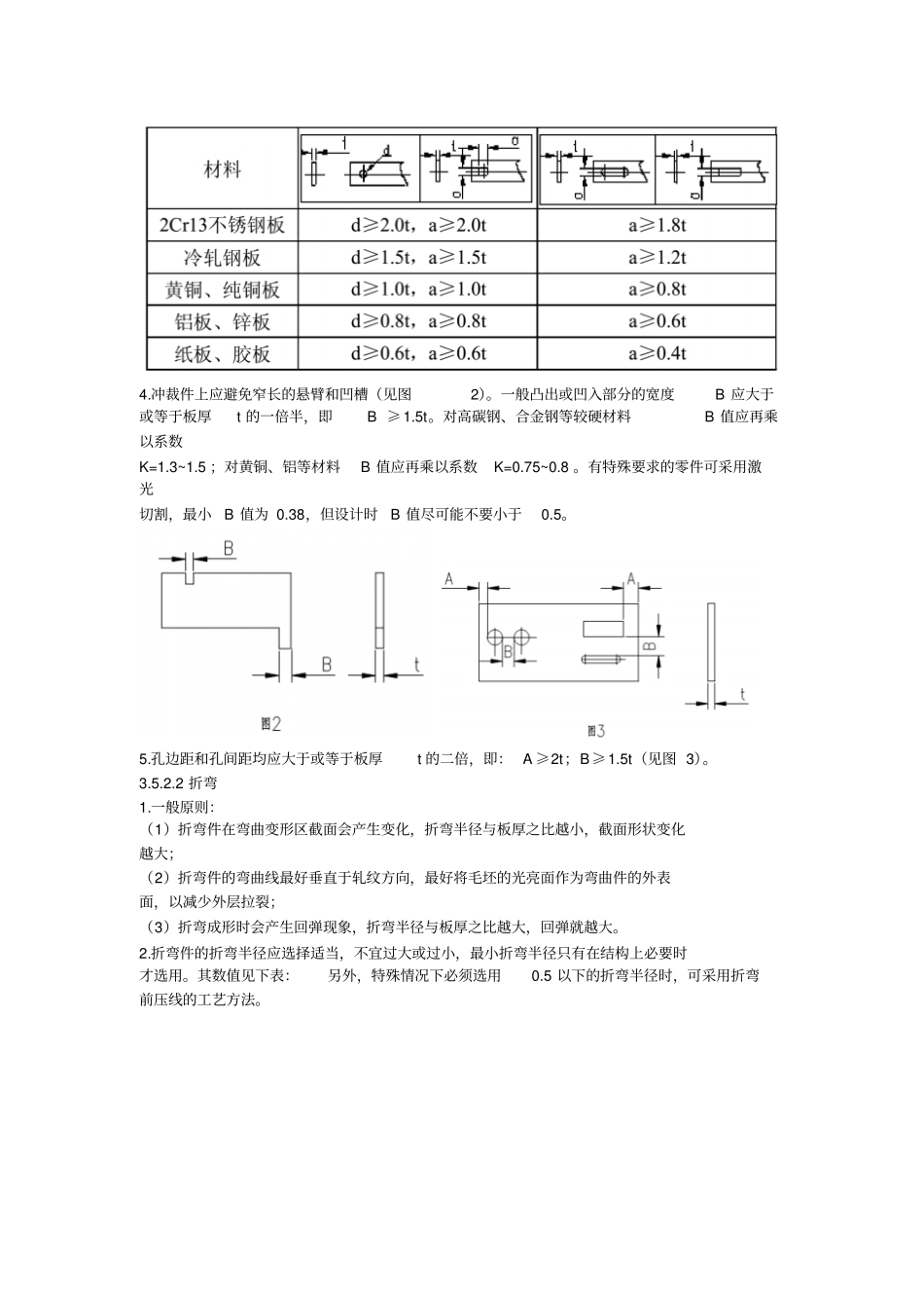
LP非标机柜加工工艺指导书1、工艺目标保证结构设计人员对钣金加工工艺安排正确,一致,合理,对结构设计文档各项工艺审核内容规范化,审核标准统一化,同时对设计和制造加工进行指导和导向。2、适用范围本规范适用于LP中心钣金所有结构文档(图纸、设计规范、检验规范)的工艺审核。3、工艺审核原则3.1工艺审核总则设计阶段:1“从制造的观点分析结构方案的合理性”。即设计的产品能否制造出来、生产中会不会遇到很大的问题、能否保证制造出来的产品达到设计预期的要求等等。2“分析结构的继承性,以及标准化系列化程度”。是否尽量采用了通用件(模块),能用标准零、部件或系列零部件的地方应尽量采用。3“分析产品总装的可行性与方便性,产品各组成部分是否便于装配、调整、维修,能否进行并行装配和检查,各部件是否具有装配基准”。在装配时应尽量避免再作加工,产品应有合理的、可靠的装配基准和调整要素,各部件能否进行独立装配(即并行装配)等等。4“分析主要材料选用是否合理”。尽量不用或少用难加工的、难购买的材料和稀有、贵重的材料。5“分析产品零件在本企业或外协加工的可能性”。如果一个产品的主要零件无法加工,或加工后不能达到设计要求,这种结构显然是不好的。6“分析高精度、复杂零件能否在现有生产条件下加工出来,主要的精度参数的可检查性和装配精度的合理性”。不能加工出来的,是否可以另想办法替代,加工、装配时无法进行检查的精度要求,是不和理的,超过使用要求的过高精度要求也是不合理的。7“审查各有关零件的工艺性”。(钣金、机加工、焊接、喷涂、电镀等等)。8“审核三维模型,要求钣金零件必须能够展开”。3.2图面规范性图面表达按照制图规范进行。3.3尺寸和公差1.重要尺寸应完整、正确、清晰;2.尺寸基准选择既要考虑设计要求、又要考虑加工定位和测量检验的要求;3.有装配要求的两个零件的配合尺寸应有公差要求;4.配合选择应合理,优先选用基孔制,尽量选用优先配合和常用配合;5.公差等级选择应适当;6.形位公差选择应合理、适当;7.未注尺寸公差和未注形位公差的使用按信息平台/设计规范/技术规范中“未注尺寸公差技术规范”和“未注形位公差技术规范”执行。3.4装配图1.各零件组装是否方便,安装方法是否过于复杂,可否有更简便的结构实现同样功能的装配;2.装配中的运动部件应运动自如,在运动时不得与其它零部件产生干涉;3.必要的尺寸标注必须完整。装配图中必须标注的尺寸包括外形尺寸、装配尺寸、安装尺寸、性能规格尺寸和运动部件的极限尺寸等。尺寸标注的基准尽量考虑便于检验。4.装配时需特别注意的事项应在技术要求中注明。3.5钣金加工工艺3.5.1钣金加工基本流程及主要加工工艺3.5.2钣金加工工序3.5.2.1冲裁与下料1.冲裁件的形状尽可能设计成对称、简单和减少废料;2.冲裁件的外形和内孔应避免尖角,在各直线或曲线的连接处应有适宜的圆角相连。一般情况下圆角半径R应大于或等于板厚t,即R≥t;特殊情况下采用激光切割最小R0.5。3.冲孔优先选用圆形孔,冲孔的最小尺寸与孔的形状、材料机械性能和材料厚度有关。自由凸模冲孔的直径d或边宽a按下表确定:4.冲裁件上应避免窄长的悬臂和凹槽(见图2)。一般凸出或凹入部分的宽度B应大于或等于板厚t的一倍半,即B≥1.5t。对高碳钢、合金钢等较硬材料B值应再乘以系数K=1.3~1.5;对黄铜、铝等材料B值应再乘以系数K=0.75~0.8。有特殊要求的零件可采用激光切割,最小B值为0.38,但设计时B值尽可能不要小于0.5。5.孔边距和孔间距均应大于或等于板厚t的二倍,即:A≥2t;B≥1.5t(见图3)。3.5.2.2折弯1.一般原则:(1)折弯件在弯曲变形区截面会产生变化,折弯半径与板厚之比越小,截面形状变化越大;(2)折弯件的弯曲线最好垂直于轧纹方向,最好将毛坯的光亮面作为弯曲件的外表面,以减少外层拉裂;(3)折弯成形时会产生回弹现象,折弯半径与板厚之比越大,回弹就越大。2.折弯件的折弯半径应选择适当,不宜过大或过小,最小折弯半径只有在结构上必要时才选用。其数值见下表:另外,特殊情况下必须选用0.5以下的折弯半径时,可采用折弯前压线的工艺方法。3.折弯件的直边高度应选择...

1、当您付费下载文档后,您只拥有了使用权限,并不意味着购买了版权,文档只能用于自身使用,不得用于其他商业用途(如 [转卖]进行直接盈利或[编辑后售卖]进行间接盈利)。
2、本站所有内容均由合作方或网友上传,本站不对文档的完整性、权威性及其观点立场正确性做任何保证或承诺!文档内容仅供研究参考,付费前请自行鉴别。
3、如文档内容存在违规,或者侵犯商业秘密、侵犯著作权等,请点击“违规举报”。

碎片内容

新编钣金工艺指导书LP

确认删除?
VIP
微信客服
  • 扫码咨询
会员Q群
  • 会员专属群点击这里加入QQ群
客服邮箱
回到顶部