电脑桌面
添加小米粒文库到电脑桌面
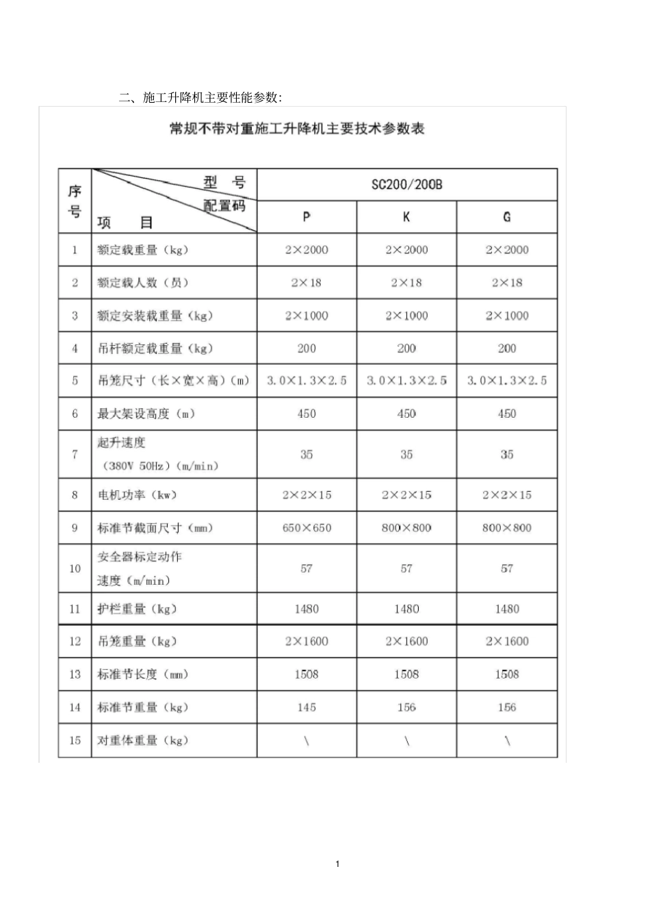
安装后可以在桌面快捷访问

施工电梯安拆安全专项施工方案VIP免费

施工电梯安拆安全专项施工方案_第1页
1/19
施工电梯安拆安全专项施工方案_第2页
2/19
施工电梯安拆安全专项施工方案_第3页
3/19
1/19目录一、工程概况..........................................................................................................................0二、施工升降机主要性能参数:........................................................................................1三、准备工作..........................................................................................................................2四、装前基础、附着件预埋及验收......................................................................................2五、安装设备准用资格的确认..............................................................................................2六、现场施工作业平面布置..................................................................................................3七、升降机的安装..................................................................................................................3八、整机调试........................................................................................................................10九、安装全工程的重要安全措施........................................................................................12十、安装前注意事项............................................................................................................13十一、安全注意事项............................................................................................................14十二、本工程电梯升节根据现场穿插施工情况提升标准节,并跟随附墙。................15十三、安装安全质量组织机构............................................................................................15十四、升降机拆卸................................................................................................................150施工升降机安装(拆卸)施工方案一、工程概况新建居住项目(大洲村城中村改造K2地块一期一标段)工程位于武汉市洪山区友谊大道与仁和路交汇处,建筑总面积约189215m2。单体幢号:1#、2#、3#楼、幼儿园,3栋48层超高层住宅和一栋3层幼儿园,建筑高度147.6米、147.6米、147.6米、11.1m,单体建筑面积48909.25m2、41540.91m2、48909.25m2、2739.24m2,层高5.1/2.9米、3.6米;地下两层,建筑面积约90000m2,层高3.4/3.5米。1#、2#、3#楼、幼儿园±0.000相对的绝对标高为24.15m。结构形式:主楼范围外纯地下室为框架结构;主楼及其范围内的地下室为剪力墙结构。建设单位:金科地产集团武汉有限公司施工单位:中天建设集团有限公司监理单位:湖北亚太建设监理有限公司安装单位:武汉学志建筑设备租赁有限公司为有效利用机械使用效率,拟设3台湖北江汉建筑工程机械有限公司SC200/200B型施工升降机。升降机安装高度152.31米,安装计划施工日期:2018年4月日至2019年9月。1二、施工升降机主要性能参数:2三、准备工作1、新施工升降机在运至施工现场,必须让厂家随机械提供出厂合格证、厂家生产许可证。2、旧的施工升降机在安装之前必须经过机修工进行专业维修保养,并形成记录。3、清理场地、勘察现场、和各相关方沟通、制定安装计划,作业区域如有电线、电缆,现场应做保护措施。4、组织施工队伍(人员配备见表),施工前必须进行安全技术交底。以标准节中心半径10米范围内设置安装区域并设置警戒线及明显标志并有专人监护。严禁无关人员进入安装区域。5、所有作业人员必须戴好安全帽,高空作业人员系好安全带,对索具、起重机具、手拉葫芦、专用扳手及其他辅助工具认真检查,不合格一概不准使用。6、对用户提供的升降机隐蔽工程(基础和附墙预埋件),根据升降机有关规定进行检查、确认。7、待安装的升降机应做到性能完好,金属机构部分无疲劳损伤、无焊缝开裂脱焊、无严重锈蚀。对钢丝绳、滑轮组、电气设备、安全保险机构等,安装...

1、当您付费下载文档后,您只拥有了使用权限,并不意味着购买了版权,文档只能用于自身使用,不得用于其他商业用途(如 [转卖]进行直接盈利或[编辑后售卖]进行间接盈利)。
2、本站所有内容均由合作方或网友上传,本站不对文档的完整性、权威性及其观点立场正确性做任何保证或承诺!文档内容仅供研究参考,付费前请自行鉴别。
3、如文档内容存在违规,或者侵犯商业秘密、侵犯著作权等,请点击“违规举报”。

碎片内容

施工电梯安拆安全专项施工方案

确认删除?
VIP
微信客服
  • 扫码咨询
会员Q群
  • 会员专属群点击这里加入QQ群
客服邮箱
回到顶部