电脑桌面
添加小米粒文库到电脑桌面
安装后可以在桌面快捷访问

普通螺栓的构造和计算概要VIP免费

普通螺栓的构造和计算概要_第1页
1/29
普通螺栓的构造和计算概要_第2页
2/29
普通螺栓的构造和计算概要_第3页
3/29
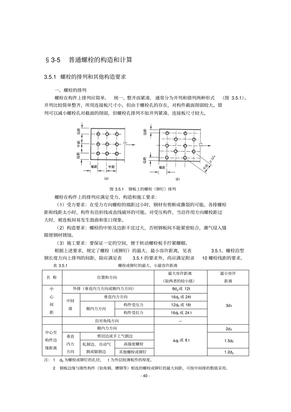
-40-§3-5普通螺栓的构造和计算3.5.1螺栓的排列和其他构造要求一、螺栓的排列螺栓在构件上排列应简单、统一、整齐而紧凑,通常分为并列和错列两种形式(图3.5.1)。并列比较简单整齐,所用连接板尺寸小,但由于螺栓孔的存在,对构件截面削弱较大。错列可以减小螺栓孔对截面的削弱,但螺栓孔排列不如并列紧凑,连接板尺寸较大。图3.5.1钢板上的螺栓(铆钉)排列螺栓在构件上的排列应满足受力、构造和施工要求:(1)受力要求:在受力方向螺栓的端距过小时,钢材有剪断或撕裂的可能。各排螺栓距和线距太小时,构件有沿折线或直线破坏的可能。对受压构件,当沿作用方向螺栓距过大时,被连板间易发生鼓曲和张口现象。(2)构造要求:螺栓的中矩及边距不宜过大,否则钢板间不能紧密贴合,潮气侵入缝隙使钢材锈蚀。(3)施工要求:要保证一定的空间,便于转动螺栓板手拧紧螺帽。根据上述要求,规定了螺栓(或铆钉)的最大、最小容许距离,见表3.5.1。螺栓沿型钢长度方向上排列的间距,除应满足表3.5.1的要求外,尚应满足附录10螺栓线距的要求。表3.5.1螺栓或铆钉的最大、小最容许距离名称位置和方向最大容许距离(取两者的较小值)最小容许距离中心间距外排(垂直内力方向或顺内力方向)8d0或12t3d0中间排垂直内力方向16d0或24t顺内力方向构件受压力12d0或18t构件受拉力16d0或24t沿对角线方向—中心至构件边缘距离顺内力方向4d0或8t2d0垂直内力方向剪切边或手工气割边1.5d0轧制边、自动气割或锯割边高强度螺栓其他螺栓或铆钉1.2d0注:1d0为螺栓或铆钉的孔径,t为外层较薄板件的厚度。2钢板边缘与刚性构件(如角钢、槽钢等)相连的螺栓或铆钉的最大间距,可按中间排的数值采用。-41-二、螺栓的其他构造要求螺栓连接除了满足上述螺栓排列的容许距离外,根据不同情况尚应满足下列构造要求:(1)为了使连接可靠,每一杆件在节点上以及拼接接头的一端,永久性螺栓数不宜少于两个。但根据实践经验,对于组合构件的缀条,其端部连接可采用一个螺栓。(2)对直接承受动力荷载的普通螺栓连接应采用双螺帽或其他防止螺帽松动的有效措施。例如采用弹簧垫圈,或将螺帽或螺杆焊死等方法。(3)由于C级螺栓与孔壁有较大间隙,只宜用于沿其杆轴方向受拉的连接。承受静力荷载结构的次要连接、可拆卸结构的连接和临时固定构件用的安装连接中,也可用C级螺栓受剪。但在重要的连接中,例如:制动梁或吊车梁上翼缘与柱的连接,由于传递制动梁的水平支承反力,同时受到反复动力荷载作用,不得采用C级螺栓。柱间支撑与柱的连接,以及在柱间支撑处吊车梁下翼缘的连接,因承受着反复的水平制动力和卡轨力,应优先采用高强度螺栓。(4)沿杆轴方向受拉的螺栓连接中的端板(法兰板),应适当加强其刚度(如加设加劲肋),以减少撬力对螺栓抗拉承载力的不利影响。3.5.2普通螺栓的受剪连接普通螺栓连接按受力情况可分为三类:螺栓只承受剪力;螺栓只承受拉力;螺栓承受拉力和剪力的共同作用。下面先介绍螺栓受剪时的工作性能和计算方法。一、受剪连接的工作性能抗剪连接是最常见的螺栓连接。如果以图3.5.2(a)所示的螺栓连接试件作抗剪试验,可得出试件上a、b两点之间的相对位移δ与作用力N的关系曲线(图3.5.2b)。该曲线给出了试件由零载一直加载至连接破坏的全过程,经历了以下四个阶段:(1)摩擦传力的弹性阶段在施加荷载之初,荷载较小,荷载靠构件间接触面的摩擦力传递,螺栓杆与孔壁之间的间隙保持不变,连接工作处于弹性阶段,在N-δ图上呈现出0,1斜直线段。但由于板件间摩擦力的大小取决于拧紧螺帽时在螺杆中的初始拉力,一般说来,普通螺栓的初拉力很小,故此阶段很短。(2)滑移阶段当荷载增大,连接中的剪力达到构件间摩擦力的最大值,板件间产生相对滑移,其最大滑移量为螺栓杆与孔壁之间的间隙,直至螺栓与孔壁接触,相应于N-δ曲线上的1,2水平段。图3.5.2单个螺栓抗剪试验结果-42-(3)栓杆传力的弹性阶段荷载继续增加,连接所承受的外力主要靠栓杆与孔壁接触传递。栓杆除主要受剪力外,还有弯矩和轴向拉力,而孔壁则受到挤压。由于栓杆的伸长受到螺帽的约束,增大了板件间的压紧力,使板件间的摩...

1、当您付费下载文档后,您只拥有了使用权限,并不意味着购买了版权,文档只能用于自身使用,不得用于其他商业用途(如 [转卖]进行直接盈利或[编辑后售卖]进行间接盈利)。
2、本站所有内容均由合作方或网友上传,本站不对文档的完整性、权威性及其观点立场正确性做任何保证或承诺!文档内容仅供研究参考,付费前请自行鉴别。
3、如文档内容存在违规,或者侵犯商业秘密、侵犯著作权等,请点击“违规举报”。

碎片内容

普通螺栓的构造和计算概要

您可能关注的文档

文库响当当+ 关注
实名认证
内容提供者

该用户很懒,什么也没介绍

相关文档

确认删除?
VIP
微信客服
  • 扫码咨询
会员Q群
  • 会员专属群点击这里加入QQ群
客服邮箱
回到顶部