电脑桌面
添加小米粒文库到电脑桌面
安装后可以在桌面快捷访问

汽车散热器电动风扇技术条件VIP免费

汽车散热器电动风扇技术条件_第1页
1/9
汽车散热器电动风扇技术条件_第2页
2/9
汽车散热器电动风扇技术条件_第3页
3/9
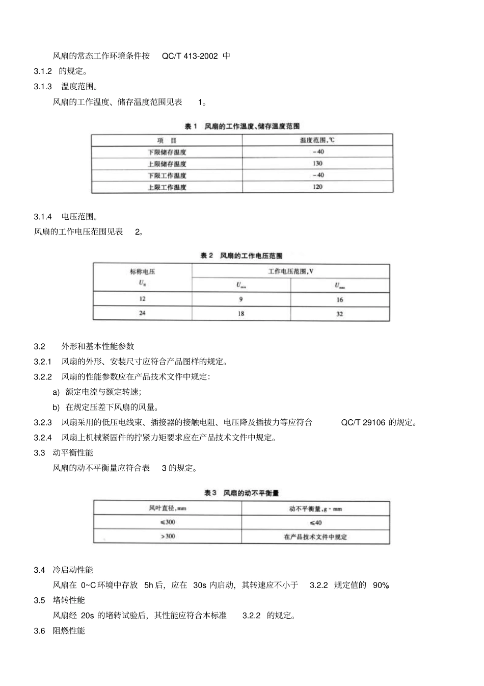
QC/T773—2006(2006-12-17发布,2007-05-01实施)前言本标准参考国外先进标准及我国的QC/T413-2002《汽车电气设备基本技术条件》等相关标准制定。本标准由全国汽车标准化技术委员会提出。本标准由全国汽车标准化技术委员会归口。本标准负责起草单位:上海日用—友捷汽车电气有限公司。本标准主要起草人:张梅学、林宏楣、周伟刚、杨忠明。QC/T773—2006汽车散热器电动风扇技术条件Coolingfanmodulespecificationforautomobile1范围本标准规定了汽车散热器电动风扇(以下简称风扇)的要求、试验方法、检验规则、标志、包装、储存和保管。本标准适用于汽车发动机散热器装置上驱动负载排出热量的风扇。含电子调速控制器的有刷(直流电动机)风扇也可参照执行。本标准不适用于汽车散热器电动风扇的电子模块。2规范性引用文件下列文件中的条款通过本标准的引用而成为本标准的条款。凡是注日期的引用文件,其随后所有的修改单(不包括勘误的内容)或修订版均不适用于本标准,然而,鼓励根据本标准达成协议的各方研究是否可使用这些文件的最新版本。凡是不注日期的引用文件,其最新版本适用于本标准。GB/T1236工业通风机用标准化风道进行性能试验(idtISO5801:1997)GB/T2423.17电工电子产品基本环境试验规程试验Ka:盐雾试验方法(eqvIEC68-2-11:1988)GBl8655用于保护车载接收机的无线电骚扰特性的限值和测量方法(idtIEC/CISDIVR25:1995)QC/T413-2002汽车电气设备基本技术条件QC/T29106汽车低压电线束技术条件3要求3.1一般规定3.1.1文件。风扇应符合本标准的要求,并应按照经规定程序批准的图样及技术文件制造。3.1.2常态工作环境条件。风扇的常态工作环境条件按QC/T413-2002中3.1.2的规定。3.1.3温度范围。风扇的工作温度、储存温度范围见表1。3.1.4电压范围。风扇的工作电压范围见表2。3.2外形和基本性能参数3.2.1风扇的外形、安装尺寸应符合产品图样的规定。3.2.2风扇的性能参数应在产品技术文件中规定:a)额定电流与额定转速;b)在规定压差下风扇的风量。3.2.3风扇采用的低压电线束、插接器的接触电阻、电压降及插拔力等应符合QC/T29106的规定。3.2.4风扇上机械紧固件的拧紧力矩要求应在产品技术文件中规定。3.3动平衡性能风扇的动不平衡量应符合表3的规定。3.4冷启动性能风扇在0~C环境中存放5h后,应在30s内启动,其转速应不小于3.2.2规定值的90%。3.5堵转性能风扇经20s的堵转试验后,其性能应符合本标准3.2.2的规定。3.6阻燃性能风扇经1h的堵转试验后,不得出现明火。期间允许损坏、冒烟。3.7噪声风扇的噪声限值应在产品技术文件中规定。在强化耐久性试验后,噪声限值与规定值允许偏差+3dB(A)。3.8防溅水性能风扇的防溅水性能按QC/T413-2002中3.6.1、3.6.3的规定。3.9耐异常电压性能3.9.1耐电源极性反接性能。风扇的耐电源极性反接性能按QC/T413-2002中3.7.1的规定。3.9.2耐过电压性能。3.9.2.1风扇应耐受1h的长时过电压试验而无损坏。3.9.2.2风扇应耐受1min的短时过电压试验而无损坏。3.9.3叠加的交变电压性能。风扇应耐受工作电压上的叠加交变电压,其性能应符合本标准3.2.2的规定。3.10绝缘耐压性能风扇的绝缘耐压性能按QC/T413-2002中3.8.1的规定。3.11电磁骚扰性风扇的电磁骚扰性按GBl8655的有关规定,等级应在产品技术文件中规定。3.12耐温度性能3.12.1耐低温性能。风扇的耐低温性能按QC/T413-2002中3.10.1的规定。试验后,其性能应符合本标准3.2.2的规定。3.12.2耐高温性能。风扇的耐高温性能按QC/T413-2002中3.10.2的规定。试验后,其性能应符合本标准3.2.2的规定。3.12.3耐温度变化性能。风扇的耐温度变化性能按QC/T413-2002中3.10.3的规定。试验后,其性能应符合本标准3.2.2的规定。3.13耐温度、湿度组合循环性能风扇的耐温度、湿度组合循环性能按QC/T413-2002中3.11的规定。试验后,其性能应符合本标准3.2.2的规定。3.14耐振动性能风扇应耐受24h的振动试验,试验后,零部件应无损坏,紧固件应无松脱现象,其性能应符合本标准3.2.2的规定。3.15耐冲击性能风扇应耐受冲击试验,试验后,零部件应无损坏,紧固件应无松脱现象,其性能应符合本标准3.2.2的规定。3.16耐盐雾...

1、当您付费下载文档后,您只拥有了使用权限,并不意味着购买了版权,文档只能用于自身使用,不得用于其他商业用途(如 [转卖]进行直接盈利或[编辑后售卖]进行间接盈利)。
2、本站所有内容均由合作方或网友上传,本站不对文档的完整性、权威性及其观点立场正确性做任何保证或承诺!文档内容仅供研究参考,付费前请自行鉴别。
3、如文档内容存在违规,或者侵犯商业秘密、侵犯著作权等,请点击“违规举报”。

碎片内容

汽车散热器电动风扇技术条件

您可能关注的文档

文库响当当+ 关注
实名认证
内容提供者

该用户很懒,什么也没介绍

确认删除?
VIP
微信客服
  • 扫码咨询
会员Q群
  • 会员专属群点击这里加入QQ群
客服邮箱
回到顶部