电脑桌面
添加小米粒文库到电脑桌面
安装后可以在桌面快捷访问

电池检验标准VIP免费

电池检验标准_第1页
1/10
电池检验标准_第2页
2/10
电池检验标准_第3页
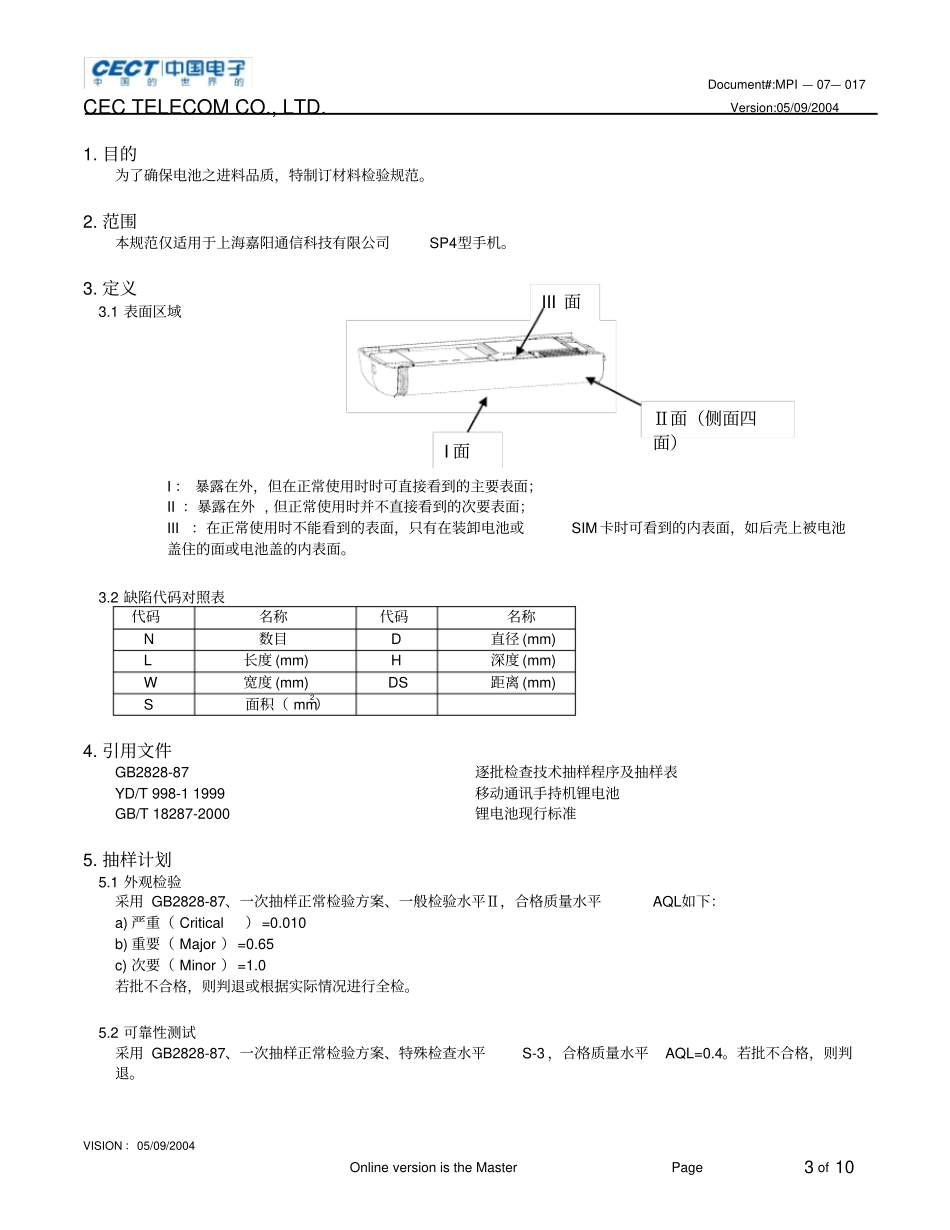
3/10
Document#:MPI—07—017CECTELECOMCO.,LTD.Version:05/09/2004VISION:05/09/2004OnlineversionistheMasterPage1of10MANUFACTURINGPROCESSINSTRUCTION生产工艺指导书电池检验标准WorkCenter/Operation作业区域:CECTQAModelUnit/Line产品型号:ALLDocumentOwner/文件负责人:QAXXXXXDocument#:MPI—07—017CECTELECOMCO.,LTD.Version:05/09/2004VISION:05/09/2004OnlineversionistheMasterPage2of10目录1.目的.........................................................................................................................................................................................32.范围.........................................................................................................................................................................................33.定义.........................................................................................................................................................................................33.1表面区域............................................................................................................................................................................33.2缺陷代码对照表................................................................................................................................................................34.引用文件.................................................................................................................................................................................35.抽样计划.................................................................................................................................................................................35.1外观检验............................................................................................................................................................................35.2可靠性测试........................................................................................................................................................................36.检验条件.................................................................................................................................................................................47.常规检验内容.........................................................................................................................................................................47.1外观检验............................................................................................................................................................................47.2尺寸....................................................................................................................................................................................57.3标志....................................................................................................................................................................................57.4一般功能检验....................................................................................................................................................................68.可靠性测试...........................................................................................................................................................

1、当您付费下载文档后,您只拥有了使用权限,并不意味着购买了版权,文档只能用于自身使用,不得用于其他商业用途(如 [转卖]进行直接盈利或[编辑后售卖]进行间接盈利)。
2、本站所有内容均由合作方或网友上传,本站不对文档的完整性、权威性及其观点立场正确性做任何保证或承诺!文档内容仅供研究参考,付费前请自行鉴别。
3、如文档内容存在违规,或者侵犯商业秘密、侵犯著作权等,请点击“违规举报”。

碎片内容

电池检验标准

您可能关注的文档

确认删除?
VIP
微信客服
  • 扫码咨询
会员Q群
  • 会员专属群点击这里加入QQ群
客服邮箱
回到顶部